Datasheet 34 THE (Vishay) - 5
| Hersteller | Vishay |
| Beschreibung | Ten Turns Servo or Bushing Mount Hall Effect Sensor in Size 09 (22.2 mm) |
| Seiten / Seite | 7 / 5 — 34 THE. DIMENSIONS |
| Dateiformat / Größe | PDF / 231 Kb |
| Dokumentensprache | Englisch |
34 THE. DIMENSIONS

Modelllinie für dieses Datenblatt
Textversion des Dokuments
34 THE
www.vishay.com Vishay Spectrol
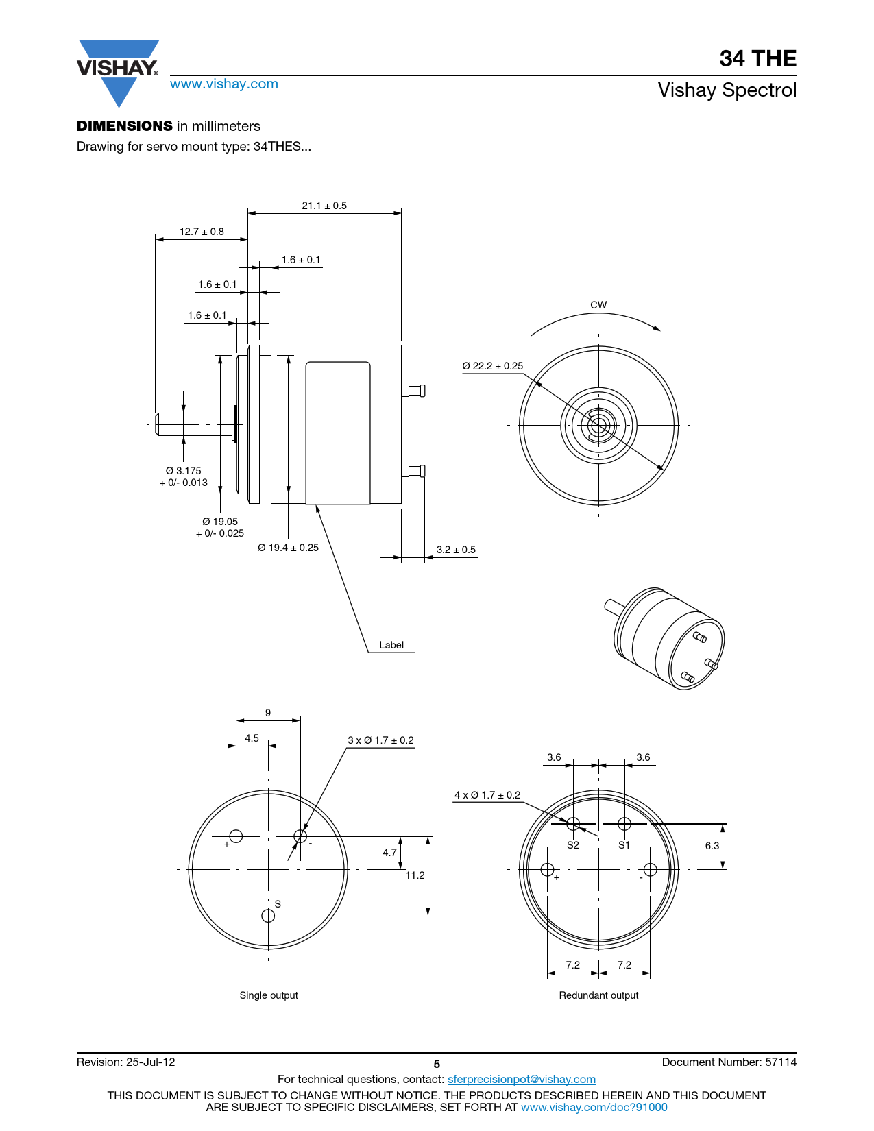
DIMENSIONS
in millimeters Drawing for servo mount type: 34THES... 21.1 ± 0.5 12.7 ± 0.8 1.6 ± 0.1 1.6 ± 0.1 CW 1.6 ± 0.1 Ø 22.2 ± 0.25 Ø 3.175 + 0/- 0.013 Ø 19.05 + 0/- 0.025 Ø 19.4 ± 0.25 3.2 ± 0.5 Label 9 4.5 3 x Ø 1.7 ± 0.2 3.6 3.6 4 x Ø 1.7 ± 0.2 + - S2 S1 6.3 4.7 11.2 + - S 7.2 7.2 Single output Redundant output Revision: 25-Jul-12
5
Document Number: 57114 For technical questions, contact: sferprecisionpot@vishay.com THIS DOCUMENT IS SUBJECT TO CHANGE WITHOUT NOTICE. THE PRODUCTS DESCRIBED HEREIN AND THIS DOCUMENT ARE SUBJECT TO SPECIFIC DISCLAIMERS, SET FORTH AT www.vishay.com/doc?91000