Datasheet 34 THE (Vishay) - 4

HerstellerVishay
BeschreibungTen Turns Servo or Bushing Mount Hall Effect Sensor in Size 09 (22.2 mm)    
Seiten / Seite7 / 4 — 34 THE. DIMENSIONS
Dateiformat / GrößePDF / 231 Kb
DokumentenspracheEnglisch

34 THE. DIMENSIONS

34 THE DIMENSIONS

Modelllinie für dieses Datenblatt

Textversion des Dokuments

34 THE
www.vishay.com Vishay Spectrol
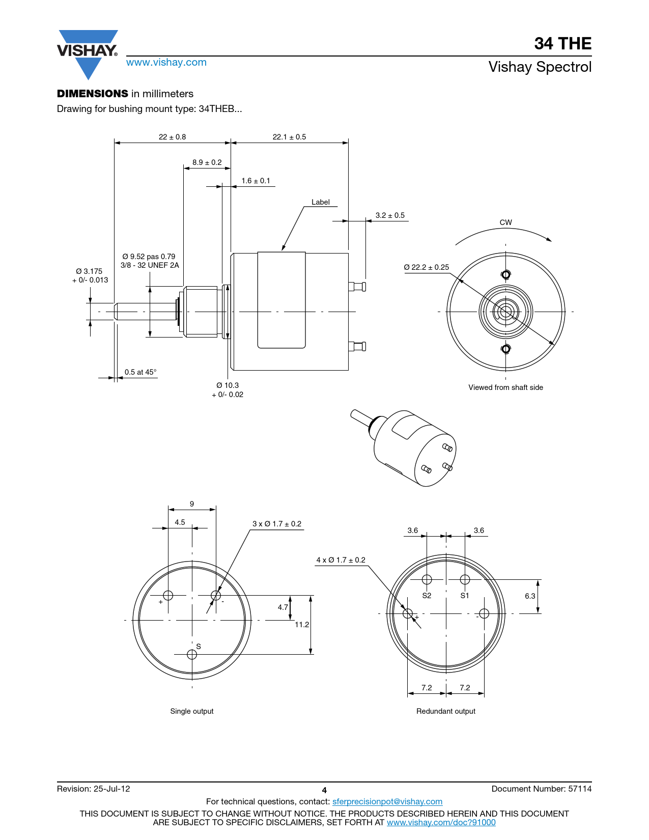
DIMENSIONS
in millimeters Drawing for bushing mount type: 34THEB... 22 ± 0.8 22.1 ± 0.5 8.9 ± 0.2 1.6 ± 0.1 Label 3.2 ± 0.5 CW Ø 9.52 pas 0.79 3/8 - 32 UNEF 2A Ø 22.2 ± 0.25 Ø 3.175 + 0/- 0.013 0.5 at 45° Ø 10.3 Viewed from shaft side + 0/- 0.02 9 4.5 3 x Ø 1.7 ± 0.2 3.6 3.6 4 x Ø 1.7 ± 0.2 S2 S1 6.3 + - 4.7 + - 11.2 S 7.2 7.2 Single output Redundant output Revision: 25-Jul-12
4
Document Number: 57114 For technical questions, contact: sferprecisionpot@vishay.com THIS DOCUMENT IS SUBJECT TO CHANGE WITHOUT NOTICE. THE PRODUCTS DESCRIBED HEREIN AND THIS DOCUMENT ARE SUBJECT TO SPECIFIC DISCLAIMERS, SET FORTH AT www.vishay.com/doc?91000