Datasheet ZVN4424A (Diodes) - 5
| Hersteller | Diodes |
| Beschreibung | 240V N-Channel Enhancement Mode Vertical DMOSFET in E-Line package |
| Seiten / Seite | 6 / 5 — ZVN4424A. Package Outline Dimensions. E-Line. Dim. Min. Max. Typ. All … |
| Dateiformat / Größe | PDF / 678 Kb |
| Dokumentensprache | Englisch |
ZVN4424A. Package Outline Dimensions. E-Line. Dim. Min. Max. Typ. All Dimensions in mm. www.diodes.com

Modelllinie für dieses Datenblatt
Textversion des Dokuments
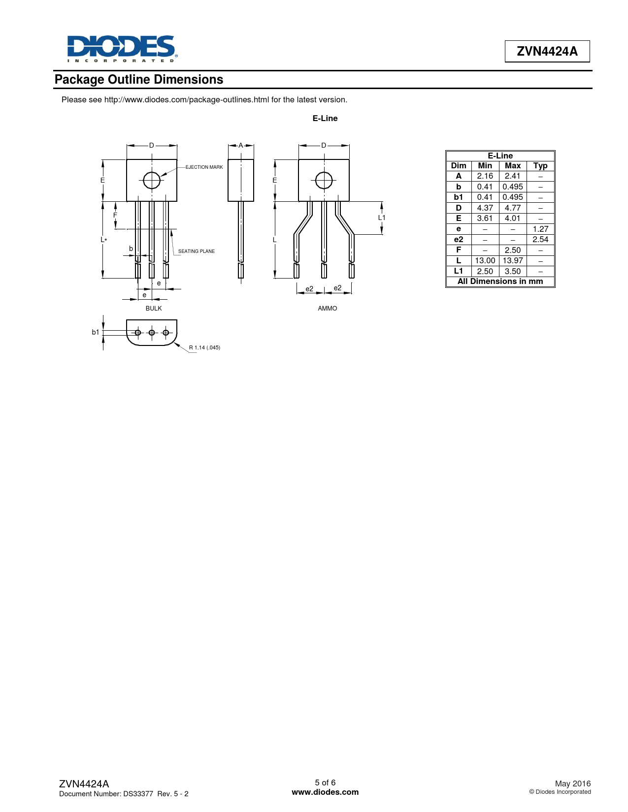
ZVN4424A Package Outline Dimensions
Please see http://www.diodes.com/package-outlines.html for the latest version.
E-Line
D A D
E-Line
EJECTION MARK
Dim Min Max Typ A
2.16 2.41 E E
b
0.41 0.495
b1
0.41 0.495
D
4.37 4.77 F L1
E
3.61 4.01
e
1.27 L* L
e2
2.54 b SEATING PLANE
F
2.50
L
13.00 13.97
L1
2.50 3.50 e
All Dimensions in mm
e2 e2 e BULK AMMO b1 R 1.14 (.045) ZVN4424A 5 of 6 May 2016 Document Number: DS33377 Rev. 5 - 2
www.diodes.com
© Diodes Incorporated