Datasheet HT75Rxx-7 (Holtek) - 9

HerstellerHoltek
Beschreibung30V, 150mA TinyPower LDO with Protections
Seiten / Seite16 / 9 — HT75Rxx-7. 30V, 150mA TinyPowerTM LDO with Protections. CIN=C1, COUT=C2, …
Dateiformat / GrößePDF / 929 Kb
DokumentenspracheEnglisch

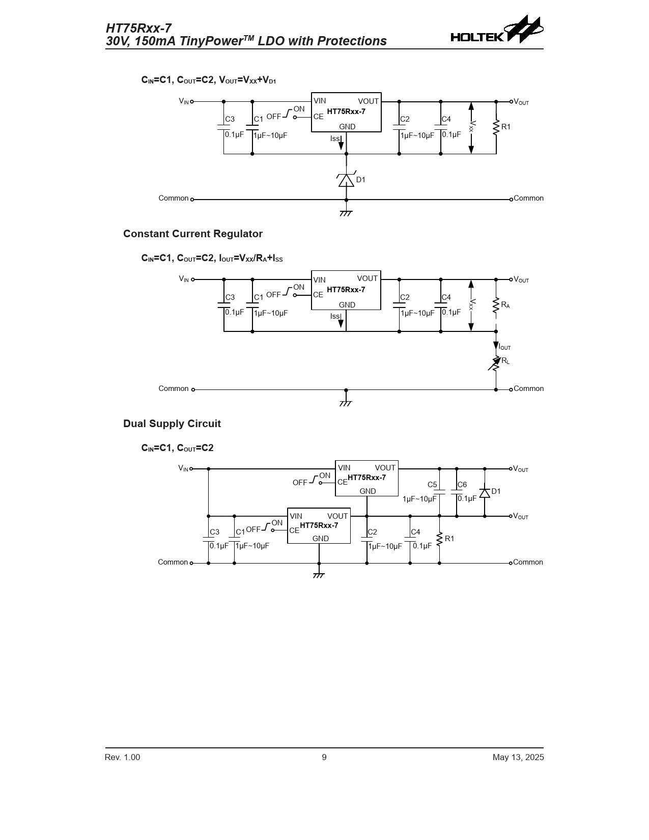
HT75Rxx-7. 30V, 150mA TinyPowerTM LDO with Protections. CIN=C1, COUT=C2, VOUT=VXX+VD1. Constant Current Regulator

HT75Rxx-7 30V, 150mA TinyPowerTM LDO with Protections CIN=C1, COUT=C2, VOUT=VXX+VD1 Constant Current Regulator

Modelllinie für dieses Datenblatt

Textversion des Dokuments

HT75Rxx-7 30V, 150mA TinyPowerTM LDO with Protections CIN=C1, COUT=C2, VOUT=VXX+VD1
VIN VIN VOUT VOUT ON
HT75Rxx-7
C3 C1 OFF CE C2 C4 V GND XX R1 0.1µF 1µF~10µF 1µF~10µF 0.1µF Iss D1 Common Common
Constant Current Regulator CIN=C1, COUT=C2, IOUT=VXX/RA+ISS
VIN VIN VOUT VOUT ON
HT75Rxx-7
C3 C1 OFF CE C2 C4 V GND XX RA 0.1µF 1µF~10µF 1µF~10µF 0.1µF Iss IOUT RL Common Common
Dual Supply Circuit CIN=C1, COUT=C2
VIN VIN VOUT VOUT ON
HT75Rxx-7
OFF CE C5 C6 GND D1 1µF~10µF 0.1µF VIN VOUT VOUT ON
HT75Rxx-7
C3 C1OFF CE C2 C4 GND R1 0.1µF 1µF~10µF 1µF~10µF 0.1µF Common Common Rev. 1.00 9 May 13, 2025 Document Outline Features Applications General Description Selection Table Block Diagram Pin Assignment Pin Description Absolute Maximum Ratings Recommended Operating Range Electrical Characteristics Typical Performance Characteristics Application Circuits Basic Circuit High Output Current Positive Voltage Regulator Circuit for Increasing Output Voltage Constant Current Regulator Dual Supply Circuit Application Information External Circuit OCP and OTP Protections Fast Output Discharging Function Input Capacitor CIN Considerations Output Capacitor COUT Considerations Thermal Considerations Power Dissipation Calculation Package Information 3-pin SOT89 Outline Dimensions 5-pin SOT23 Outline Dimensions