Datasheet LT119A, LT319A, LM119, LM319 (Analog Devices) - 7
| Hersteller | Analog Devices |
| Beschreibung | Dual Comparator |
| Seiten / Seite | 12 / 7 — TYPICAL APPLICATIONS. 10-Bit Serial Output A/D Converter. 5 Microsecond … |
| Dateiformat / Größe | PDF / 197 Kb |
| Dokumentensprache | Englisch |
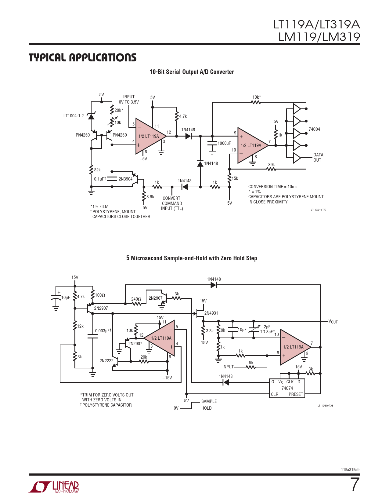
TYPICAL APPLICATIONS. 10-Bit Serial Output A/D Converter. 5 Microsecond Sample-and-Hold with Zero Hold Step

Modelllinie für dieses Datenblatt
Textversion des Dokuments
LT119A/LT319A LM119/LM319
TYPICAL APPLICATIONS 10-Bit Serial Output A/D Converter
5V INPUT 5V 10k* 0V TO 3.5V 20k* LT1004-1.2 4.7k 10k 5 5V – 11 74C04 12 1N4148 9 PN4250 PN4250 1/2 LT119A + 1k 4 + 3 1000µF† 7 1/2 LT119A 10 6 – 8 DATA –5V OUT 1N4148 39k 82k 0.1µF† 2N3904 15k 1k 1N4148 1k CONVERSION TIME = 10ms * = 1% 3.9k CONVERT CAPACITORS ARE POLYSTYRENE MOUNT COMMAND 5V IN CLOSE PROXIMITY *1% FILM –5V INPUT (TTL) LT119/319 TA7 † POLYSTYRENE, MOUNT CAPACITORS CLOSE TOGETHER
5 Microsecond Sample-and-Hold with Zero Hold Step
15V 1N4148 + 3k 10µF 4.7k 100Ω 240Ω 2N2907 15V 2N2907 2N4931 15V11 VOUT 12k 5 0.003µF† 10k – 3.3k 9k 10pF 2pF TO 8pF* 12 10 1/2 LT119A – 2N2907 4 –15V 7 3 + 1k 1/2 LT119A 1k 9 3k 20k 6 + 8 2N2222 9k INPUT 15V 3k –15V 1N4148 Q VS CLK D 74C74 *TRIM FOR ZERO VOLTS OUT CLR PRESET WITH ZERO VOLTS IN 5V SAMPLE † POLYSTYRENE CAPACITOR LT119/319 TA8 0V HOLD 119a319afc 7 Document Outline Features Applications Description Typical Application Absolute Maximum Ratings Pin Configuration Order Information Electrical Characteristics Typical Performance Characteristics Typical Applications Schematic Diagram Package Description Revision History Typical Application