Datasheet BUT56, BUT56A (Inchange Semiconductor) - 3
| Hersteller | Inchange Semiconductor |
| Beschreibung | Silicon NPN Power Transistors in TO-220 package |
| Seiten / Seite | 3 / 3 — Inchange Semiconductor. Product Specification. Silicon NPN Power … |
| Dateiformat / Größe | PDF / 146 Kb |
| Dokumentensprache | Englisch |
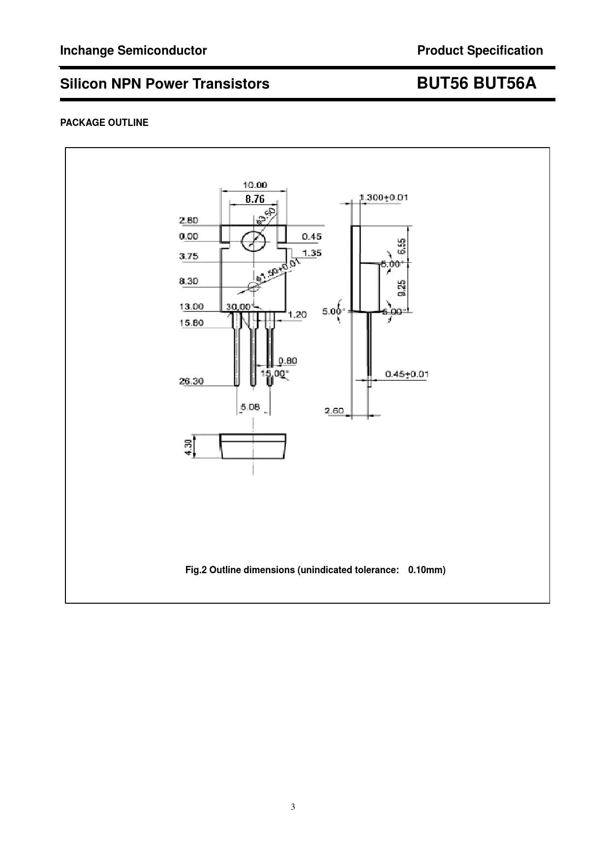
Inchange Semiconductor. Product Specification. Silicon NPN Power Transistors BUT56 BUT56A. PACKAGE OUTLINE

Modelllinie für dieses Datenblatt
Textversion des Dokuments
Inchange Semiconductor Product Specification Silicon NPN Power Transistors BUT56 BUT56A PACKAGE OUTLINE Fig.2 Outline dimensions (unindicated tolerance:
±
0.10mm)
3