Datasheet LM194, LM394 (National Semiconductor) - 4

HerstellerNational Semiconductor
BeschreibungSupermatch Pair
Seiten / Seite10 / 4 — Typical. Applications. (Continued). Precision. Low. Drift. Operational. …
Dateiformat / GrößePDF / 238 Kb
DokumentenspracheEnglisch

Typical. Applications. (Continued). Precision. Low. Drift. Operational. Amplifier. Common-mode. range. 10V. IBIAS. 25. nA. IOS. 0.5. nA. VOS. (untrimmed)

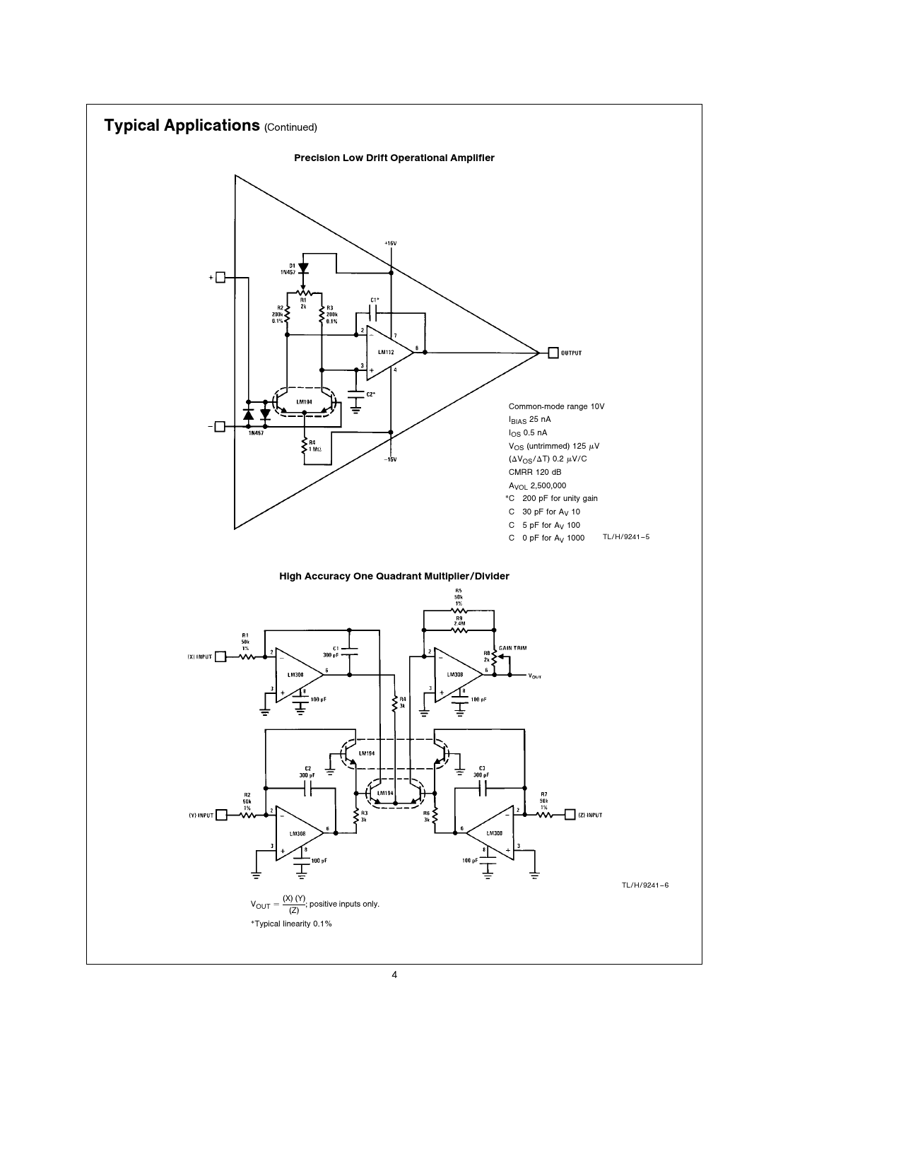
Typical Applications (Continued) Precision Low Drift Operational Amplifier Common-mode range 10V IBIAS 25 nA IOS 0.5 nA VOS (untrimmed)

Modelllinie für dieses Datenblatt

Textversion des Dokuments

Typical Applications (Continued) Precision Low Drift Operational Amplifier Common-mode range 10V IBIAS 25 nA IOS 0.5 nA VOS (untrimmed) 125 mV (DVOS/DT) 0.2 mV/C CMRR 120 dB AVOL 2,500,000 *C 200 pF for unity gain C 30 pF for AV 10 C 5 pF for AV 100 TL/H/9241 – 5 C 0 pF for AV 1000 High Accuracy One Quadrant Multiplier/Divider TL/H/9241 – 6 (X) (Y) VOUT e ; positive inputs only. (Z) *Typical linearity 0.1% 4