Datasheet AP64351Q (Diodes) - 4
| Hersteller | Diodes |
| Beschreibung | Automotive-compliant, 40V, 3.5A Synchronous Buck with Programmable Soft-Start Time |
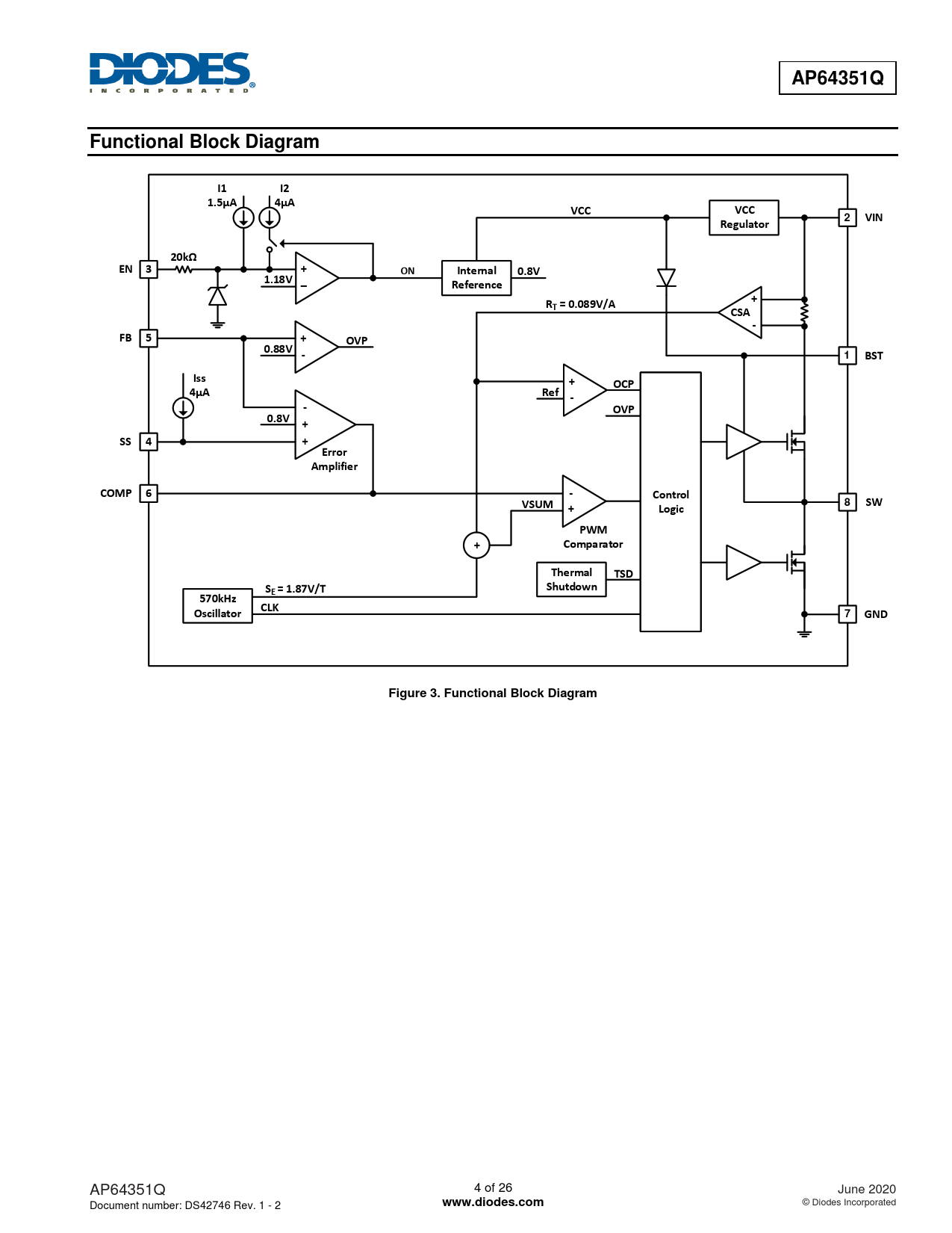
| Seiten / Seite | 26 / 4 — AP64351Q. Functional Block Diagram. 1.5μA. 4μA. VCC. VIN. Regulator. … |
| Dateiformat / Größe | PDF / 1.4 Mb |
| Dokumentensprache | Englisch |
AP64351Q. Functional Block Diagram. 1.5μA. 4μA. VCC. VIN. Regulator. 20kΩ. Internal. 0.8V. 1.18V –. Reference. RT = 0.089V/A. CSA. OVP. 0.88V -. BST. Iss

Modelllinie für dieses Datenblatt
Textversion des Dokuments
AP64351Q Functional Block Diagram I1 I2 1.5μA 4μA VCC VCC 3 2 VIN Regulator 20kΩ EN 3 + ON Internal 0.8V 1.18V – Reference + RT = 0.089V/A CSA - FB 5 + OVP 0.88V - 6 1 BST Iss + OCP 4μA Ref - - OVP 0.8V + SS 4 + Error Amplifier COMP 6 - Con Co t n ro r l o l VSUM 5 8 SW + Lo L g o i g c i PWM + Comparator Thermal TSD S Shutdown E = 1.87V/T 570kHz CLK Oscillator 4 7 GND Figure 3. Functional Block Diagram
AP64351Q 4 of 26 June 2020 Document number: DS42746 Rev. 1 - 2
www.diodes.com
© Diodes Incorporated