Preliminary Datasheet EL7801 (Intersil) - 5
| Hersteller | Intersil |
| Beschreibung | High Power LED Driver |
| Seiten / Seite | 16 / 5 — Functional Block Diagram. 2.7V-16V. VBAT. FAULT. VIN. VDC. VHI. GND. … |
| Dateiformat / Größe | PDF / 412 Kb |
| Dokumentensprache | Englisch |
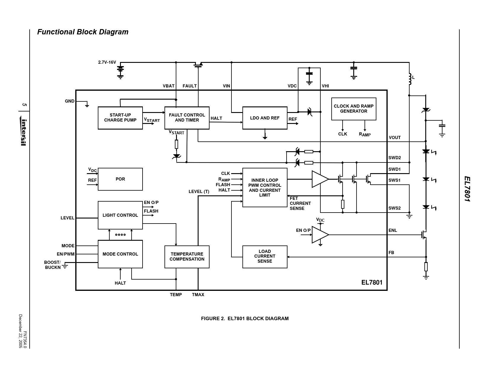
Functional Block Diagram. 2.7V-16V. VBAT. FAULT. VIN. VDC. VHI. GND. CLOCK AND RAMP. GENERATOR. START-UP. FAULT CONTROL. CHARGE PUMP. HALT. START

Modelllinie für dieses Datenblatt
Textversion des Dokuments
Functional Block Diagram 2.7V-16V L VBAT FAULT VIN VDC VHI
5
GND CLOCK AND RAMP GENERATOR START-UP FAULT CONTROL CHARGE PUMP V HALT START AND TIMER LDO AND REF REF VSTART CLK RAMP VOUT SWD2 VDC SWD1 CLK EL7801 POR REF RAMP INNER LOOP SWS1 FLASH PWM CONTROL HALT AND CURRENT LEVEL (T) LIMIT FET EN O/P CURRENT SENSE SWS2 FLASH LIGHT CONTROL LEVEL VDC EN O/P ENL MODE LOAD EN/PWM MODE CONTROL TEMPERATURE FB CURRENT COMPENSATION SENSE BOOST/ BUCKN HALT EL7801 TEMP TMAX
Dece
FIGURE 2. EL7801 BLOCK DIAGRAM
mber 22, 200 FN7354 .0 5