Preliminary Datasheet EL7801 (Intersil) - 4

HerstellerIntersil
BeschreibungHigh Power LED Driver
Seiten / Seite16 / 4 — EL7801. Typical Application Diagram. VBAT. VIN. VHI. FAULT. SWD1. SWD2. …
Dateiformat / GrößePDF / 412 Kb
DokumentenspracheEnglisch

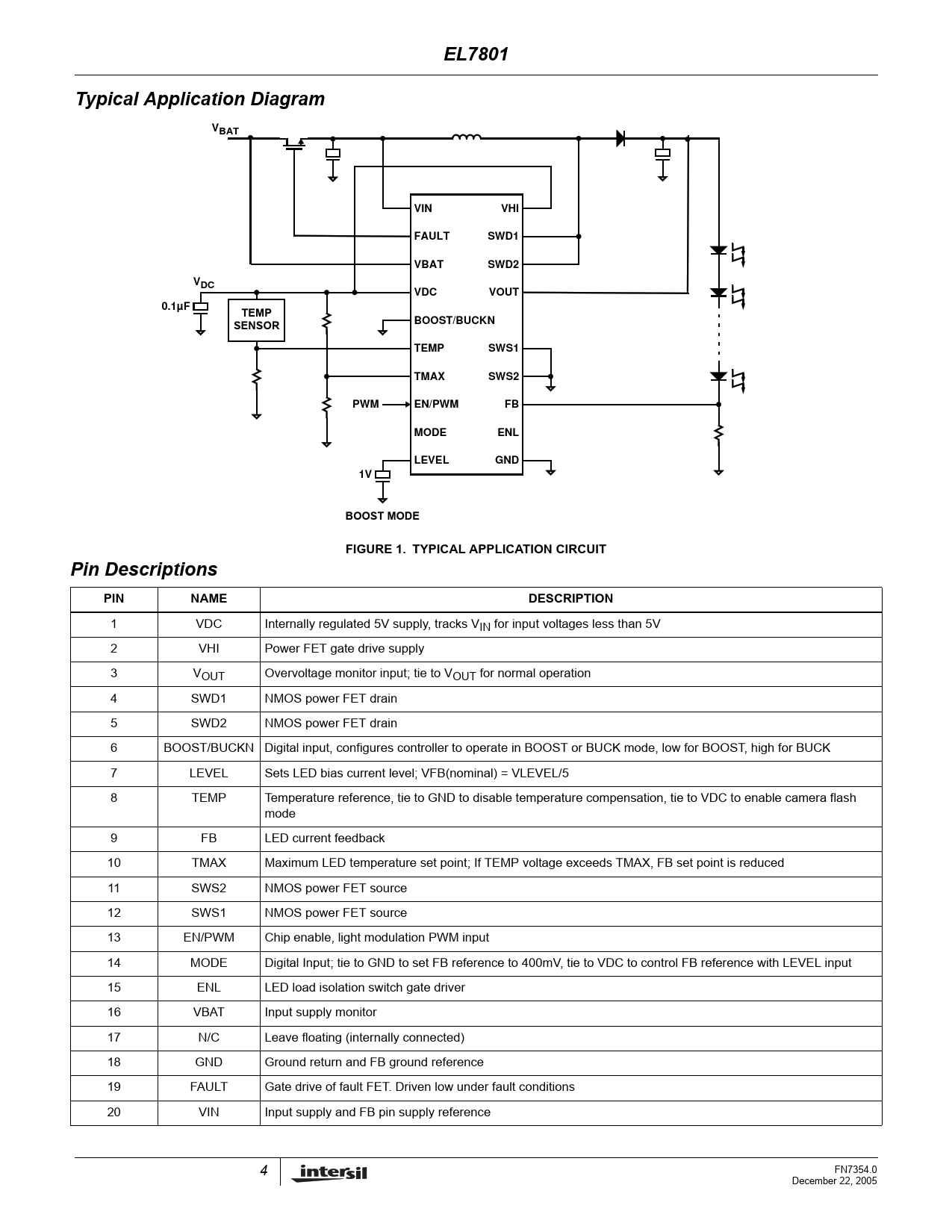
EL7801. Typical Application Diagram. VBAT. VIN. VHI. FAULT. SWD1. SWD2. VDC. VOUT. 0.1µF. TEMP. BOOST/BUCKN. SENSOR. SWS1. TMAX. SWS2. PWM. EN/PWM. MODE. ENL

EL7801 Typical Application Diagram VBAT VIN VHI FAULT SWD1 SWD2 VDC VOUT 0.1µF TEMP BOOST/BUCKN SENSOR SWS1 TMAX SWS2 PWM EN/PWM MODE ENL

Modelllinie für dieses Datenblatt

Textversion des Dokuments

EL7801 Typical Application Diagram VBAT VIN VHI FAULT SWD1 VBAT SWD2 VDC VDC VOUT 0.1µF TEMP BOOST/BUCKN SENSOR TEMP SWS1 TMAX SWS2 PWM EN/PWM FB MODE ENL LEVEL GND 1V BOOST MODE FIGURE 1. TYPICAL APPLICATION CIRCUIT Pin Descriptions PIN NAME DESCRIPTION
1 VDC Internally regulated 5V supply, tracks VIN for input voltages less than 5V 2 VHI Power FET gate drive supply 3 VOUT Overvoltage monitor input; tie to VOUT for normal operation 4 SWD1 NMOS power FET drain 5 SWD2 NMOS power FET drain 6 BOOST/BUCKN Digital input, configures controller to operate in BOOST or BUCK mode, low for BOOST, high for BUCK 7 LEVEL Sets LED bias current level; VFB(nominal) = VLEVEL/5 8 TEMP Temperature reference, tie to GND to disable temperature compensation, tie to VDC to enable camera flash mode 9 FB LED current feedback 10 TMAX Maximum LED temperature set point; If TEMP voltage exceeds TMAX, FB set point is reduced 11 SWS2 NMOS power FET source 12 SWS1 NMOS power FET source 13 EN/PWM Chip enable, light modulation PWM input 14 MODE Digital Input; tie to GND to set FB reference to 400mV, tie to VDC to control FB reference with LEVEL input 15 ENL LED load isolation switch gate driver 16 VBAT Input supply monitor 17 N/C Leave floating (internally connected) 18 GND Ground return and FB ground reference 19 FAULT Gate drive of fault FET. Driven low under fault conditions 20 VIN Input supply and FB pin supply reference 4 FN7354.0 December 22, 2005