Datasheet LTC3736 (Analog Devices) - 9
| Hersteller | Analog Devices |
| Beschreibung | Dual 2-Phase, No RSENSE , Synchronous Controller with Output Tracking |
| Seiten / Seite | 28 / 9 — FU CTIO AL DIAGRA (Controller 2) |
| Dateiformat / Größe | PDF / 447 Kb |
| Dokumentensprache | Englisch |
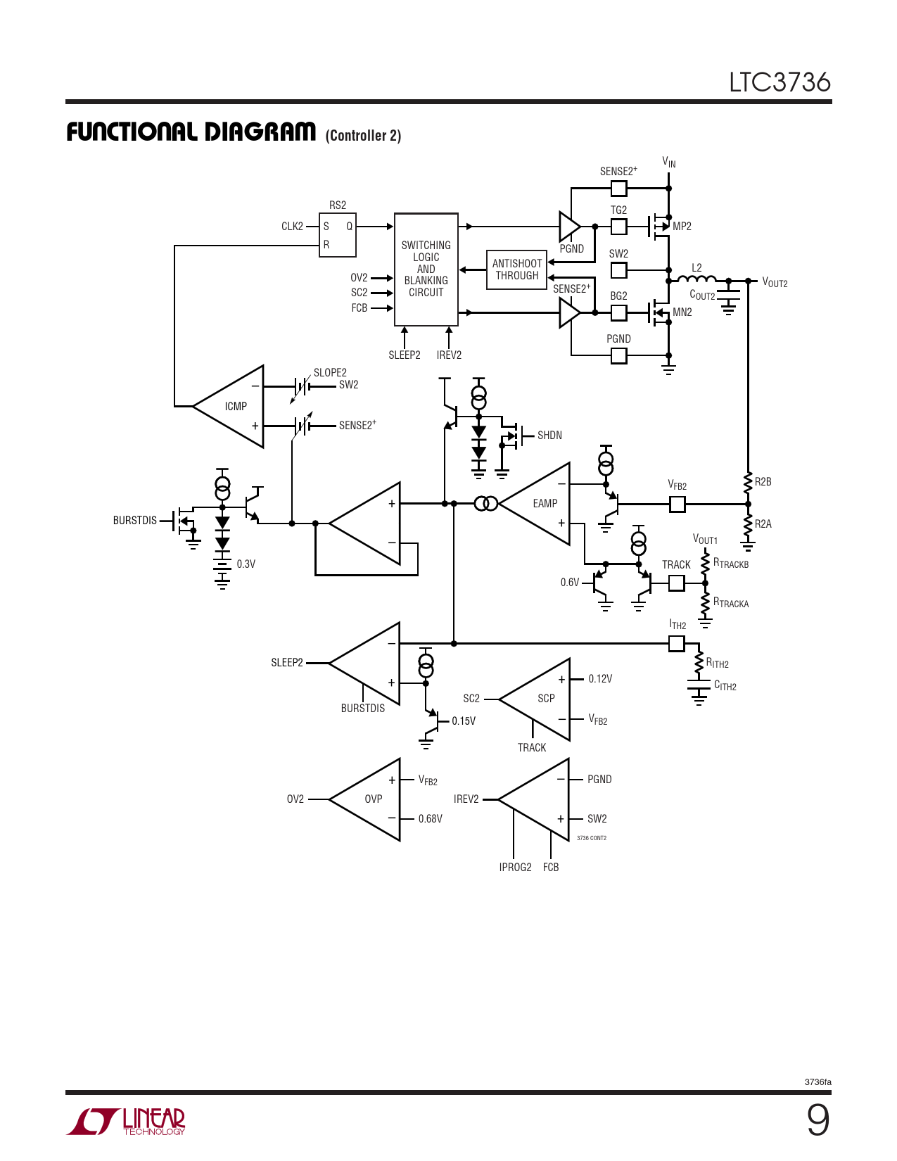
FU CTIO AL DIAGRA (Controller 2)

Modelllinie für dieses Datenblatt
Textversion des Dokuments
LTC3736
U U W FU CTIO AL DIAGRA (Controller 2)
VIN SENSE2+ RS2 TG2 CLK2 S Q MP2 R SWITCHING PGND SW2 LOGIC ANTISHOOT AND L2 OV2 THROUGH BLANKING VOUT2 SC2 SENSE2+ CIRCUIT C BG2 OUT2 FCB MN2 PGND SLEEP2 IREV2 SLOPE2 – SW2 ICMP + SENSE2+ SHDN – R2B VFB2 + EAMP + BURSTDIS R2A VOUT1 – R 0.3V TRACK TRACKB 0.6V RTRACKA ITH2 – SLEEP2 RITH2 + + 0.12V CITH2 SC2 SCP BURSTDIS V 0.15V – FB2 TRACK + VFB2 – PGND OV2 OVP IREV2 – 0.68V + SW2 3736 CONT2 IPROG2 FCB 3736fa 9