Datasheet LTC3736 (Analog Devices) - 8
| Hersteller | Analog Devices |
| Beschreibung | Dual 2-Phase, No RSENSE , Synchronous Controller with Output Tracking |
| Seiten / Seite | 28 / 8 — FU CTIO AL DIAGRA (Controller 1) |
| Dateiformat / Größe | PDF / 447 Kb |
| Dokumentensprache | Englisch |
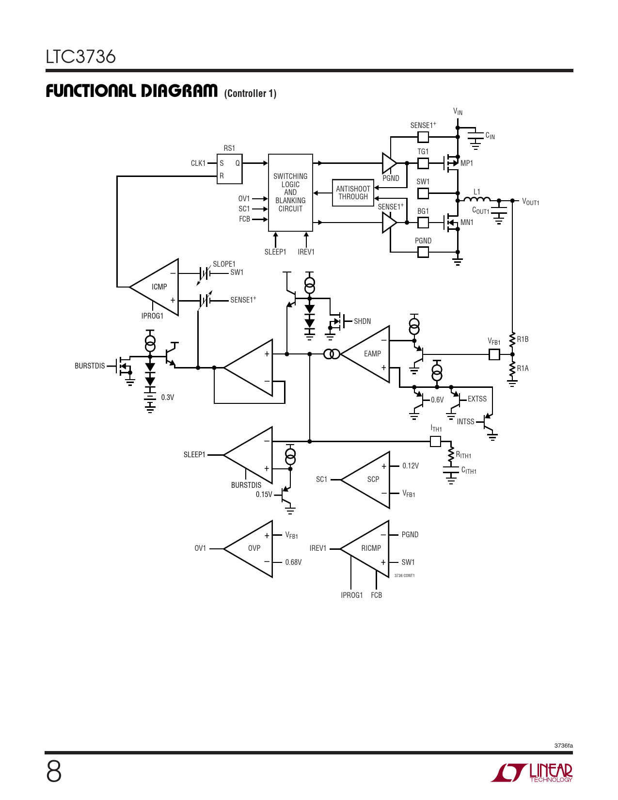
FU CTIO AL DIAGRA (Controller 1)

Modelllinie für dieses Datenblatt
Textversion des Dokuments
LTC3736
U U W FU CTIO AL DIAGRA (Controller 1)
VIN SENSE1+ CIN RS1 TG1 CLK1 S Q MP1 R SWITCHING PGND SW1 LOGIC ANTISHOOT AND L1 OV1 THROUGH BLANKING VOUT1 SC1 SENSE1+ CIRCUIT C BG1 OUT1 FCB MN1 PGND SLEEP1 IREV1 SLOPE1 – SW1 ICMP + SENSE1+ IPROG1 SHDN – R1B VFB1 + EAMP + BURSTDIS R1A – 0.3V 0.6V EXTSS INTSS ITH1 – SLEEP1 RITH1 + + 0.12V CITH1 SC1 SCP BURSTDIS – V 0.15V FB1 + VFB1 – PGND OV1 OVP IREV1 RICMP – 0.68V + SW1 3736 CONT1 IPROG1 FCB 3736fa 8