Datasheet LT6604-10 (Analog Devices) - 8
| Hersteller | Analog Devices |
| Beschreibung | Dual Very Low Noise, Differential Amplifier and 10MHz Lowpass Filter |
| Seiten / Seite | 16 / 8 — BLOCK DIAGRAM |
| Dateiformat / Größe | PDF / 208 Kb |
| Dokumentensprache | Englisch |
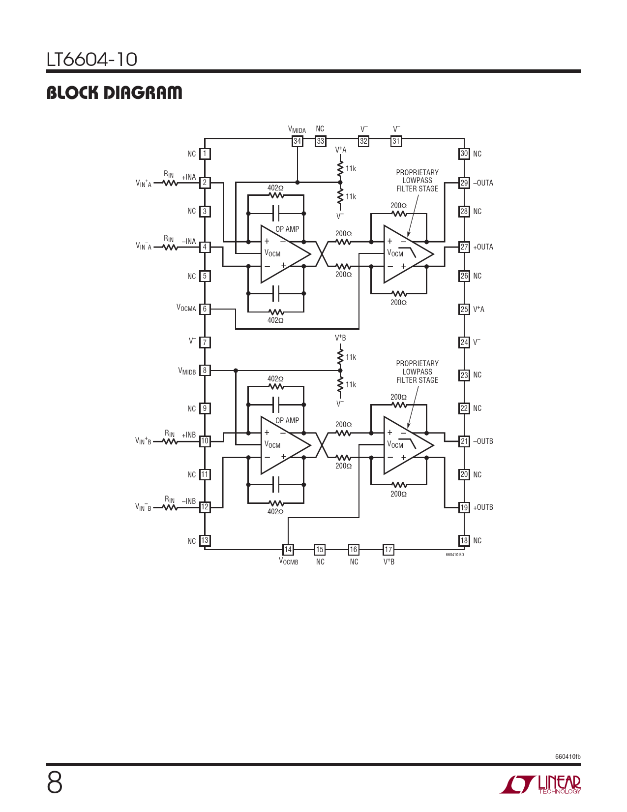
BLOCK DIAGRAM

Modelllinie für dieses Datenblatt
Textversion des Dokuments
LT6604-10
BLOCK DIAGRAM
NC V– V– VMIDA 34 33 32 31 V+A NC 1 30 NC 11k R PROPRIETARY IN +INA + LOWPASS VIN A 2 29 –OUTA 402Ω FILTER STAGE 11k 200Ω NC 3 28 NC V– OP AMP R – IN –INA + 200Ω V – + – IN A 4 27 +OUTA VOCM VOCM – + – + 5 200Ω NC 26 NC 200Ω VOCMA 6 25 V+A 402Ω V+B V– 7 24 V– 11k PROPRIETARY VMIDB 8 LOWPASS 23 NC 402Ω 11k FILTER STAGE 200Ω V– NC 9 22 NC OP AMP 200Ω RIN +INB + – + – V + IN B 10 21 –OUTB VOCM VOCM – + – + 200Ω NC 11 20 NC 200 R Ω IN –INB V – IN B 12 19 +OUTB 402Ω NC 13 18 NC 14 15 16 17 660410 BD VOCMB NC NC V+B 660410fb 8