Datasheet LT8610AC, LT8610AC-1 (Analog Devices) - 10
| Hersteller | Analog Devices |
| Beschreibung | 42V, 3.5A Synchronous Step-Down Regulator with 2.5μA Quiescent Current |
| Seiten / Seite | 26 / 10 — block DiagraM |
| Dateiformat / Größe | PDF / 552 Kb |
| Dokumentensprache | Englisch |
block DiagraM

Textversion des Dokuments
LT8610AC/LT8610AC-1
block DiagraM
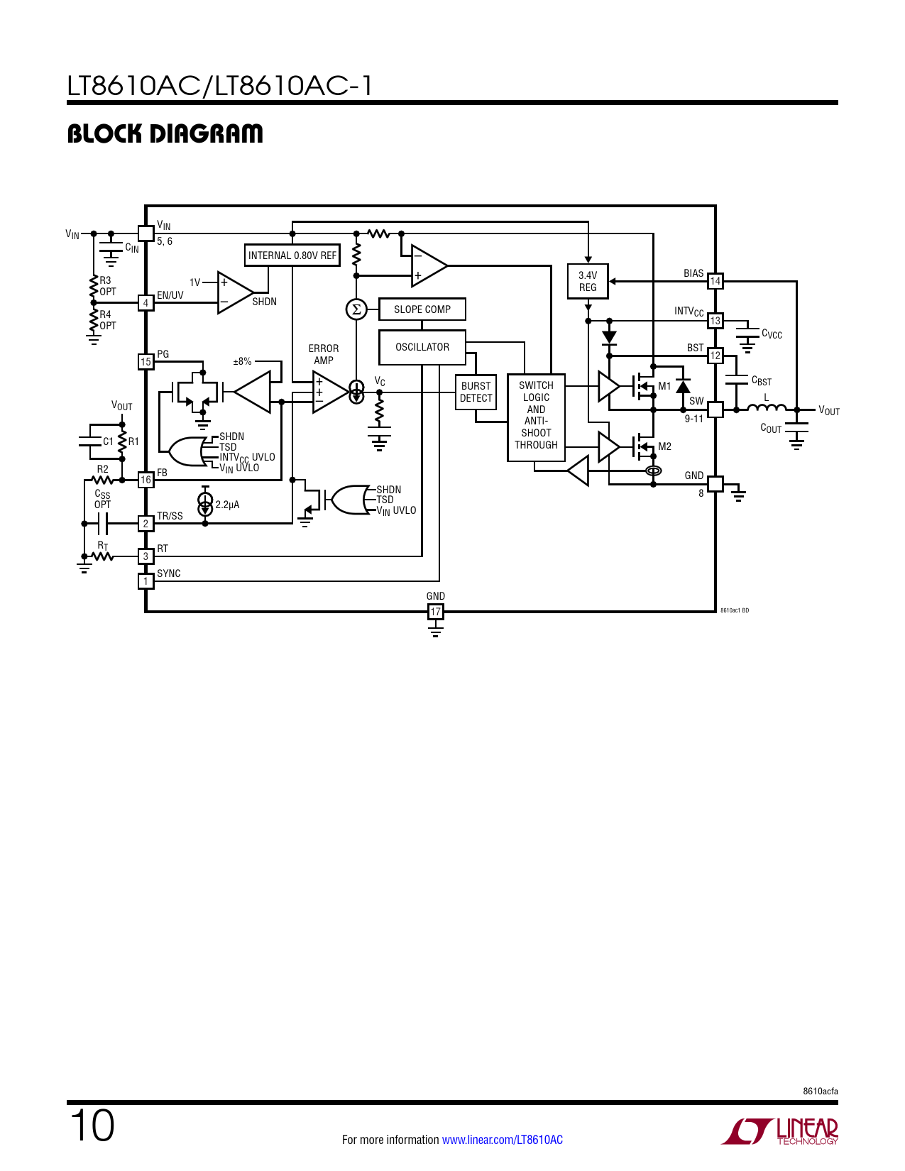
VIN VIN C 5, 6 IN – INTERNAL 0.80V REF + 3.4V BIAS R3 1V + REG 14 OPT EN/UV 4 – SHDN SLOPE COMP INTV R4 CC 13 OPT CVCC ERROR OSCILLATOR BST PG 15 ±8% AMP 12 + V C + C BURST SWITCH M1 BST V – DETECT LOGIC SW L OUT AND VOUT ANTI- 9-11 COUT SHOOT SHDN C1 R1 TSD THROUGH M2 INTVCC UVLO R2 VIN UVLO FB GND 16 SHDN CSS 8 TSD OPT 2.2µA VIN UVLO TR/SS 2 RT RT 3 SYNC 1 GND 8610ac1 BD 17 8610acfa 10 For more information www.linear.com/LT8610AC Document Outline Features Applications Description Typical Application Absolute Maximum Ratings Pin Configuration Order Information Electrical Characteristics Typical Performance Characteristics Pin Functions Block Diagram Operation Applications Information Typical Applications Package Description Typical Application Related Parts