Datasheet LM317 (Fairchild) - 4
| Hersteller | Fairchild |
| Beschreibung | 3-Terminal Positive Adjustable Regulator |
| Seiten / Seite | 5 / 4 — 317. Physical Dimensions. M L |
| Dateiformat / Größe | PDF / 904 Kb |
| Dokumentensprache | Englisch |
317. Physical Dimensions. M L

Modelllinie für dieses Datenblatt
Textversion des Dokuments
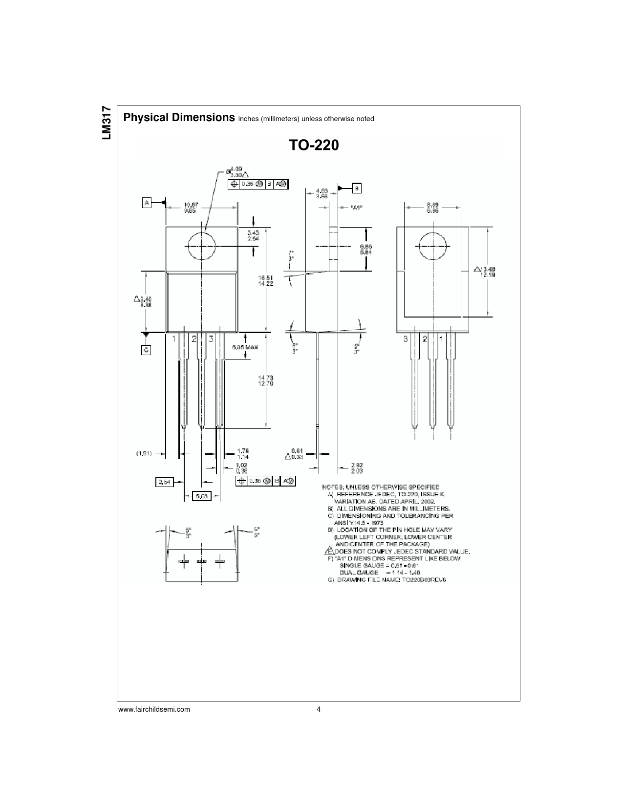
317 Physical Dimensions
inches (millimeters) unless otherwise noted
M L
www.fairchildsemi.com 4