Datasheet MAT04 (Analog Devices) - 8

HerstellerAnalog Devices
BeschreibungMatched Monolithic Quad Transistor
Seiten / Seite12 / 8 — MAT04. LOW NOISE, HIGH SPEED INSTRUMENTATION. Table I. Instrumentation …
Dateiformat / GrößePDF / 874 Kb
DokumentenspracheEnglisch

MAT04. LOW NOISE, HIGH SPEED INSTRUMENTATION. Table I. Instrumentation Amplifier Characteristics. AMPLIFIER

MAT04 LOW NOISE, HIGH SPEED INSTRUMENTATION Table I Instrumentation Amplifier Characteristics AMPLIFIER

Modelllinie für dieses Datenblatt

Textversion des Dokuments

MAT04
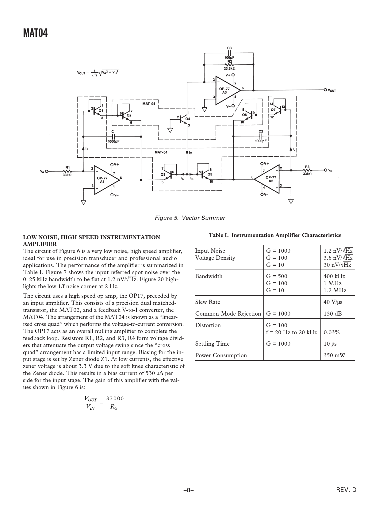
Figure 5. Vector Summer
LOW NOISE, HIGH SPEED INSTRUMENTATION Table I. Instrumentation Amplifier Characteristics AMPLIFIER
The circuit of Figure 6 is a very low noise, high speed amplifier, Input Noise G = 1000 1.2 nV/√Hz ideal for use in precision transducer and professional audio Voltage Density G = 100 3.6 nV/√Hz applications. The performance of the amplifier is summarized in G = 10 30 nV/√Hz Table I. Figure 7 shows the input referred spot noise over the Bandwidth G = 500 400 kHz 0–25 kHz bandwidth to be flat at 1.2 nV/√Hz. Figure 20 high- G = 100 1 MHz lights the low 1/f noise corner at 2 Hz. G = 10 1.2 MHz The circuit uses a high speed op amp, the OP17, preceded by an input amplifier. This consists of a precision dual matched- Slew Rate 40 V/µs transistor, the MAT02, and a feedback V-to-I converter, the Common-Mode Rejection G = 1000 130 dB MAT04. The arrangement of the MAT04 is known as a “linear- ized cross quad” which performs the voltage-to-current conversion. Distortion G = 100 The OP17 acts as an overall nulling amplifier to complete the f = 20 Hz to 20 kHz 0.03% feedback loop. Resistors R1, R2, and R3, R4 form voltage divid- ers that attenuate the output voltage swing since the “cross Settling Time G = 1000 10 µs quad” arrangement has a limited input range. Biasing for the in- Power Consumption 350 mW put stage is set by Zener diode Z1. At low currents, the effective zener voltage is about 3.3 V due to the soft knee characteristic of the Zener diode. This results in a bias current of 530 µA per side for the input stage. The gain of this amplifier with the val- ues shown in Figure 6 is: VOUT = 33000 VIN RG –8– REV. D