Datenblätter
Mehr
Only-Datasheet.com
Über uns
Zusammenarbeit
Werbung
Kontakte
en - English
ru - Русский
es - Espanol
zh - 中文
Suche
Datenblätter
Datasheet FGL40N120AND (ON Semiconductor)
Datasheet FGL40N120AND (ON Semiconductor) - 9
Hersteller
ON Semiconductor
Beschreibung
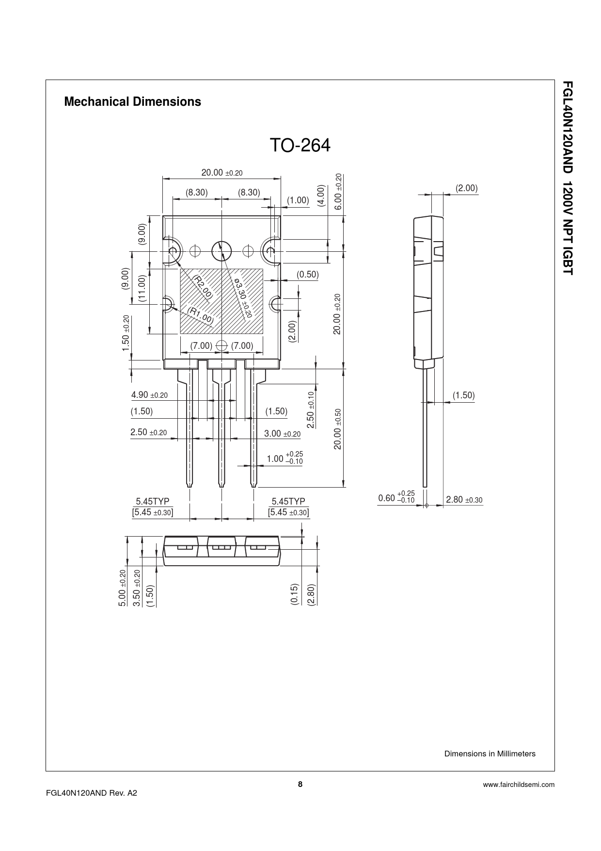
IGBT, 1200V, NPT in TO-264-3 package
Seiten / Seite
11
/
9
Dateiformat / Größe
PDF
/
704 Kb
Dokumentensprache
Englisch
1
2
3
...
8
9
10
Herunterladen PDF
1
2
3
...
8
9
10
Modelllinie für dieses Datenblatt
FGL40N120AND
FGL40N120AND
FGL40N120ANDTU
Kontakte
Datenschutz-Bestimmungen
Ändern Sie die Datenschutzeinstellungen