Datasheet RD-624 (Winsen) - 6

HerstellerWinsen
BeschreibungPyroelectric Infrared Sensor
Seiten / Seite8 / 6 — Typical application circuit:
Dateiformat / GrößePDF / 448 Kb
DokumentenspracheEnglisch

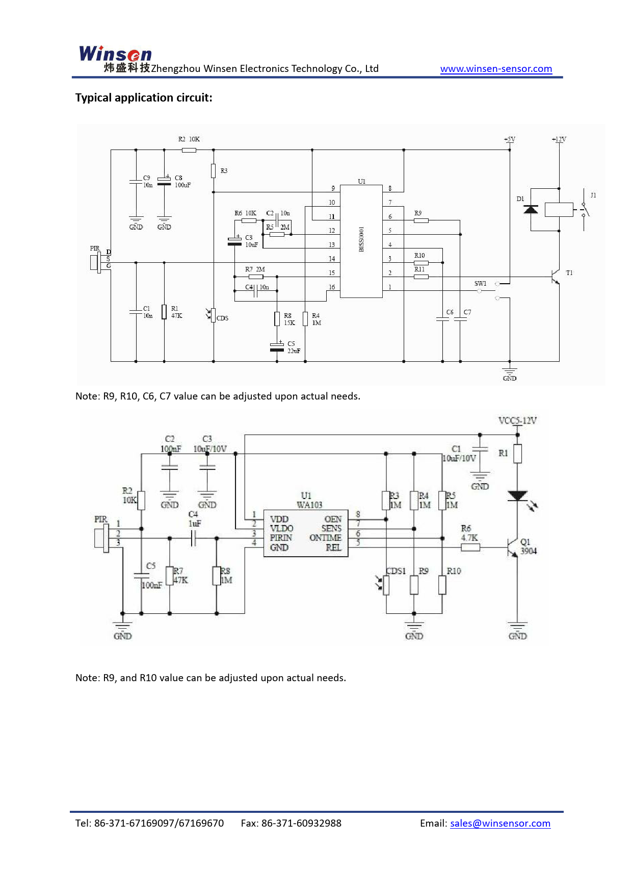
Typical application circuit:

Typical application circuit:

Modelllinie für dieses Datenblatt

Textversion des Dokuments

Zhengzhou Winsen Electronics Technology Co., Ltd www.winsen-sensor.com
Typical application circuit:
Note: R9, R10, C6, C7 value can be adjusted upon actual needs. Note: R9, and R10 value can be adjusted upon actual needs. Tel: 86-371-67169097/67169670 Fax: 86-371-60932988 Email: sales@winsensor.com