Datasheet AP68255Q (Diodes) - 4
| Hersteller | Diodes |
| Beschreibung | 5.5V to 80V Input Automotive Grade, 2.5A Standard Buck Converter |
| Seiten / Seite | 19 / 4 — AP68255Q/AP68355Q. Functional Block Diagram. VCC. 0.3µ A. 1.8µ A. VIN. … |
| Dateiformat / Größe | PDF / 1.3 Mb |
| Dokumentensprache | Englisch |
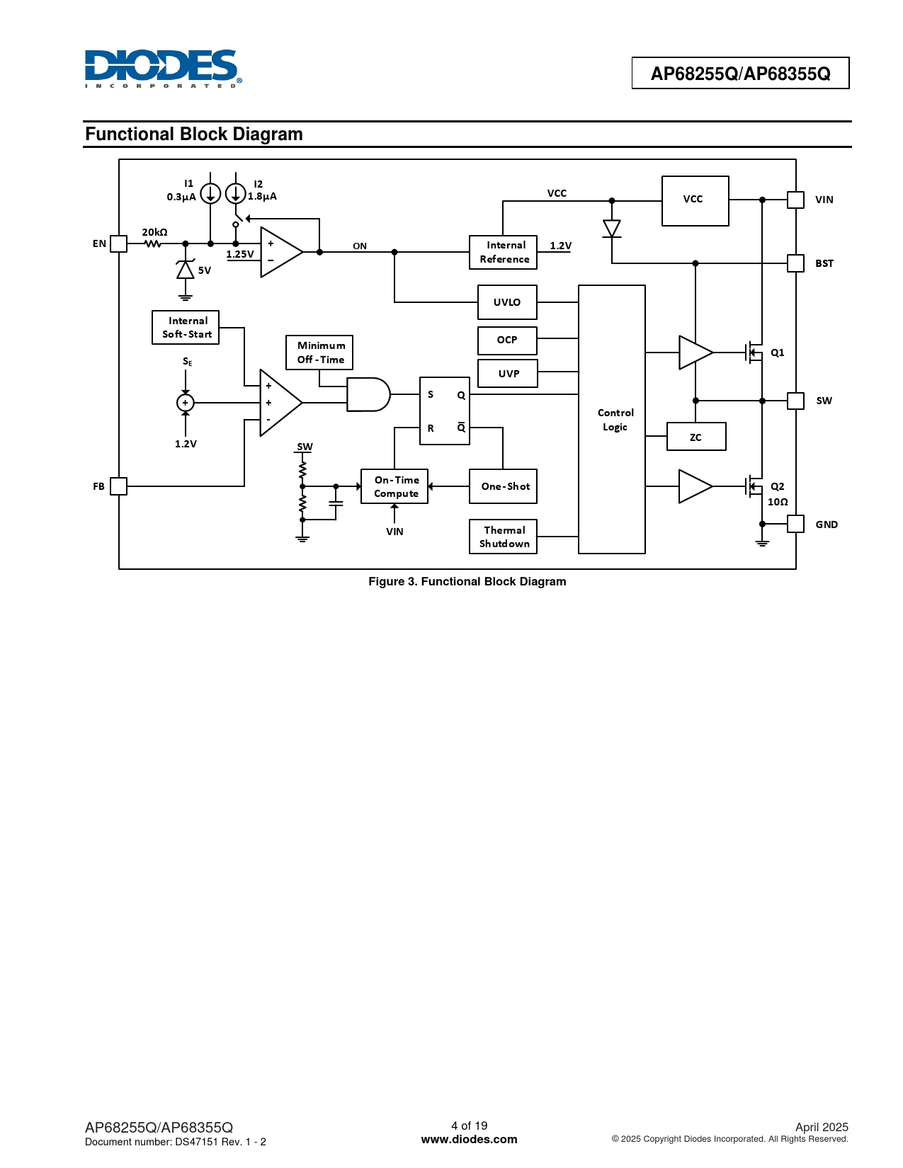
AP68255Q/AP68355Q. Functional Block Diagram. VCC. 0.3µ A. 1.8µ A. VIN. 20k. Internal. 1.2V. 1.25V. Reference. BST. UVLO. Soft- Start. Minimum. OCP

Modelllinie für dieses Datenblatt
Textversion des Dokuments
AP68255Q/AP68355Q Functional Block Diagram I1 I2 VCC 0.3µ A 1.8µ A VCC VIN 20k EN + ON Internal 1.2V 1.25V – Reference BST S 5V UVLO Internal Soft- Start Minimum OCP Q1 SE Off - Time UVP + S Q + + SW Control - R Q Logic ZC 1.2V SW On - Time FB One - Shot Q2 Compute GND VIN Thermal Shutdown Figure 3. Functional Block Diagram
AP68255Q/AP68355Q 4 of 19 April 2025 Document number: DS47151 Rev. 1 - 2
www.diodes.com
© 2025 Copyright Diodes Incorporated. All Rights Reserved.