Datasheet AOT5B65M1, AOB5B65M1 (Alpha & Omega) - 9
| Hersteller | Alpha & Omega |
| Beschreibung | 650V, 5A Alpha IGBT With Soft And Fast Recovery Anti-Parallel Diode |
| Seiten / Seite | 9 / 9 — www.aosmd.com |
| Dateiformat / Größe | PDF / 1.4 Mb |
| Dokumentensprache | Englisch |
www.aosmd.com

Modelllinie für dieses Datenblatt
Textversion des Dokuments
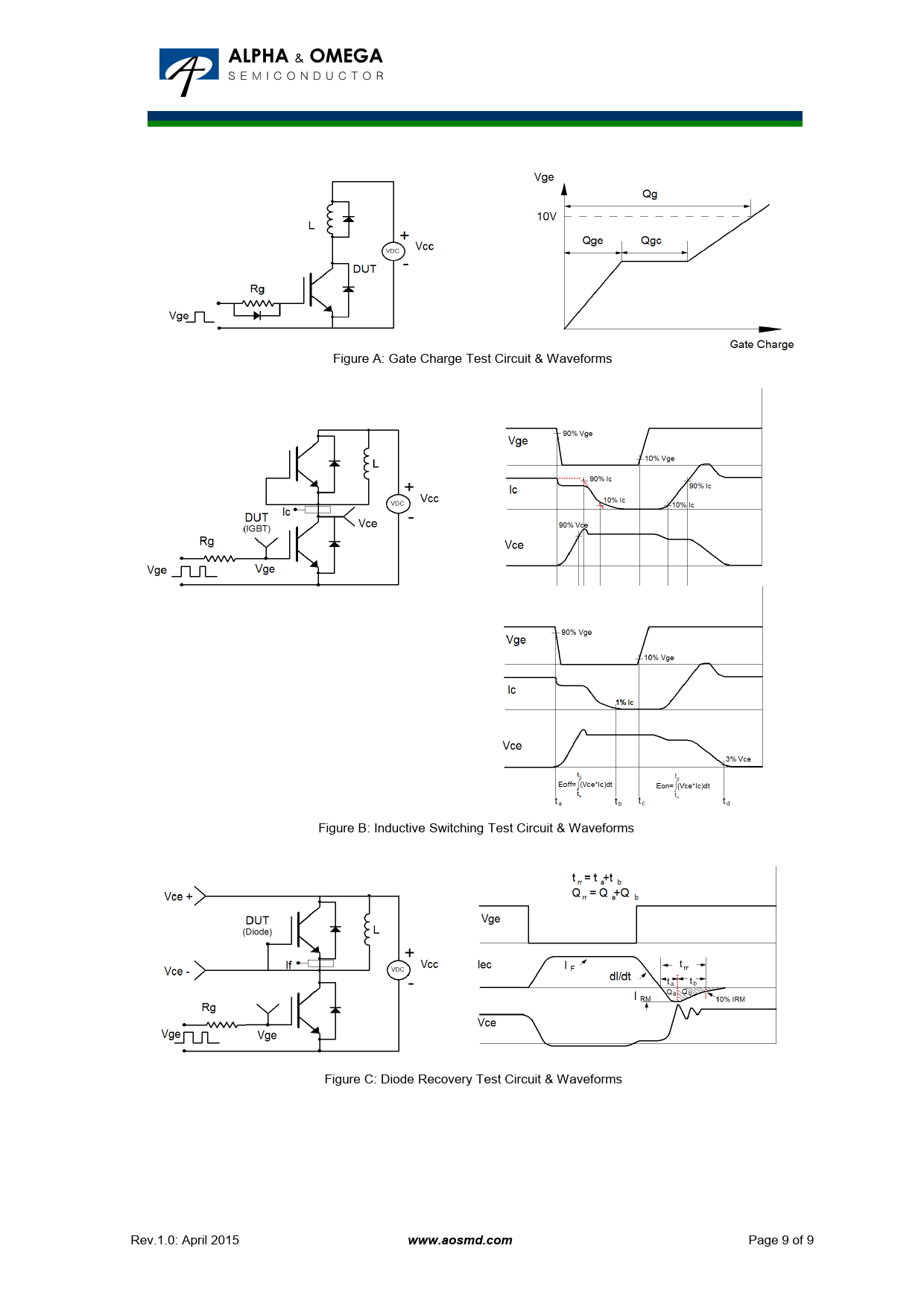
Figure A: Gate Charge Test Circuit & Waveforms Figure B: Inductive Switching Test Circuit & Waveforms Figure C: Diode Recovery Test Circuit & Waveforms Rev.1.0: April 2015
www.aosmd.com
Page 9 of 9