Datasheet ZHT431 (Diodes) - 6
| Hersteller | Diodes |
| Beschreibung | Adjustable Precision Zener Shunt Regulator |
| Seiten / Seite | 9 / 6 — ZHT431. Application Circuits. www.diodes.com |
| Dateiformat / Größe | PDF / 316 Kb |
| Dokumentensprache | Englisch |
ZHT431. Application Circuits. www.diodes.com

Modelllinie für dieses Datenblatt
Textversion des Dokuments
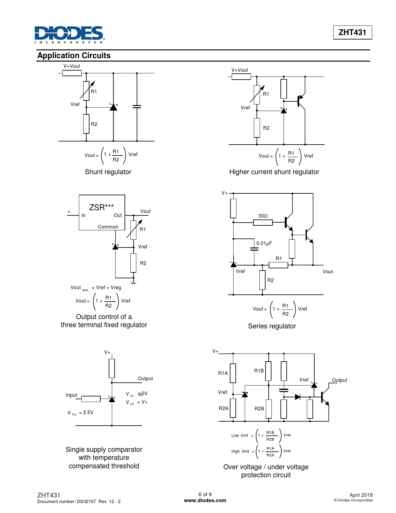
ZHT431 Application Circuits
V+Vout V+Vout R1 R1 Vref Vref R2 R2 R1 R1 Vout = 1 + Vref Vout = 1 + Vref R2 R2 Shunt regulator Higher current shunt regulator V+ ZSR*** + Vout In Out 30Ω Common R1 0.01µF Vref R1 R2 Vref Vout R2 Vout = Vref + Vreg M IN R1 Vout = 1 + Vref R2 R1 Vout = 1 + Vref R2 Output control of a three terminal fixed regulator Series regulator V+ V+ R1B R1A Output Vref Output Vref Input V 2V on V = V+ off R2A R2B V = 2.5V TH R1B Low limit = 1 + Vref R2B R1A Single supply comparator High limit = 1 + Vref R2A with temperature compensated threshold Over voltage / under voltage protection circuit ZHT431 6 of 9 April 2018 Document number: DS32157 Rev. 12 - 2
www.diodes.com
© Diodes Incorporated