Datasheet L9848 (STMicroelectronics) - 6
| Hersteller | STMicroelectronics |
| Beschreibung | Octal Configurable Low/High Side Driver |
| Seiten / Seite | 27 / 6 — Block diagram and pin description. L9848. Figure 1. Block diagram. SPI. … |
| Dateiformat / Größe | PDF / 325 Kb |
| Dokumentensprache | Englisch |
Block diagram and pin description. L9848. Figure 1. Block diagram. SPI. ate. Interface. Figure 2. Pin connection (top view)

Modelllinie für dieses Datenblatt
Textversion des Dokuments
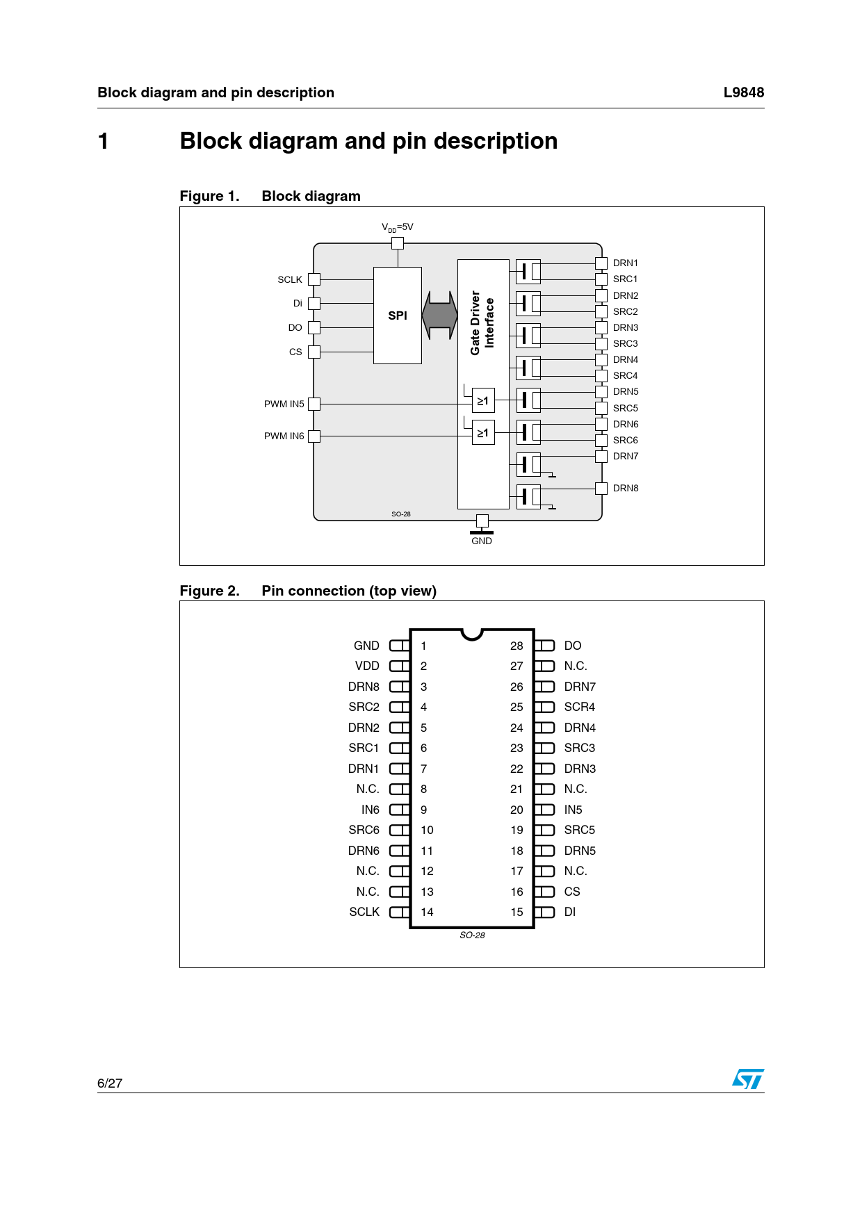
Block diagram and pin description L9848 1 Block diagram and pin description Figure 1. Block diagram
V =5V DD DRN1 SCLK SRC1
er
DRN2 Di
iv
SRC2
SPI
DO
Dr
DRN3
ate Interface
SRC3 CS
G
DRN4 SRC4 DRN5 PWM IN5
1
SRC5 DRN6 PWM IN6
1
SRC6 DRN7 DRN8 SO-28 Prepared by G. Bober, July 5, 2001 System Competence Center Automotive Page 9 Automotive Business Unit Europe GND
Figure 2. Pin connection (top view)
GND 1 28 DO VDD 2 27 N.C. DRN8 3 26 DRN7 SRC2 4 25 SCR4 DRN2 5 24 DRN4 SRC1 6 23 SRC3 DRN1 7 22 DRN3 N.C. 8 21 N.C. IN6 9 20 IN5 SRC6 10 19 SRC5 DRN6 11 18 DRN5 N.C. 12 17 N.C. N.C. 13 16 CS SCLK 14 15 DI SO-28 6/27 Document Outline Table 1. Device summary 1 Block diagram and pin description Figure 1. Block diagram Figure 2. Pin connection (top view) Table 2. Pin description 2 Electrical specifications 2.1 Absolute maximum ratings Table 3. Absolute maximum ratings 2.2 Operation conditions Table 4. Operation conditions 2.3 Thermal data Table 5. Thermal data 2.4 Electrical characteristcs 2.4.1 DC characteristics Table 6. Electrical characteristcs 2.4.2 AC characteristics Table 7. AC characteristics Figure 3. DO loading for disable time measurement Figure 4. Output loading for slew rate measurement Figure 5. Output turn on/off delays and slew rates Figure 6. SPI input/output slew ratest Figure 7. SPI timing diagram 3 Functional description 3.1 General features 3.2 Outputs - Common characteristics 3.2.1 Output 1-4 3.2.2 Output 5-6 3.2.3 Output7-8 3.3 Main power input (VDD) 3.4 Discrete inputs (IN5-6) 3.5 Serial peripheral interface (SPI) 3.5.1 Serial data output (DO) 3.5.2 Serial data input (DI) 3.5.3 Chip select (CS) 3.5.4 Serial clock (SCLK) 3.6 SPI DI input command register Table 8. Bit command register definition Table 9. Command register logic definition 3.7 Fault operation Table 10. Fault register definition Table 11. Fault logic definition 3.7.1 Initial fault register SPI Cycle 3.7.2 Incandescent lamp outputs 3.8 Configuration for Output1-6 3.8.1 Low side drivers 3.8.2 High side drivers 3.9 DRN1-6 susceptibility to negative voltage transients 3.10 Thermal shutdown 3.11 Charge pump usage 3.12 Waveshaping 3.13 POR register initialization 3.14 Abnormal voltage conditions 3.14.1 Reverse Battery 3.14.2 Maximum negative transients 3.14.3 Ground offsets 3.14.4 Loss of ground operation 4 Functional block diagram Figure 8. L9848 with external components 5 Application examples Figure 9. L9848 as mirror axis control motor drivers Figure 10. L9848 as mirror motor and bulb driver Figure 11. L9848 as window lift relay and mirror motor driver Figure 12. L9848 as bipolar stepper motor driver Figure 13. L9848 driving approach for 3 bipolar stepper-motors in sequential mode for climate applications as window lift relay and mirror motor driver 6 Package information Figure 14. SO-28 mechanical data and package dimensions 7 Revision history Table 12. Document revision history