Datasheet SiC931 (Vishay) - 5

HerstellerVishay
Beschreibung4.5 V to 18 V Input, 20 A MicroBRICK DC/DC Regulator Module
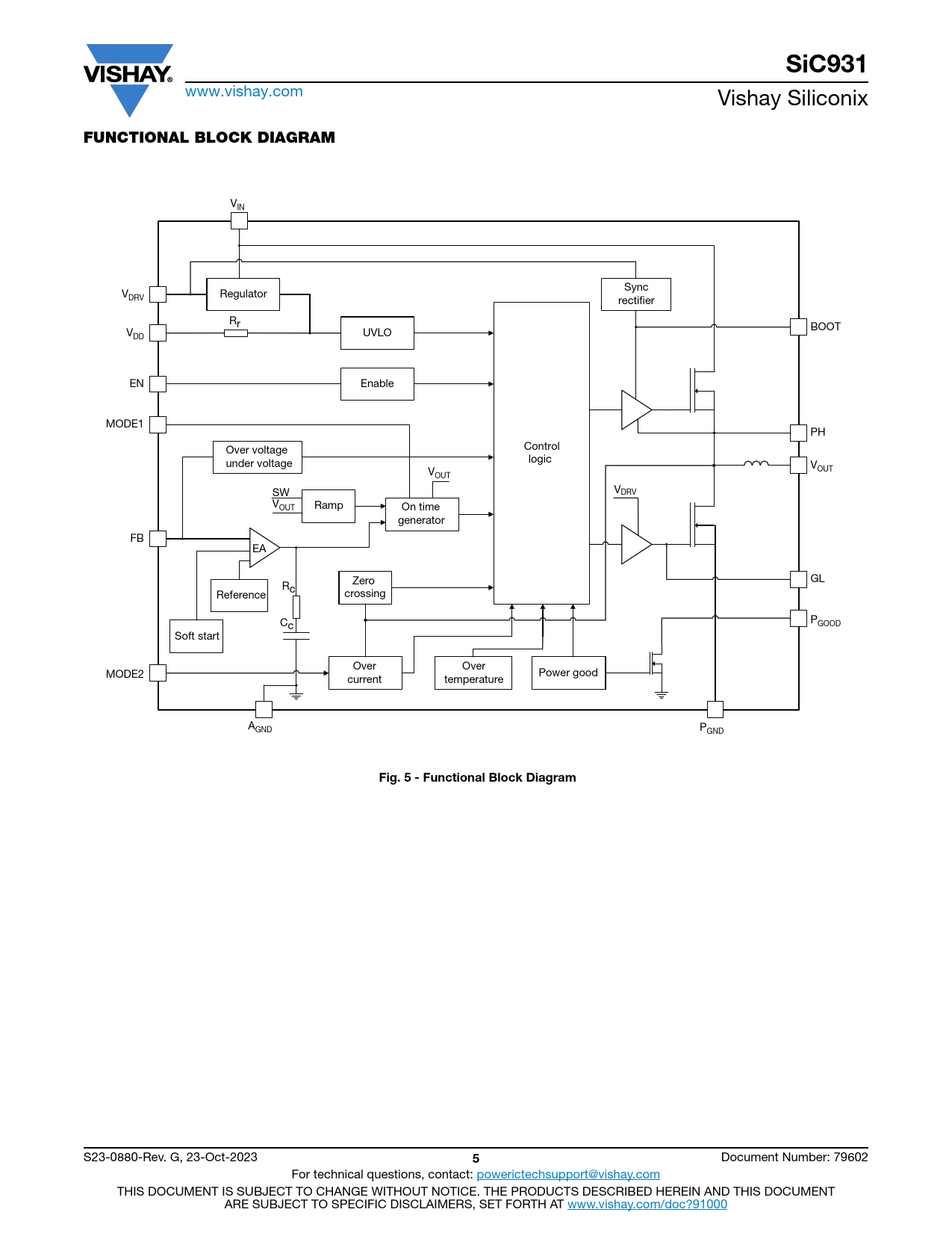
Seiten / Seite22 / 5 — SiC931. FUNCTIONAL BLOCK DIAGRAM. Fig. 5 - Functional Block Diagram
Dateiformat / GrößePDF / 3.6 Mb
DokumentenspracheEnglisch

SiC931. FUNCTIONAL BLOCK DIAGRAM. Fig. 5 - Functional Block Diagram

SiC931 FUNCTIONAL BLOCK DIAGRAM Fig 5 - Functional Block Diagram

Modelllinie für dieses Datenblatt

Textversion des Dokuments

SiC931
www.vishay.com Vishay Siliconix
FUNCTIONAL BLOCK DIAGRAM
VIN Sync V Regulator DRV rectifier Rr BOOT V UVLO DD EN Enable MODE1 PH Over voltage Control under voltage logic VOUT VOUT SW VDRV VOUT Ramp On time generator FB EA Zero GL Rc Reference crossing P C GOOD c Soft start Over Over Power good MODE2 current temperature AGND PGND
Fig. 5 - Functional Block Diagram
S23-0880-Rev. G, 23-Oct-2023
5
Document Number: 79602 For technical questions, contact: powerictechsupport@vishay.com THIS DOCUMENT IS SUBJECT TO CHANGE WITHOUT NOTICE. THE PRODUCTS DESCRIBED HEREIN AND THIS DOCUMENT ARE SUBJECT TO SPECIFIC DISCLAIMERS, SET FORTH AT www.vishay.com/doc?91000