Datasheet AH3975Q, AH3976Q, AH3977Q, AH3978Q (Diodes) - 2
| Hersteller | Diodes |
| Beschreibung | Automotive Dual Hall Effect Latch with Speed & Direction Outputs Integrated Self-diagnostics |
| Seiten / Seite | 18 / 2 — AH3975Q/AH3976Q/AH3977Q/AH3978Q. Typical Applications Circuit. AH397xQ. … |
| Dateiformat / Größe | PDF / 1.2 Mb |
| Dokumentensprache | Englisch |
AH3975Q/AH3976Q/AH3977Q/AH3978Q. Typical Applications Circuit. AH397xQ. Pin Descriptions. Package: TSOT25 (Type A1). Pin Number

Modelllinie für dieses Datenblatt
Textversion des Dokuments
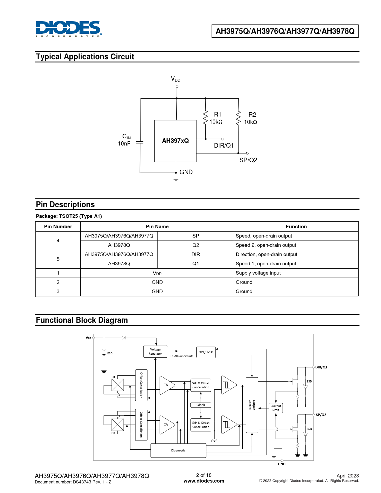
AH3975Q/AH3976Q/AH3977Q/AH3978Q Typical Applications Circuit
VDD R1 R2 10kΩ 10kΩ CIN
AH397xQ
10nF DIR/Q1 SP/Q2 GND
Pin Descriptions Package: TSOT25 (Type A1) Pin Number Pin Name Function
AH3975Q/AH3976Q/AH3977Q SP Speed, open-drain output 4 AH3978Q Q2 Speed 2, open-drain output AH3975Q/AH3976Q/AH3977Q DIR Direction, open-drain output 5 AH3978Q Q1 Speed 1, open-drain output 1 VDD Supply voltage input 2 GND Ground 3 GND Ground
Functional Block Diagram VDD
Voltage ESD Regulator OPT/UVLO To All Subcircuits
DIR/Q1
O ffs
H1
et Ca ESD n S/H & Offset c IA el Cancellation lation C O o u n t Clock t p ro u Current l t O Limit ffse
SP/Q2
t Can S/H & Offset c IA el Cancellation la ESD t
H2
ion Vref Diagnostic
GND
AH3975Q/AH3976Q/AH3977Q/AH3978Q 2 of 18 April 2023 Document number: DS43743 Rev. 1 - 2
www.diodes.com
© 2023 Copyright Diodes Incorporated. All Rights Reserved.