Datasheet SPSB081 (STMicroelectronics) - 4
| Hersteller | STMicroelectronics |
| Beschreibung | Automotive Power Management IC with LIN and CAN-FD |
| Seiten / Seite | 137 / 4 — SPSB081. Block diagram. Figure 2. Functional block diagram of SPSB081C5 … |
| Dateiformat / Größe | PDF / 2.8 Mb |
| Dokumentensprache | Englisch |
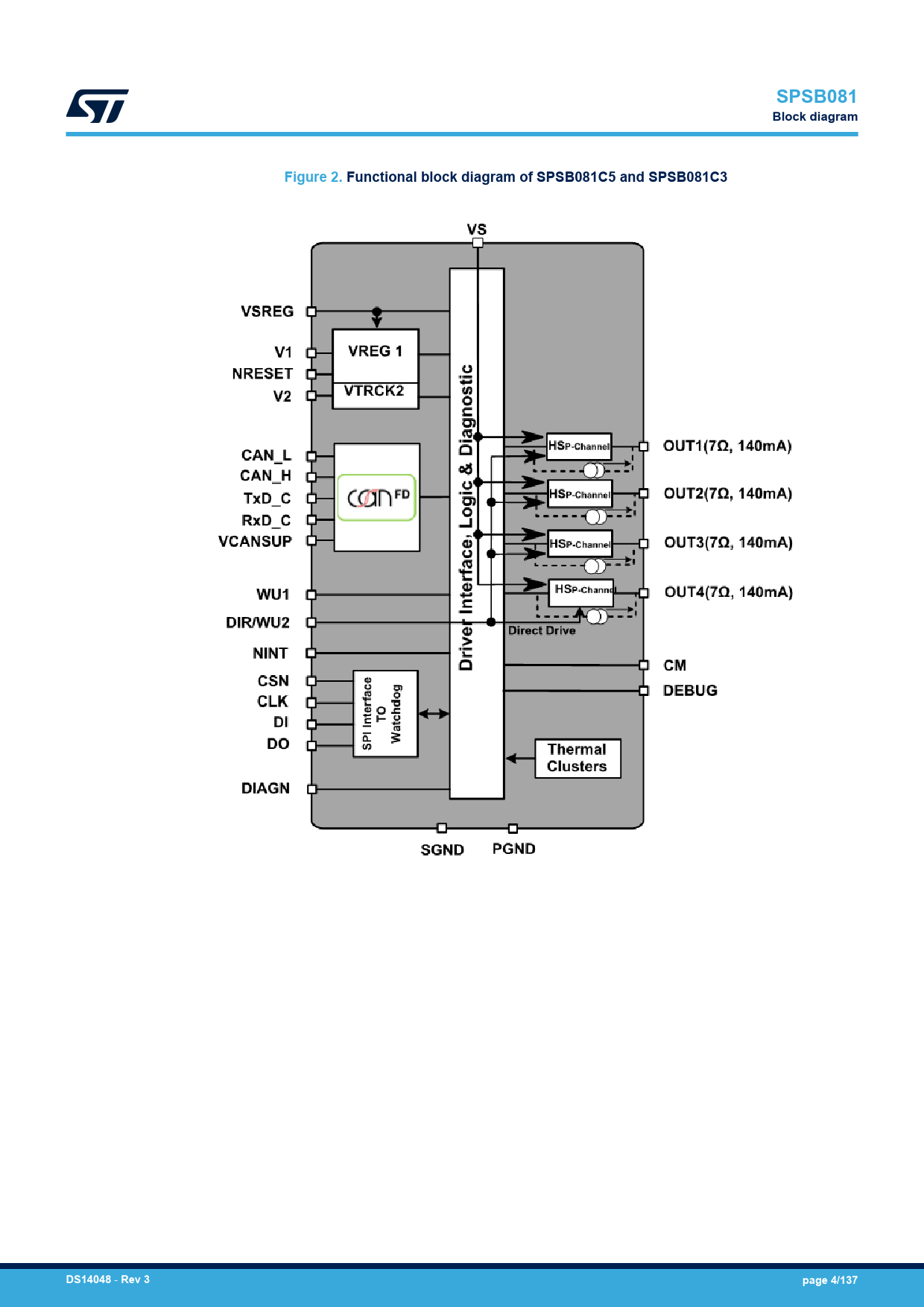
SPSB081. Block diagram. Figure 2. Functional block diagram of SPSB081C5 and SPSB081C3. DS14048. Rev 3. page 4/137

Modelllinie für dieses Datenblatt
Textversion des Dokuments
SPSB081 Block diagram Figure 2. Functional block diagram of SPSB081C5 and SPSB081C3 DS14048
-
Rev 3 page 4/137
Document Outline Device summary Features Applications Description 1 Block diagram and pin description 1.1 Block diagram 1.2 Pin description 2 Maximum ratings 2.1 Operating range 2.1.1 Supply voltage ranges 2.2 Absolute maximum ratings 2.3 Temperature ranges and thermal data 3 Functional description 3.1 Supply VS and VSREG 3.2 Voltage regulators 3.2.1 Voltage regulator: V1 3.2.2 Voltage regulator: V2 3.2.3 Voltage regulator failure 3.2.4 Short to ground detection 3.2.5 Voltage regulator behavior 3.3 Operating modes 3.3.1 Active mode 3.3.2 SW-debug mode 3.3.3 V1_standby mode 3.3.4 Interrupt 3.3.5 VBAT_standby mode 3.4 Wake-up from standby modes 3.4.1 Wake-up inputs 3.5 Functional overview (truth table) 3.6 Configurable window watchdog 3.6.1 Change watchdog timing 3.7 Fail safe mode 3.7.1 Temporary failures 3.7.2 Non recoverable failures - Forced in VBAT_standby mode 3.8 Reset output (NRESET) 3.9 DIAGN output 3.10 V1 overvoltage detection 3.11 LIN bus interfaces (only for SPSB0815 and SPSB0813) 3.11.1 Features 3.11.2 Error handling 3.11.2.1 Dominant TXD_L time out 3.11.2.2 Permanent recessive 3.11.2.3 Permanent dominant 3.11.3 Wake-up from standby modes 3.11.3.1 Pattern wake-up (default) 3.11.3.2 Status change wake-up - Recessive-to-dominant 3.11.3.3 Status change wake-up - Dominant-to-recessive 3.12 CAN FD bus transceiver 3.12.1 Features 3.12.2 CAN transceiver supply 3.12.3 CAN transceiver operating modes 3.12.4 CAN error handling 3.12.4.1 Dominant TXDC time out 3.12.4.2 CAN bus permanent recessive 3.12.4.3 CAN Permanent dominant 3.12.4.4 RXDC permanent recessive 3.12.5 Wake-up by CAN 3.12.6 CAN receive only mode 3.12.7 CAN looping mode 3.13 Power supply fail 3.13.1 VS supply failure 3.13.2 VSREG supply failure 3.14 Thermal state machine 3.15 Power outputs OUT1..4 3.16 Open-load detection 3.17 Overcurrent detection 3.18 Current monitor 3.19 Constant current mode 3.20 Temperature warning and shutdown 3.21 Thermal clusters 3.22 Functional safety management 4 Serial peripheral interface (SPI) 4.1 ST-SPI 4.1.1 Physical layer 4.2 Signal description 4.2.1 Clock and data characteristics 4.2.2 Communication protocol 4.2.2.1 SDI frame 4.2.2.2 Operating code 4.2.2.3 Advanced operation codes 4.2.2.4 Data-in payload 4.2.2.5 SDO frame 4.2.2.6 Global status byte (GSB) 4.2.2.7 Data-out payload 4.3 Address definition 4.3.1 Information registers 4.3.1.1 Device identification registers 4.3.1.2 SPI modes 4.3.1.3 SPI burst read 4.3.1.4 SPI data length 4.3.2 Device application registers (RAM) 4.4 Protocol failure detection 4.4.1 Clock monitor 4.4.2 SCK polarity (CPOL) check 4.4.3 SCK phase (CPHA) check 4.4.4 CSN timeout 4.4.5 SDI stuck at GND 4.4.6 SDI stuck at HIGH 4.4.7 SDO stuck at GND and HIGH 5 Electrical characteristics 5.1 Oscillator 5.2 Power-on reset (VSREG) 5.3 Voltage regulator V1 5.4 Voltage regulator V2 5.5 Reset output 5.6 DIAGN output 5.7 Watchdog 5.8 Current monitor output (CM) 5.9 Outputs OUT1..OUT4 5.10 Power outputs switching times 5.11 Output current threshold 5.12 Wake-up inputs (WU1, DIR/WU2) 5.13 CAN FD transceiver 5.14 LIN transceiver (only for SPSB0815 and SPSB0813) 5.15 SPI 5.16 Debug input 5.17 Interrupt output 5.18 Timer1 and Timer2 5.19 SGND loss comparator 6 Application 7 SPI registers 7.1 Global status byte (GSB) 7.2 Control registers overview 7.3 Status register overview 7.4 Control registers 7.5 Status registers 8 Package information 8.1 QFN32L Epad (5.0x5.0x1.0 mm) package information Revision history