Datasheet NC7SP14 (ON Semiconductor) - 6
| Hersteller | ON Semiconductor |
| Beschreibung | TinyLogic ULP-A Inverter with Schmitt-Trigger Input |
| Seiten / Seite | 10 / 6 — NC7SP14. Test. Switch Position. Figure 3. Test Circuit. VCC, V. Vmi, V. … |
| Dateiformat / Größe | PDF / 351 Kb |
| Dokumentensprache | Englisch |
NC7SP14. Test. Switch Position. Figure 3. Test Circuit. VCC, V. Vmi, V. Vmo, V. VY, V. Figure 4. Switching Waveforms. www.onsemi.com

Modelllinie für dieses Datenblatt
Textversion des Dokuments
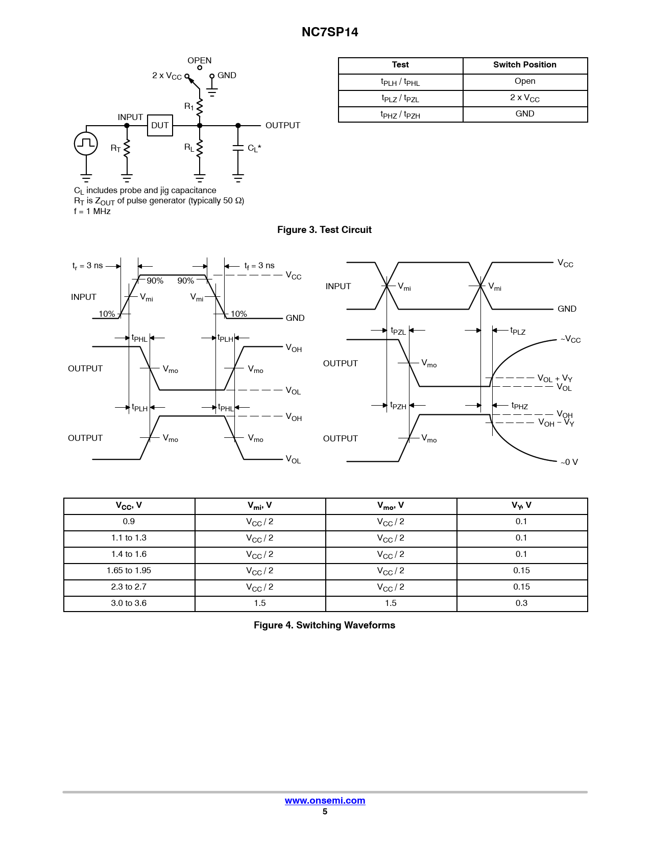
NC7SP14
OPEN
Test Switch Position
2 x VCC GND tPLH / tPHL Open tPLZ / tPZL 2 x VCC R1 INPUT tPHZ / tPZH GND DUT OUTPUT RT RL CL* CL includes probe and jig capacitance RT is ZOUT of pulse generator (typically 50 W) f = 1 MHz
Figure 3. Test Circuit
t V r = 3 ns tf = 3 ns CC V 90% 90% CC INPUT Vmi Vmi INPUT Vmi Vmi 10% 10% GND GND tPZL tPLZ tPHL tPLH ~VCC VOH OUTPUT V OUTPUT V mo mo Vmo VOL + VY V V OL OL t t PZH tPHZ PLH tPHL V V OH OH VOH − VY OUTPUT Vmo Vmo OUTPUT Vmo VOL ~0 V
VCC, V Vmi, V Vmo, V VY, V
0.9 VCC / 2 VCC / 2 0.1 1.1 to 1.3 VCC / 2 VCC / 2 0.1 1.4 to 1.6 VCC / 2 VCC / 2 0.1 1.65 to 1.95 VCC / 2 VCC / 2 0.15 2.3 to 2.7 VCC / 2 VCC / 2 0.15 3.0 to 3.6 1.5 1.5 0.3
Figure 4. Switching Waveforms www.onsemi.com 5