Datasheet AP43776Q (Diodes) - 3
| Hersteller | Diodes |
| Beschreibung | Automotive-Grade Dual-Channel USB Type-C Protocol Decoder |
| Seiten / Seite | 13 / 3 — AP43776Q. Typical Applications Circuit. 43776Q. DC/DC. (I2C-Based) |
| Dateiformat / Größe | PDF / 973 Kb |
| Dokumentensprache | Englisch |
AP43776Q. Typical Applications Circuit. 43776Q. DC/DC. (I2C-Based)

Modelllinie für dieses Datenblatt
Textversion des Dokuments
AP43776Q Typical Applications Circuit
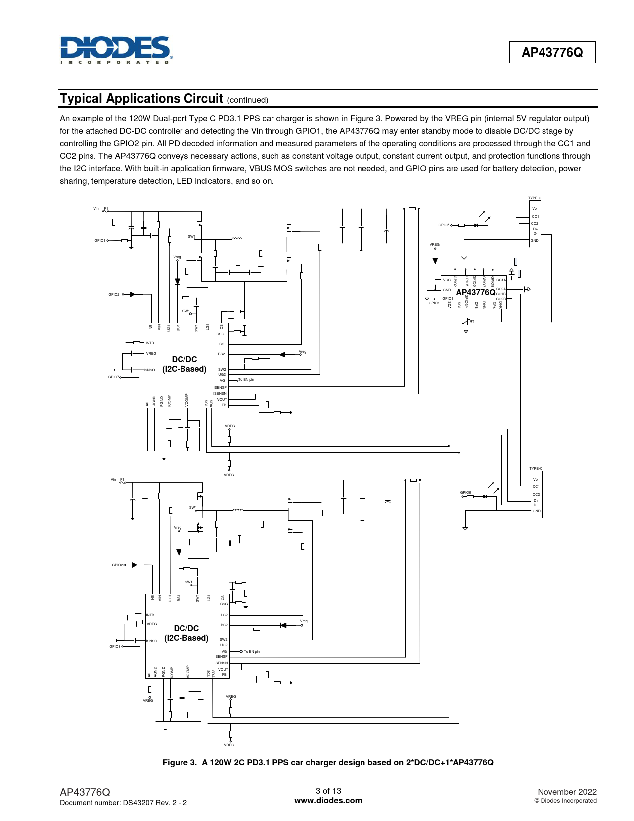
(continued) An example of the 120W Dual-port Type C PD3.1 PPS car charger is shown in Figure 3. Powered by the VREG pin (internal 5V regulator output) for the attached DC-DC controller and detecting the Vin through GPIO1, the AP43776Q may enter standby mode to disable DC/DC stage by controlling the GPIO2 pin. All PD decoded information and measured parameters of the operating conditions are processed through the CC1 and CC2 pins. The AP43776Q conveys necessary actions, such as constant voltage output, constant current output, and protection functions through the I2C interface. With built-in application firmware, VBUS MOS switches are not needed, and GPIO pins are used for battery detection, power sharing, temperature detection, LED indicators, and so on. TYPE-C Vin F1 Vo CC1 CC2 GPIO5 D+ D- SW1 GPIO1 GND VREG Vreg G G G G G P P P P P VCC I IO IO I I CC1A O O O 2 5 6 7 8 GND CC2A GPIO2
AP
G
43776Q
CC1B P GPIO1 S I S O D D C DC2B D GPIO1 D C 3 P N P N A L /4 B B A A SW1 E RT N 1 IN 1 1 1 S V G S W G C U B L S CSG INTB LG2 Vreg VREG BS2
DC/DC
ISNSO SW2
(I2C-Based)
UG2 GPIO7 VG To EN pin ISENSP ISENSN P D D P M N S S N M VOUT O 0 G C D G O C A A L A P IC V FB VREG TYPE-C VREG Vin F1 Vo CC1 GPIO6 CC2 D+ D- SW1 GND Vreg GPIO2 SW1 E N 1 1 1 1 IN S G S W G V C U B S L CSG INTB LG2 Vreg VREG BS2
DC/DC (I2C-Based)
SW2 ISNSO UG2 GPIO8 VG To EN pin ISENSP ISENSN P D D P M S S VOUT N N M O C D 0 G G O C L A FB A A P IC V VREG VREG VREG
Figure 3. A 120W 2C PD3.1 PPS car charger design based on 2*DC/DC+1*AP43776Q
AP43776Q 3 of 13 November 2022 Document number: DS43207 Rev. 2 - 2
www.diodes.com
© Diodes Incorporated