Datasheet BM2P139TF, BM2P135TF, BM2P137TKF, BM2P129TF (Rohm) - 9
| Hersteller | Rohm |
| Beschreibung | PWM type DC/DC converter IC Integrated Switching MOSFET for non-Isolated type |
| Seiten / Seite | 24 / 9 — BM2P139TF/BM2P135TF/BM2P137TKF/BM2P129TF. (4) Start circuit. … |
| Dateiformat / Größe | PDF / 1.1 Mb |
| Dokumentensprache | Englisch |
BM2P139TF/BM2P135TF/BM2P137TKF/BM2P129TF. (4) Start circuit. SZ02201-0F1F0A200260-1-2. 17.Apr.2017.Rev.002

Modelllinie für dieses Datenblatt
Textversion des Dokuments
BM2P139TF/BM2P135TF/BM2P137TKF/BM2P129TF
Datasheet Datasheet
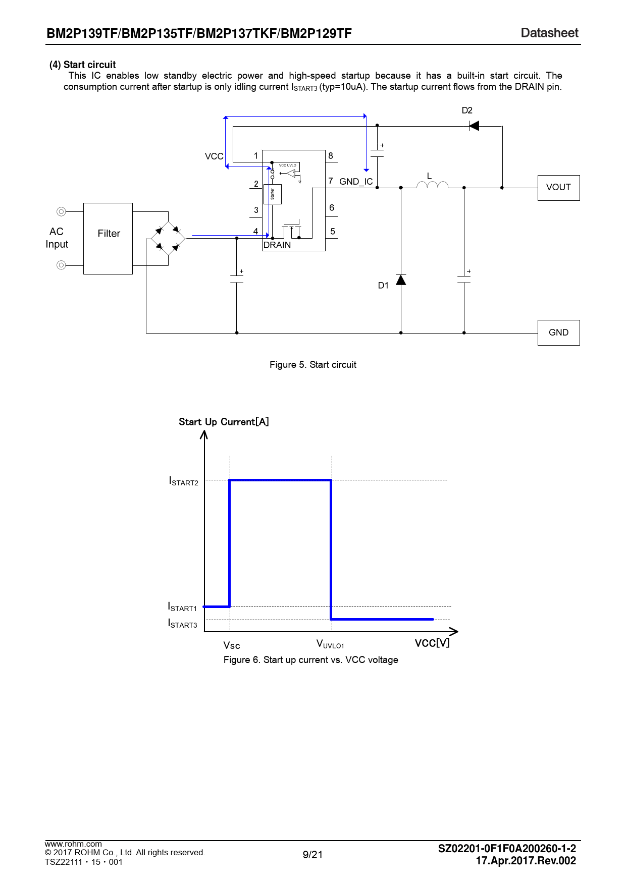
(4) Start circuit
This IC enables low standby electric power and high-speed startup because it has a built-in start circuit. The consumption current after startup is only idling current ISTART3 (typ=10uA). The startup current flows from the DRAIN pin. r rte a St Figure 5. Start circuit ISTART2 ISTART1 ISTART3 Vsc VUVLO1 Figure 6. Start up current vs. VCC voltage www.rohm.com © 2017 ROHM Co., Ltd. All rights reserved. 9/21
SZ02201-0F1F0A200260-1-2
TSZ22111・15・001
17.Apr.2017.Rev.002
Document Outline BM2P135TF_BM2P137TKF_BM2P139TF_BM2P129PF(E)_verB Notice-PGA-E