Datasheet CA3080, CA3080A (Intersil) - 4

HerstellerIntersil
Beschreibung2MHz, Operational Transconductance Amplifier (OTA)
Seiten / Seite11 / 4 — Typical Applications. (Continued). 20pF. 8.2k. THRESHOLD. +7.5V. BUFFER …
Dateiformat / GrößePDF / 1.2 Mb
DokumentenspracheEnglisch

Typical Applications. (Continued). 20pF. 8.2k. THRESHOLD. +7.5V. BUFFER VOLTAGE. CENTERING. DETECTOR. FOLLOWER. 100k. -7.5V. VOLTAGE-CONTROLLED

Typical Applications (Continued) 20pF 8.2k THRESHOLD +7.5V BUFFER VOLTAGE CENTERING DETECTOR FOLLOWER 100k -7.5V VOLTAGE-CONTROLLED

Modelllinie für dieses Datenblatt

Textversion des Dokuments

CA3080, CA3080A
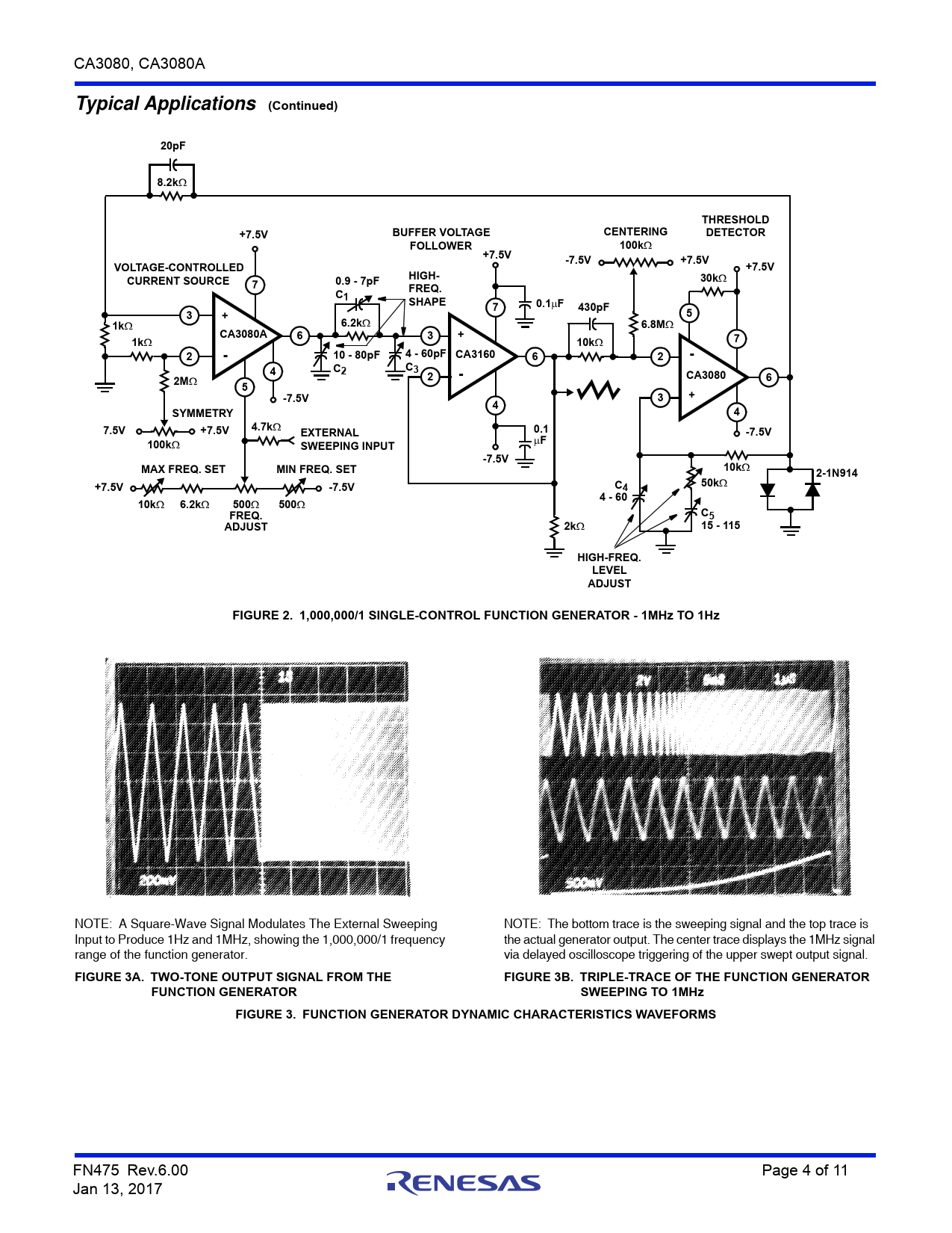
Typical Applications (Continued) 20pF 8.2k THRESHOLD +7.5V BUFFER VOLTAGE CENTERING DETECTOR FOLLOWER 100k +7.5V -7.5V +7.5V VOLTAGE-CONTROLLED +7.5V CURRENT SOURCE HIGH- 30k 7 0.9 - 7pF C FREQ. 1 SHAPE 7 0.1

F 430pF 3 5 + 1k 6.2k 6.8M CA3080A 6 3 + 7 1k 10k 2 - 10 - 80pF 4 - 60pF CA3160 6 2 - 4 C2 C3 2 - CA3080 6 2M 5 -7.5V 3 + 4 SYMMETRY 4 7.5V +7.5V 4.7k EXTERNAL 0.1 -7.5V 100k

SWEEPING INPUT F -7.5V MAX FREQ. SET MIN FREQ. SET 10k 2-1N914 +7.5V -7.5V C 50k 4 4 - 60 10k 6.2k 500 500 C FREQ. 5 ADJUST 2k 15 - 115 HIGH-FREQ. LEVEL ADJUST FIGURE 2. 1,000,000/1 SINGLE-CONTROL FUNCTION GENERATOR - 1MHz TO 1Hz
NOTE: A Square-Wave Signal Modulates The External Sweeping NOTE: The bottom trace is the sweeping signal and the top trace is Input to Produce 1Hz and 1MHz, showing the 1,000,000/1 frequency the actual generator output. The center trace displays the 1MHz signal range of the function generator. via delayed oscilloscope triggering of the upper swept output signal.
FIGURE 3A. TWO-TONE OUTPUT SIGNAL FROM THE FIGURE 3B. TRIPLE-TRACE OF THE FUNCTION GENERATOR FUNCTION GENERATOR SWEEPING TO 1MHz FIGURE 3. FUNCTION GENERATOR DYNAMIC CHARACTERISTICS WAVEFORMS
FN475 Rev.6.00 Page 4 of 11 Jan 13, 2017