Datasheet ADG701L, ADG702L (Analog Devices) - 8
| Hersteller | Analog Devices | 
| Beschreibung | CMOS Low Voltage, 2 Ω SPST Switches | 
| Seiten / Seite | 12 / 8 — ADG701L/ADG702L. Data Sheet. TEST CIRCUITS. IDS. IS (OFF). ID (OFF). RON … | 
| Revision | A | 
| Dateiformat / Größe | PDF / 300 Kb | 
| Dokumentensprache | Englisch | 
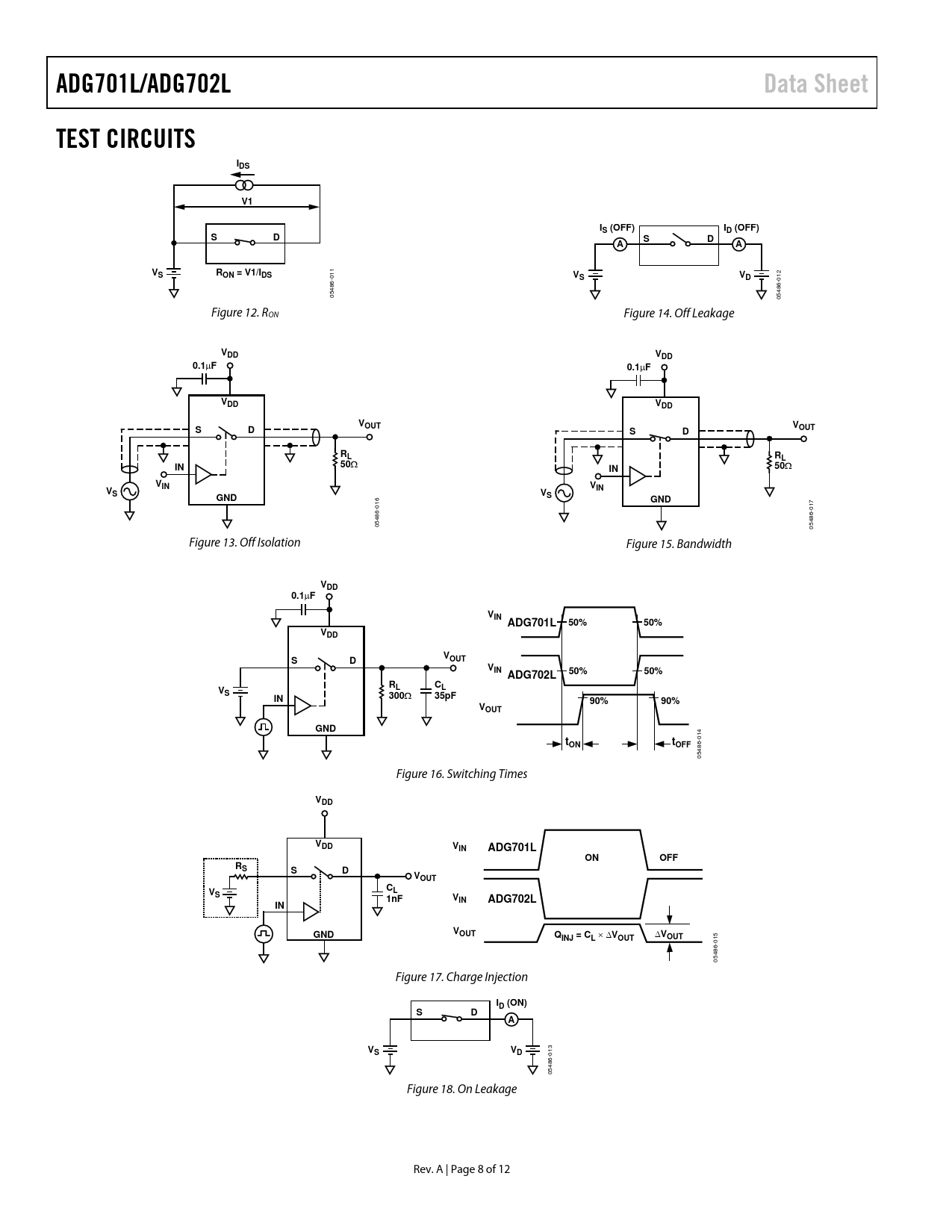
ADG701L/ADG702L. Data Sheet. TEST CIRCUITS. IDS. IS (OFF). ID (OFF). RON = V1/IDS. VDD. 0.1. VOUT. OUT. VIN. GND. VIN ADG701L 50%. 50%

Modelllinie für dieses Datenblatt
Textversion des Dokuments
ADG701L/ADG702L Data Sheet TEST CIRCUITS IDS V1 IS (OFF) ID (OFF) S D S D A A VS RON = V1/IDS V
-011
S VD
-012 05486 05486 Figure 12. RON Figure 14. Off Leakage
VDD VDD 0.1
µ
F 0.1
µ
F VDD VDD VOUT V S D OUT S D RL RL 50
Ω
IN 50
Ω
IN VIN V V IN S V GND S GND
-016 -017 05486 05486 Figure 13. Off Isolation Figure 15. Bandwidth
VDD 0.1
µ
F VIN ADG701L 50% 50% VDD V S D OUT VIN ADG702L 50% 50% RL CL VS IN 300
Ω
35pF 90% 90% VOUT GND t
-014
ON tOFF
05486 Figure 16. Switching Times
VDD VDD VIN ADG701L ON OFF RS S D VOUT CL VS 1nF VIN ADG702L IN V GND OUT Q
× ∆
V
∆
V INJ = CL OUT OUT
-015 05486 Figure 17. Charge Injection
ID (ON) S D A VS VD
-013 05486 Figure 18. On Leakage Rev. A | Page 8 of 12 Document Outline Features Applications General Description Functional Block Diagrams Product Highlights Revision History Specifications Absolute Maximum Ratings ESD Caution Pin Configurations and Function Descriptions Typical Performance Characteristics Test Circuits Terminology Applications Information Supply Voltages Bandwidth Off Isolation Outline Dimensions Ordering Guide