Datasheet ADG601, ADG602 (Analog Devices) - 10

HerstellerAnalog Devices
Beschreibung2 Ω, CMOS, ±5 V/+5 V SPST Switches
Seiten / Seite12 / 10 — ADG601/ADG602. Data Sheet. TEST CIRCUITS. IDS. S (OFF). ID (OFF). D (ON). …
RevisionD
Dateiformat / GrößePDF / 206 Kb
DokumentenspracheEnglisch

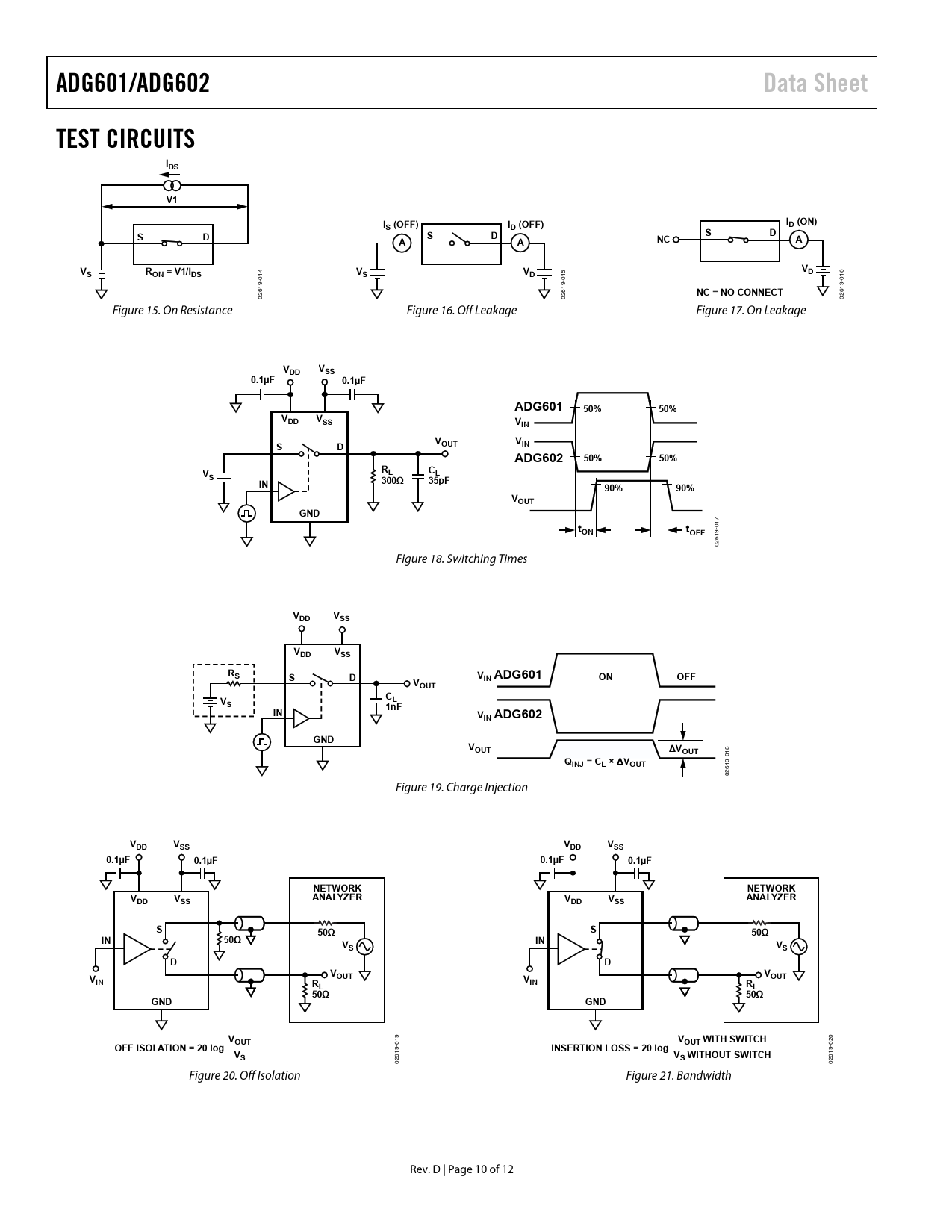
ADG601/ADG602. Data Sheet. TEST CIRCUITS. IDS. S (OFF). ID (OFF). D (ON). RON = V1/IDS. NC = NO CONNECT. VDD. VSS. 0.1µF. ADG601. 50%. VIN. OUT. ADG602

ADG601/ADG602 Data Sheet TEST CIRCUITS IDS S (OFF) ID (OFF) D (ON) RON = V1/IDS NC = NO CONNECT VDD VSS 0.1µF ADG601 50% VIN OUT ADG602

Modelllinie für dieses Datenblatt

Textversion des Dokuments

ADG601/ADG602 Data Sheet TEST CIRCUITS IDS V1 I I S (OFF) ID (OFF) D (ON) S D S D S D A A NC A V V S RON = V1/IDS
4
VS VD D
15 16 -01 0 0 9- 19 19- 61 26 26
NC = NO CONNECT
0 0 02 Figure 15. On Resistance Figure 16. Off Leakage Figure 17. On Leakage
VDD VSS 0.1µF 0.1µF ADG601 50% 50% VDD VSS VIN V V S D OUT IN ADG602 50% 50% V RL C S L IN 300Ω 35pF 90% 90% VOUT GND
7
t
01
ON tOFF
9-61 02 Figure 18. Switching Times
VDD VSS VDD VSS RS S D V ON OFF V IN ADG601 OUT C V L S 1nF IN VIN ADG602 GND VOUT ∆VOUT
8
Q
-01
INJ = CL × ∆VOUT
19 026 Figure 19. Charge Injection
VDD VSS VDD VSS 0.1µF 0.1µF 0.1µF 0.1µF NETWORK NETWORK V ANALYZER V ANALYZER DD VSS DD VSS S 50Ω S 50Ω IN 50Ω V IN S VS D D V V V OUT OUT IN R V L IN RL 50Ω 50Ω GND GND V
9 0
OUT V
01
OUT WITH SWITCH
02
OFF ISOLATION = 20 log
9-
INSERTION LOSS = 20 log
9-
VS
61
VS WITHOUT SWITCH
61 02 02 Figure 20. Off Isolation Figure 21. Bandwidth Rev. D | Page 10 of 12 Document Outline FEATURES APPLICATIONS FUNCTIONAL BLOCK DIAGRAMS GENERAL DESCRIPTION PRODUCT HIGHLIGHTS TABLE OF CONTENTS REVISION HISTORY SPECIFICATIONS DUAL SUPPLY SINGLE SUPPLY ABSOLUTE MAXIMUM RATINGS ESD CAUTION PIN CONFIGURATIONS AND FUNCTION DESCRIPTIONS TYPICAL PERFORMANCE CHARACTERISTICS TERMINOLOGY TEST CIRCUITS OUTLINE DIMENSIONS ORDERING GUIDE