Datasheet NCP502, NCV502 (ON Semiconductor) - 8
| Hersteller | ON Semiconductor |
| Beschreibung | Voltage Regulator - CMOS Low Iq, Low-Dropout 80 mA |
| Seiten / Seite | 10 / 8 — PACKAGE DIMENSIONS. SC−88A (SC−70−5/SOT−353). SCALE 2:1. −B−. INCHES. … |
| Revision | 21 |
| Dateiformat / Größe | PDF / 285 Kb |
| Dokumentensprache | Englisch |
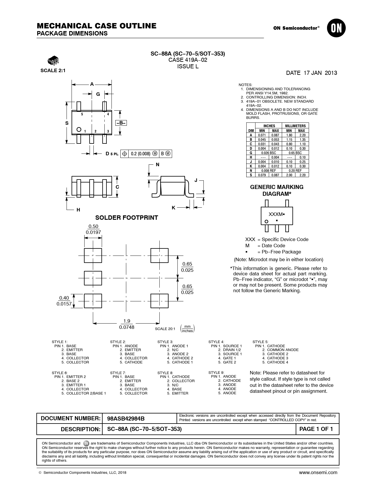
PACKAGE DIMENSIONS. SC−88A (SC−70−5/SOT−353). SCALE 2:1. −B−. INCHES. MILLIMETERS. DIM. MIN. MAX. D 5 PL. GENERIC MARKING. DIAGRAM*

Modelllinie für dieses Datenblatt
Textversion des Dokuments
MECHANICAL CASE OUTLINE
PACKAGE DIMENSIONS SC−88A (SC−70−5/SOT−353)
CASE 419A−02 ISSUE L
SCALE 2:1
DATE 17 JAN 2013
A
NOTES: 1. DIMENSIONING AND TOLERANCING PER ANSI Y14.5M, 1982.
G
2. CONTROLLING DIMENSION: INCH. 3. 419A−01 OBSOLETE. NEW STANDARD 419A−02. 4. DIMENSIONS A AND B DO NOT INCLUDE
5 4
MOLD FLASH, PROTRUSIONS, OR GATE BURRS.
S −B− INCHES MILLIMETERS DIM MIN MAX MIN MAX 1 2 3 A
0.071 0.087 1.80 2.20
B
0.045 0.053 1.15 1.35
C
0.031 0.043 0.80 1.10
D
0.004 0.012 0.10 0.30
D 5 PL
M
G
0.026 BSC 0.65 BSC 0.2 (0.008) M B
H
--- 0.004 --- 0.10
J
0.004 0.010 0.10 0.25
N K
0.004 0.012 0.10 0.30
N
0.008 REF 0.20 REF
S
0.079 0.087 2.00 2.20
J C GENERIC MARKING DIAGRAM* H K
XXXMG
SOLDER FOOTPRINT
G 0.50 0.0197 XXX = Specific Device Code M = Date Code G = Pb−Free Package (Note: Microdot may be in either location) 0.65 0.025 *This information is generic. Please refer to device data sheet for actual part marking. Pb−Free indicator, “G” or microdot “G”, may 0.65 or may not be present. Some products may 0.025 not follow the Generic Marking. 0.40 0.0157 1.9 0.0748 SCALE 20:1 ǒ mm Ǔ inches STYLE 1: STYLE 2: STYLE 3: STYLE 4: STYLE 5: PIN 1. BASE PIN 1. ANODE PIN 1. ANODE 1 PIN 1. SOURCE 1 PIN 1. CATHODE 2. EMITTER 2. EMITTER 2. N/C 2. DRAIN 1/2 2. COMMON ANODE 3. BASE 3. BASE 3. ANODE 2 3. SOURCE 1 3. CATHODE 2 4. COLLECTOR 4. COLLECTOR 4. CATHODE 2 4. GATE 1 4. CATHODE 3 5. COLLECTOR 5. CATHODE 5. CATHODE 1 5. GATE 2 5. CATHODE 4 STYLE 6: STYLE 7: STYLE 8: STYLE 9: Note: Please refer to datasheet for PIN 1. EMITTER 2 PIN 1. BASE PIN 1. CATHODE PIN 1. ANODE 2. BASE 2 2. EMITTER 2. COLLECTOR 2. CATHODE style callout. If style type is not called 3. EMITTER 1 3. BASE 3. N/C 3. ANODE out in the datasheet refer to the device 4. COLLECTOR 4. COLLECTOR 4. BASE 4. ANODE 5. COLLECTOR 2/BASE 1 5. COLLECTOR 5. EMITTER 5. ANODE datasheet pinout or pin assignment.
DOCUMENT NUMBER: 98ASB42984B
Electronic versions are uncontrolled except when accessed directly from the Document Repository. Printed versions are uncontrolled except when stamped “CONTROLLED COPY” in red.
DESCRIPTION: SC−88A (SC−70−5/SOT−353) PAGE 1 OF 1
ON Semiconductor and are trademarks of Semiconductor Components Industries, LLC dba ON Semiconductor or its subsidiaries in the United States and/or other countries. ON Semiconductor reserves the right to make changes without further notice to any products herein. ON Semiconductor makes no warranty, representation or guarantee regarding the suitability of its products for any particular purpose, nor does ON Semiconductor assume any liability arising out of the application or use of any product or circuit, and specifically disclaims any and all liability, including without limitation special, consequential or incidental damages. ON Semiconductor does not convey any license under its patent rights nor the rights of others. © Semiconductor Components Industries, LLC, 2018 www.onsemi.com