Datasheet LM73100 (Texas Instruments) - 49

HerstellerTexas Instruments
Beschreibung2.7 -23 V, 5.5 A Integrated Ideal Diode with Input Reverse Polarity and Overvoltage Protection
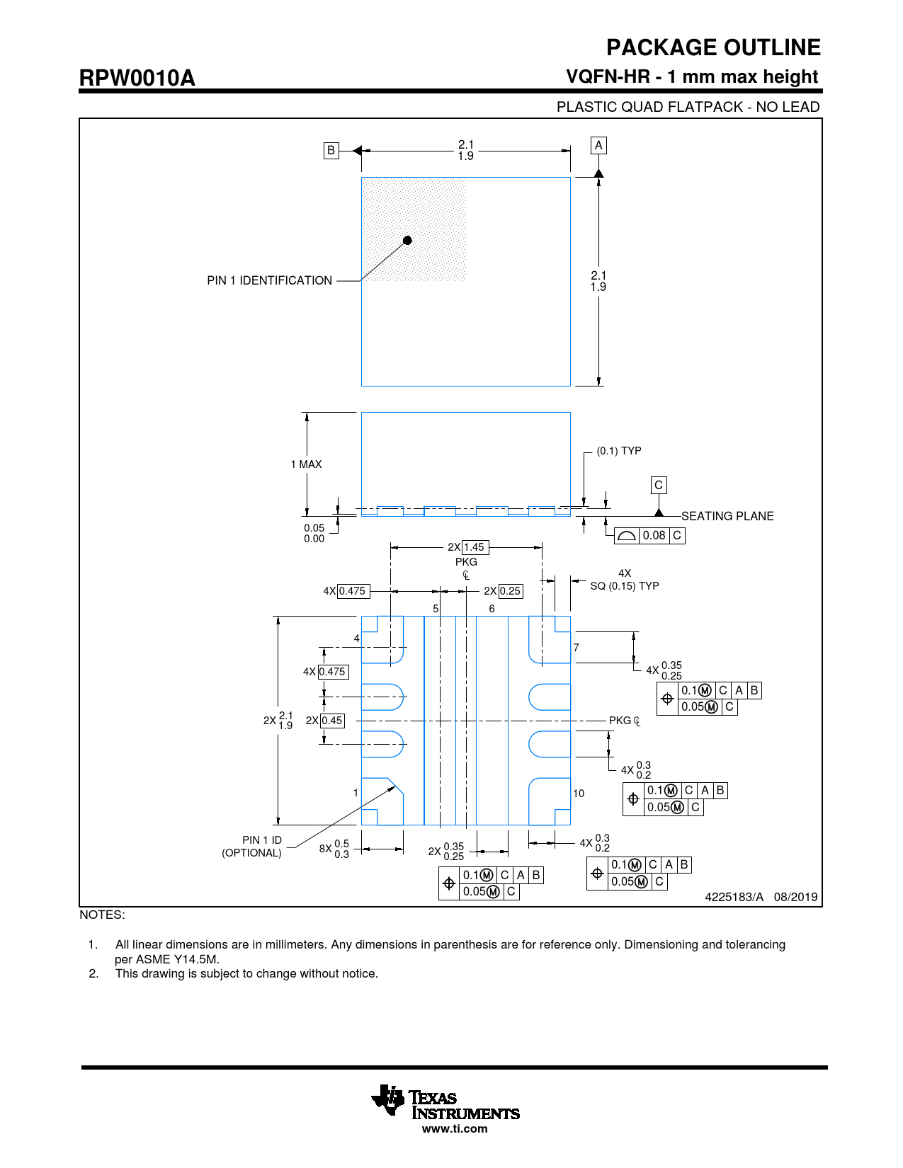
Seiten / Seite52 / 49 — PACKAGE OUTLINE. RPW0010A. VQFN-HR - 1 mm max height. www.ti.com
Dateiformat / GrößePDF / 5.1 Mb
DokumentenspracheEnglisch

PACKAGE OUTLINE. RPW0010A. VQFN-HR - 1 mm max height. www.ti.com

PACKAGE OUTLINE RPW0010A VQFN-HR - 1 mm max height www.ti.com

Modelllinie für dieses Datenblatt

Textversion des Dokuments

PACKAGE OUTLINE RPW0010A VQFN-HR - 1 mm max height
PLASTIC QUAD FLATPACK - NO LEAD 2.1 A B 1.9 PIN 1 IDENTIFICATION 2.1 1.9 (0.1) TYP 1 MAX C SEATING PLANE 0.05 0.08 C 0.00 2X 1.45 PKG 4X SQ (0.15) TYP 4X 0.475 2X 0.25 5 6 4 7 0.35 4X 0.475 4X 0.25 0.1 C A B 0.05 C 2.1 2X 2X 0.45 PKG 1.9 0.3 4X 0.2 0.1 C A B 1 10 0.05 C PIN 1 ID 0.3 0.5 4X 0.35 (OPTIONAL) 8X 0.2 2X 0.3 0.25 0.1 C A B 0.1 C A B 0.05 C 0.05 C 4225183/A 08/2019 NOTES: 1. All linear dimensions are in millimeters. Any dimensions in parenthesis are for reference only. Dimensioning and tolerancing per ASME Y14.5M. 2. This drawing is subject to change without notice.
www.ti.com
Document Outline 1 Features 2 Applications 3 Description Table of Contents 4 Revision History 5 Pin Configuration and Functions 6 Specifications 6.1 Absolute Maximum Ratings 6.2 ESD Ratings 6.3 Recommended Operating Conditions 6.4 Thermal Information 6.5 Electrical Characteristics 6.6 Timing Requirements 6.7 Switching Characteristics 6.8 Typical Characteristics 7 Detailed Description 7.1 Overview 7.2 Functional Block Diagram 7.3 Feature Description 7.3.1 Input Reverse Polarity Protection 7.3.2 Undervoltage Protection (UVLO & UVP) 7.3.3 Overvoltage Lockout (OVLO) 7.3.4 Inrush Current control and Fast-trip 7.3.4.1 Slew Rate (dVdt) and Inrush Current Control 7.3.4.2 Fast-Trip During Steady State 7.3.5 Analog Load Current Monitor Output 7.3.6 Reverse Current Protection 7.3.7 Overtemperature Protection (OTP) 7.3.8 Fault Response 7.3.9 Power Good Indication (PG) 7.4 Device Functional Modes 8 Application and Implementation 8.1 Application Information 8.2 Single Device, Self-Controlled 8.2.1 Typical Application 8.2.1.1 Design Requirements 8.2.1.2 Detailed Design Procedure 8.2.1.2.1 Setting Undervoltage and Overvoltage Thresholds 8.2.1.2.2 Setting Output Voltage Rise Time (tR) 8.2.1.2.3 Setting Power Good Assertion Threshold 8.2.1.2.4 Setting Analog Current Monitor Voltage (IMON) Range 8.2.1.3 Application Curves 8.3 Active ORing 8.4 Priority Power MUXing 8.5 USB PD Port Protection 8.6 Parallel Operation 9 Power Supply Recommendations 9.1 Transient Protection 10 Layout 10.1 Layout Guidelines 10.2 Layout Example 11 Device and Documentation Support 11.1 Documentation Support 11.1.1 Related Documentation 11.2 Receiving Notification of Documentation Updates 11.3 Support Resources 11.4 Trademarks 11.5 Electrostatic Discharge Caution 11.6 Glossary 12 Mechanical, Packaging, and Orderable Information