Datasheet HMC-ALH310 (Analog Devices) - 5

HerstellerAnalog Devices
BeschreibungGaAs HEMT LOW NOISE AMPLIFIER, 37 - 42 GHz
Seiten / Seite6 / 5 — HMC-ALH310. GaAs HEMT LOW NOISE. AMPLIFIER, 37 - 42 GHz. Assembly …
Dateiformat / GrößePDF / 273 Kb
DokumentenspracheEnglisch

HMC-ALH310. GaAs HEMT LOW NOISE. AMPLIFIER, 37 - 42 GHz. Assembly Diagram. 1 - 142

HMC-ALH310 GaAs HEMT LOW NOISE AMPLIFIER, 37 - 42 GHz Assembly Diagram 1 - 142

Modelllinie für dieses Datenblatt

Textversion des Dokuments

HMC-ALH310
v02.0209
GaAs HEMT LOW NOISE AMPLIFIER, 37 - 42 GHz
1
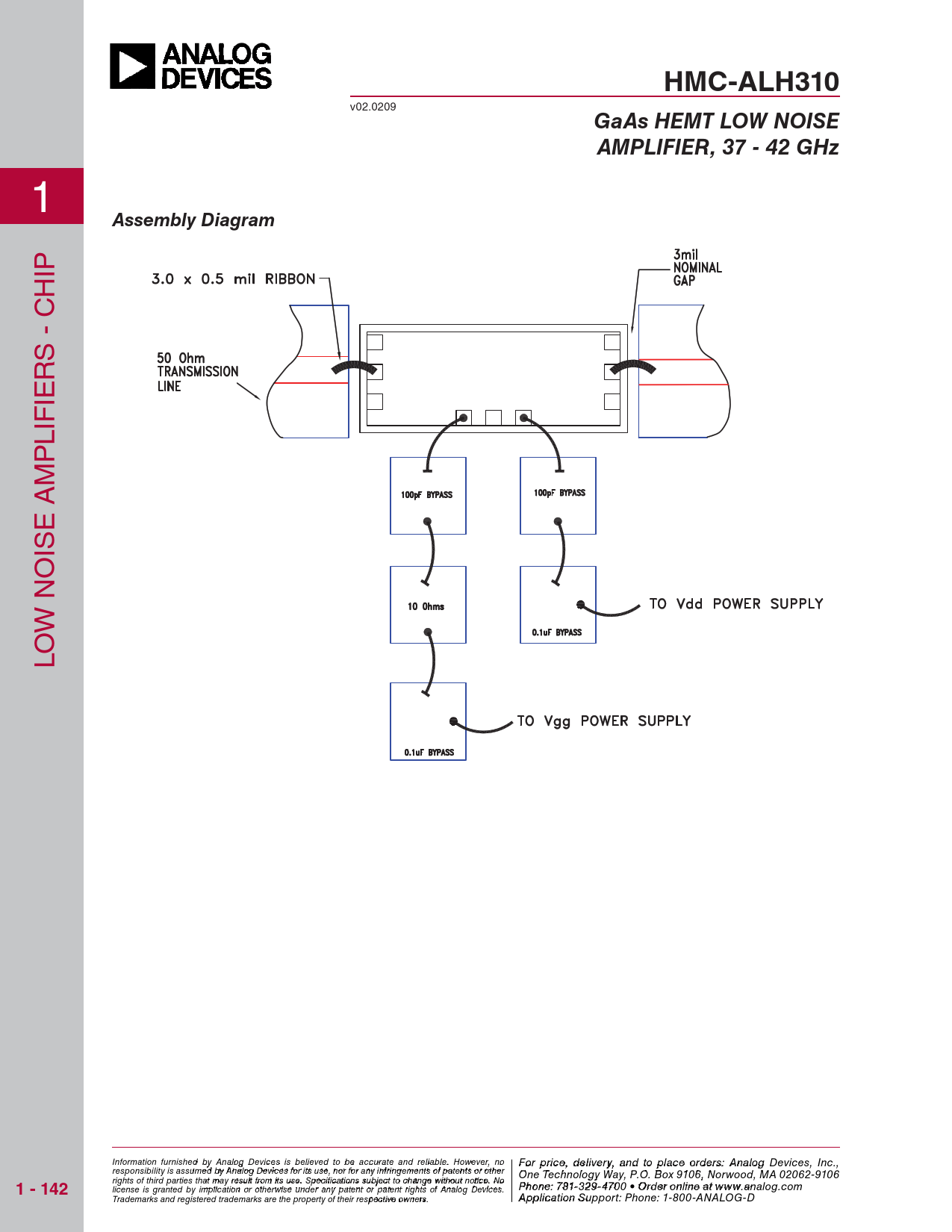
Assembly Diagram
IP H C - RS IE IF L P M A E IS O N W O L Information furnish F ed obr pri y Anal ce, de og Device li s vie s r beyli, a eve nd to pla d to be accura ce o te and rder reliabl s e , pl . Ho ease co wever, no For price, delivery, and to place orders: Analog Devices, Inc., responsibility is assumed by Analog Devices for its use, nor for any infringements of patents or other ntact Hittite Microwave Corporation: One Technology Way, P.O. Box 9106, Norwood, MA 02062-9106 rights of third parties that may result from its use. Specifications subject to change without notice. No
1 - 142
20 Alpha Road, Chelmsford, MA 01824 Phone: 978 Phon - e 25 : 7 0 81--3 32 3 9 4 - 3 F 70 ax 0 • O : 978 rder on -li25 n 0 e a - t 33 ww 73 license is granted by implication or otherwise under any patent or patent rights of Analog Devices. w.analog.com Order On Trademarks and registered trademarks are the property of their respective owners. -line at www.h A it p tpite.co licatio m n Support: Phone: 1-800-ANALOG-D