Datasheet AD843 (Analog Devices) - 10

HerstellerAnalog Devices
Beschreibung34 MHz, CBFET Fast Settling Op Amp
Seiten / Seite12 / 10 — AD843
RevisionD
Dateiformat / GrößePDF / 466 Kb
DokumentenspracheEnglisch

AD843

AD843

Modelllinie für dieses Datenblatt

Textversion des Dokuments

AD843
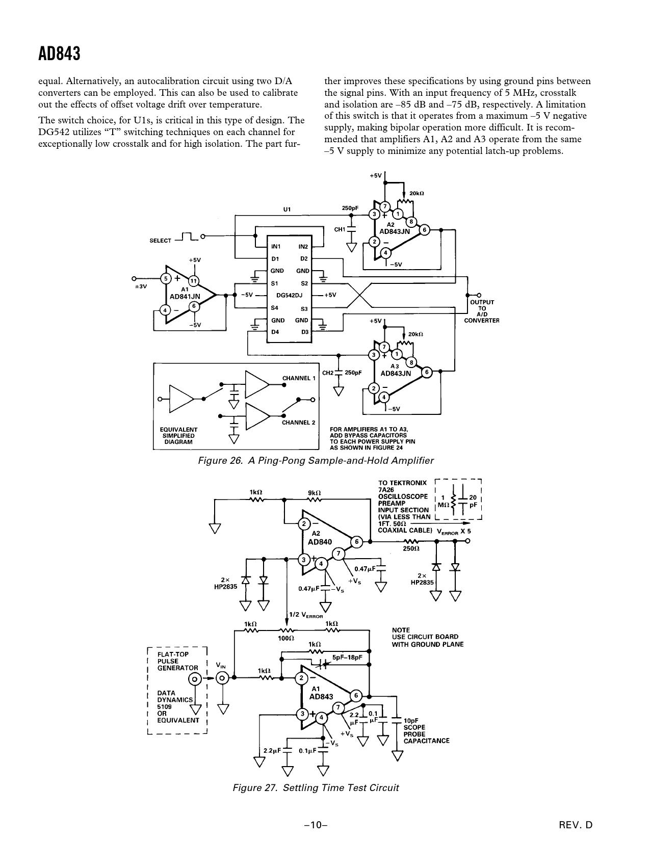
equal. Alternatively, an autocalibration circuit using two D/A ther improves these specifications by using ground pins between converters can be employed. This can also be used to calibrate the signal pins. With an input frequency of 5 MHz, crosstalk out the effects of offset voltage drift over temperature. and isolation are –85 dB and –75 dB, respectively. A limitation The switch choice, for U1s, is critical in this type of design. The of this switch is that it operates from a maximum –5 V negative DG542 utilizes “T” switching techniques on each channel for supply, making bipolar operation more difficult. It is recom- exceptionally low crosstalk and for high isolation. The part fur- mended that amplifiers A1, A2 and A3 operate from the same –5 V supply to minimize any potential latch-up problems. Figure 26. A Ping-Pong Sample-and-Hold Amplifier Figure 27. Settling Time Test Circuit –10– REV. D