Datasheet NV6128 (Navitas Semiconductor) - 6
| Hersteller | Navitas Semiconductor |
| Beschreibung | GaNFast Power IC |
| Seiten / Seite | 25 / 6 — NV6128. 6.6. Switching Waveforms. VPWM. 50%. VDS. 90%. 10%. OF F. Final … |
| Dateiformat / Größe | PDF / 1.8 Mb |
| Dokumentensprache | Englisch |
NV6128. 6.6. Switching Waveforms. VPWM. 50%. VDS. 90%. 10%. OF F. Final Datasheet. Rev Dec 16, 2020

Modelllinie für dieses Datenblatt
Textversion des Dokuments
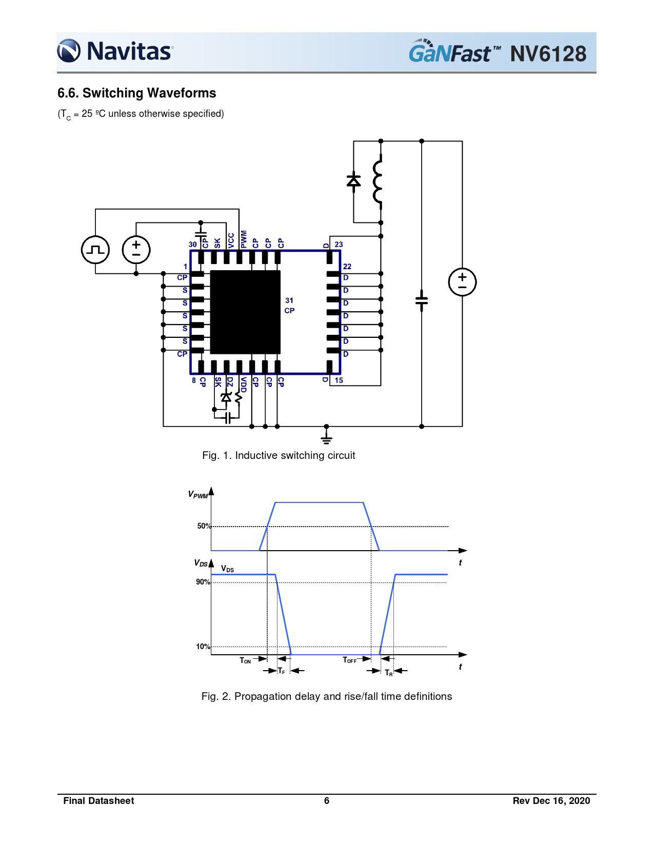
NV6128 8 6.6. Switching Waveforms
(T = 25 ºC unless otherwise specified) C Fig. 1. Inductive switching circuit
VPWM 50% VDS t VDS 90% 10% T T ON OF F t TF TR
Fig. 2. Propagation delay and rise/fall time definitions
Final Datasheet 6 Rev Dec 16, 2020