Datasheet EL2002, EL2003 (Elantec) - 9
| Hersteller | Elantec |
| Beschreibung | 100MHz Video Line Driver |
| Seiten / Seite | 12 / 9 — EL2003, EL2033. Typical Applications. Butterworth Low Pass Filter -3dB @ … |
| Dateiformat / Größe | PDF / 384 Kb |
| Dokumentensprache | Englisch |
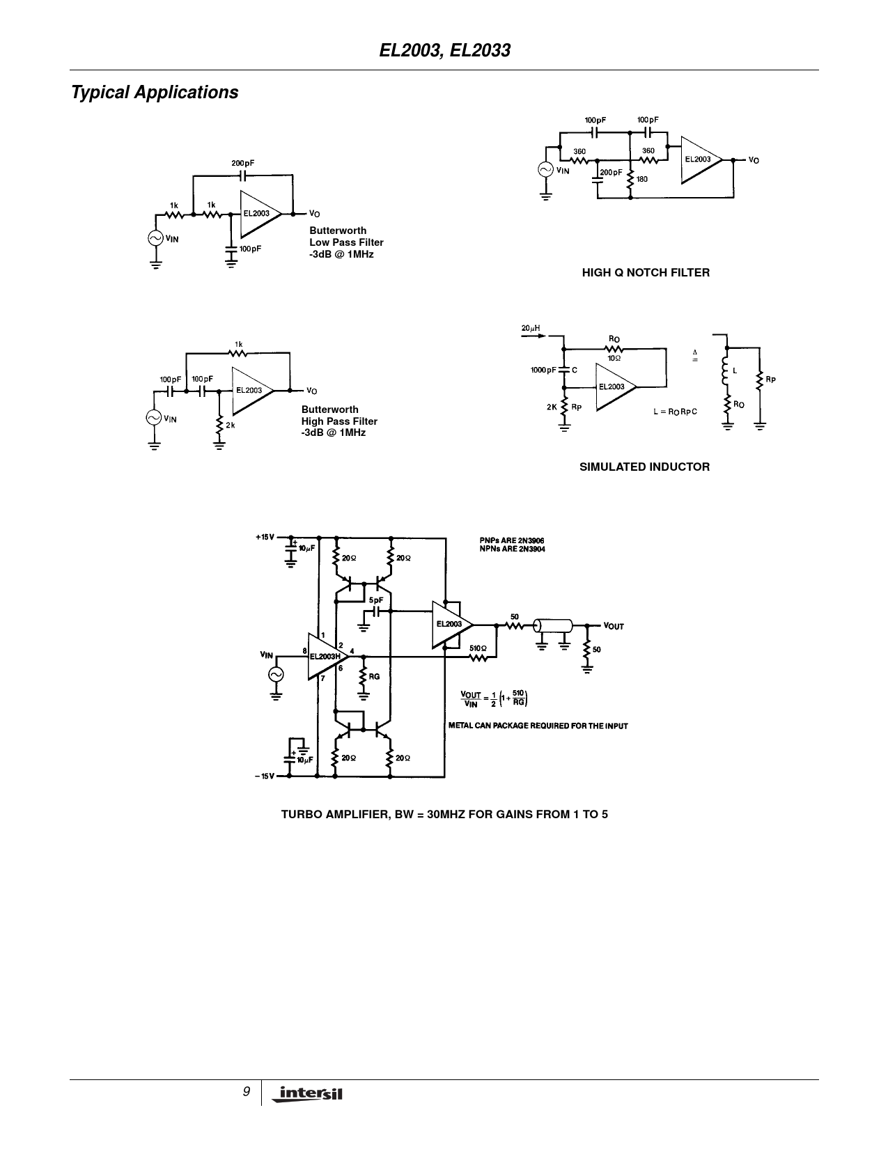
EL2003, EL2033. Typical Applications. Butterworth Low Pass Filter -3dB @ 1MHz. HIGH Q NOTCH FILTER

Modelllinie für dieses Datenblatt
Textversion des Dokuments
EL2003, EL2033 Typical Applications Butterworth Low Pass Filter -3dB @ 1MHz HIGH Q NOTCH FILTER Butterworth High Pass Filter -3dB @ 1MHz SIMULATED INDUCTOR TURBO AMPLIFIER, BW = 30MHZ FOR GAINS FROM 1 TO 5
9