Datasheet PI4ULS3V4857 (Diodes) - 2
| Hersteller | Diodes |
| Beschreibung | 6-BIT Bi-Directional Level Shifter for Sd 3.0-SDR104 Compliant Memory Card Application |
| Seiten / Seite | 11 / 2 — PI4ULS3V4857. Block Diagram |
| Dateiformat / Größe | PDF / 827 Kb |
| Dokumentensprache | Englisch |
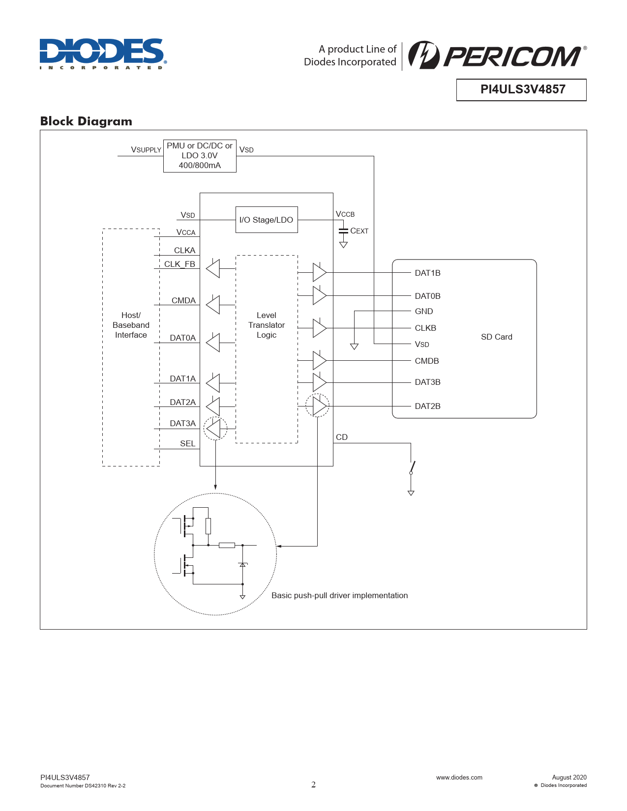
PI4ULS3V4857. Block Diagram

Modelllinie für dieses Datenblatt
Textversion des Dokuments
A product Line of Diodes Incorporated
PI4ULS3V4857 Block Diagram
V PMU or DC/DC or SUPPLY VSD LDO 3.0V 400/800mA VSD V I/O Stage/LDO CCB VCCA CEXT CLKA CLK_FB DAT1B CMDA DAT0B Host/ Level GND Baseband Translator CLKB Interface Logic DAT0A SD Card VSD CMDB DAT1A DAT3B DAT2A DAT2B DAT3A CD SEL Basic push-pull driver implementation PI4ULS3V4857 www.diodes.com August 2020 Document Number DS42310 Rev 2-2 2 Diodes Incorporated