Datasheet NC7S14 (ON Semiconductor) - 6
| Hersteller | ON Semiconductor |
| Beschreibung | TinyLogic HS Inverter with Schmitt Trigger Input |
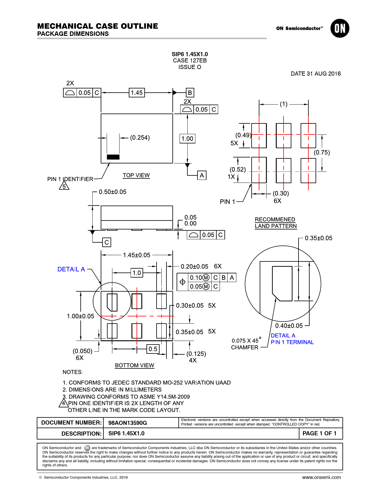
| Seiten / Seite | 10 / 6 — PACKAGE DIMENSIONS. SIP6 1.45X1.0. DOCUMENT NUMBER: 98AON13590G. … |
| Revision | 3 |
| Dateiformat / Größe | PDF / 306 Kb |
| Dokumentensprache | Englisch |
PACKAGE DIMENSIONS. SIP6 1.45X1.0. DOCUMENT NUMBER: 98AON13590G. DESCRIPTION:. PAGE 1 OF 1

Modelllinie für dieses Datenblatt
Textversion des Dokuments
MECHANICAL CASE OUTLINE
PACKAGE DIMENSIONS SIP6 1.45X1.0
CASE 127EB ISSUE O DATE 31 AUG 2016
DOCUMENT NUMBER: 98AON13590G
Electronic versions are uncontrolled except when accessed directly from the Document Repository. Printed versions are uncontrolled except when stamped “CONTROLLED COPY” in red.
DESCRIPTION: SIP6 1.45X1.0 PAGE 1 OF 1
ON Semiconductor and are trademarks of Semiconductor Components Industries, LLC dba ON Semiconductor or its subsidiaries in the United States and/or other countries. ON Semiconductor reserves the right to make changes without further notice to any products herein. ON Semiconductor makes no warranty, representation or guarantee regarding the suitability of its products for any particular purpose, nor does ON Semiconductor assume any liability arising out of the application or use of any product or circuit, and specifically disclaims any and all liability, including without limitation special, consequential or incidental damages. ON Semiconductor does not convey any license under its patent rights nor the rights of others. © Semiconductor Components Industries, LLC, 2019 www.onsemi.com