Datasheet ADP1828 (Analog Devices) - 7

HerstellerAnalog Devices
BeschreibungSynchronous Buck PWM, Step-Down, DC-to-DC Controller
Seiten / Seite33 / 7 — Data Sheet. ADP1828. SIMPLIFIED BLOCK DIAGRAM. LINEAR. VREG. REG. 0.6V. …
RevisionE
Dateiformat / GrößePDF / 908 Kb
DokumentenspracheEnglisch

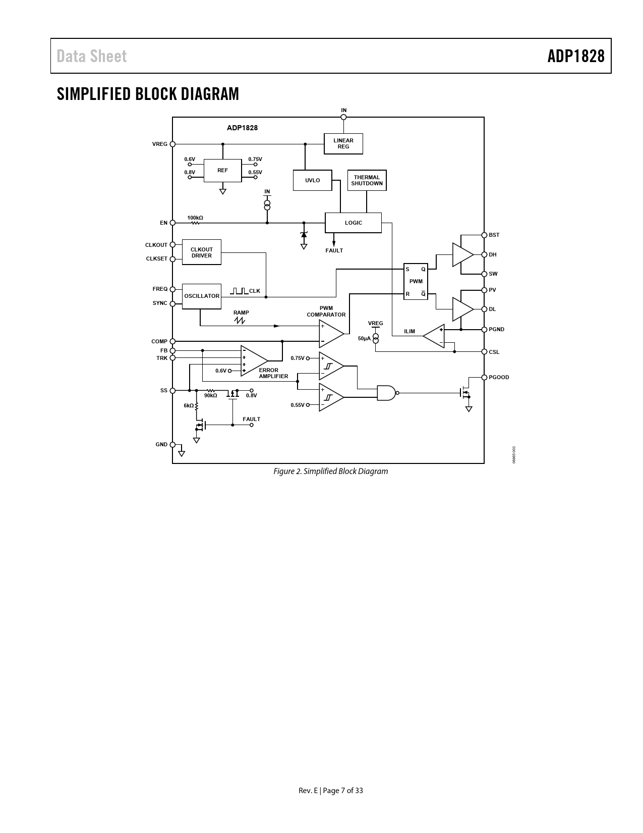
Data Sheet. ADP1828. SIMPLIFIED BLOCK DIAGRAM. LINEAR. VREG. REG. 0.6V. 0.75V. REF. 0.8V. 0.55V. THERMAL. UVLO. SHUTDOWN. 100kΩ. LOGIC. BST. CLKOUT. FAULT

Data Sheet ADP1828 SIMPLIFIED BLOCK DIAGRAM LINEAR VREG REG 0.6V 0.75V REF 0.8V 0.55V THERMAL UVLO SHUTDOWN 100kΩ LOGIC BST CLKOUT FAULT

Modelllinie für dieses Datenblatt

Textversion des Dokuments

Data Sheet ADP1828 SIMPLIFIED BLOCK DIAGRAM IN ADP1828 LINEAR VREG REG 0.6V 0.75V REF 0.8V 0.55V THERMAL UVLO SHUTDOWN IN 100kΩ EN LOGIC BST CLKOUT CLKOUT FAULT DRIVER DH CLKSET S Q SW PWM FREQ CLK PV R Q OSCILLATOR SYNC PWM DL RAMP COMPARATOR VREG ILIM PGND 50µA COMP FB CSL TRK 0.75V 0.6V ERROR AMPLIFIER PGOOD SS 90kΩ 0.8V 6kΩ 0.55V FAULT GND
3 00 6865- 0 Figure 2. Simplified Block Diagram Rev. E | Page 7 of 33 Document Outline FEATURES APPLICATIONS GENERAL DESCRIPTION TABLE OF CONTENTS REVISION HISTORY SPECIFICATIONS ABSOLUTE MAXIMUM RATINGS ESD CAUTION SIMPLIFIED BLOCK DIAGRAM PIN CONFIGURATIONS AND FUNCTION DESCRIPTIONS TYPICAL PERFORMANCE CHARACTERISTICS THEORY OF OPERATION INPUT POWER INTERNAL LINEAR REGULATOR SOFT START ERROR AMPLIFIER CURRENT-LIMIT SCHEME MOSFET DRIVERS SETTING THE OUTPUT VOLTAGE SWITCHING FREQUENCY CONTROL AND SYNCHRONIZATION COMPENSATION POWER-GOOD INDICATOR THERMAL SHUTDOWN SHUTDOWN CONTROL TRACKING APPLICATION INFORMATION SELECTING THE INPUT CAPACITOR OUTPUT LC FILTER SELECTING THE MOSFETS SETTING THE CURRENT LIMIT ACCURATE CURRENT-LIMIT SENSING FEEDBACK VOLTAGE DIVIDER COMPENSATING THE VOLTAGE MODE BUCK REGULATOR Type II Compensator Type III Compensator SOFT START SWITCHING NOISE AND OVERSHOOT REDUCTION VOLTAGE TRACKING COINCIDENT TRACKING RATIOMETRIC TRACKING THERMAL CONSIDERATIONS PCB LAYOUT GUIDELINE RECOMMENDED COMPONENT MANUFACTURERS APPLICATION CIRCUITS OUTLINE DIMENSIONS ORDERING GUIDE