Datasheet MCP48CXBXX (Microchip) - 3

HerstellerMicrochip
Beschreibung8/10/12-Bit Digital-to-Analog Converters, 1 LSb INL Single/Dual Voltage Outputs with SPI Interface
Seiten / Seite106 / 3 — MCP48CXBXX. MCP48CVBX2 Block Diagram (Dual-Channel Output). Memory. Note …
Dateiformat / GrößePDF / 8.9 Mb
DokumentenspracheEnglisch

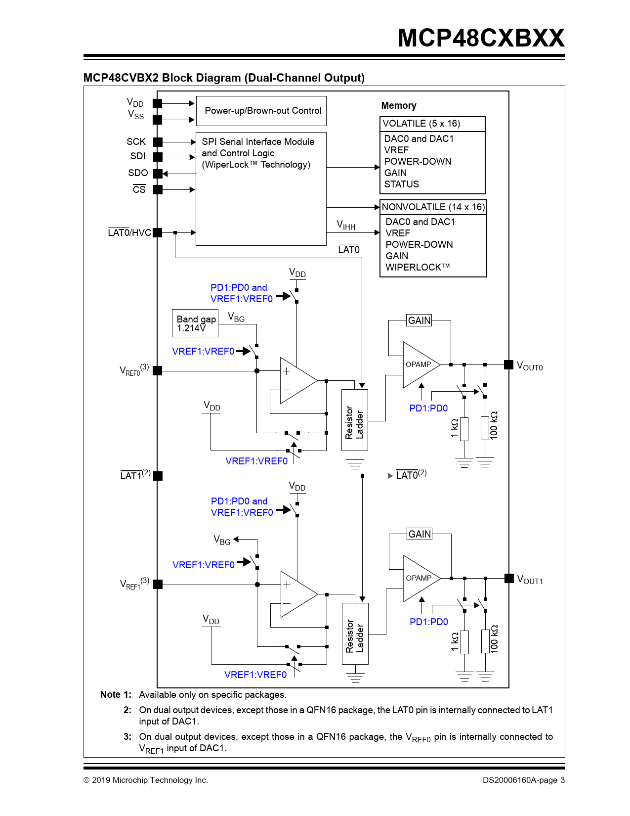
MCP48CXBXX. MCP48CVBX2 Block Diagram (Dual-Channel Output). Memory. Note 1:

MCP48CXBXX MCP48CVBX2 Block Diagram (Dual-Channel Output) Memory Note 1:

Modelllinie für dieses Datenblatt

Textversion des Dokuments

MCP48CXBXX MCP48CVBX2 Block Diagram (Dual-Channel Output)
VDD
Memory
V Power-up/Brown-out Control SS VOLATILE (5 x 16) DAC0 and DAC1 SCK SPI Serial Interface Module VREF and Control Logic SDI POWER-DOWN (WiperLock™ Technology) SDO GAIN STATUS CS NONVOLATILE (14 x 16) DAC0 and DAC1 VIHH LAT0/HVC VREF POWER-DOWN LAT0 GAIN WIPERLOCK™ VDD PD1:PD0 and VREF1:VREF0 Band gap VBG GAIN 1.214V VREF1:VREF0 OPAMP V (3) VOUT0 REF0 VDD r PD1:PD0 er k sisto 0 Re Ladd 1k 10 VREF1:VREF0 LAT1(2) LAT0(2) VDD PD1:PD0 and VREF1:VREF0 GAIN VBG VREF1:VREF0 OPAMP V (3) VOUT1 REF1 VDD r PD1:PD0 sto si der k 0 Re Lad 1k 10 VREF1:VREF0
Note 1:
Available only on specific packages.
2:
On dual output devices, except those in a QFN16 package, the LAT0 pin is internally connected to LAT1 input of DAC1.
3:
On dual output devices, except those in a QFN16 package, the VREF0 pin is internally connected to VREF1 input of DAC1.  2019 Microchip Technology Inc. DS20006160A-page 3 Document Outline 8/10/12-Bit Digital-to-Analog Converters, 1 LSb INL Single/Dual Voltage Outputs with SPI Interface Features Package Types General Description Applications MCP48CVBX1 Block Diagram (Single-Channel Output) MCP48CVBX2 Block Diagram (Dual-Channel Output) Family Device Features 1.0 Electrical Characteristics Absolute Maximum Ratings DC Characteristics DC Notes 1.1 Timing Waveforms and Requirements FIGURE 1-1: VOUT Settling Time Waveforms. TABLE 1-1: Wiper Settling Timing FIGURE 1-2: LAT Pin Waveforms. TABLE 1-2: LAT Pin Timing FIGURE 1-3: Power-on and Brown-out Reset Waveforms. FIGURE 1-4: SPI Power-Down Waveforms. TABLE 1-3: RESET and Power-Down Timing 1.2 SPI Mode Timing Waveforms and Requirements FIGURE 1-5: SPI Timing Waveform (Mode = ‘11’). TABLE 1-4: SPI Requirements (Mode = ‘11’) FIGURE 1-6: SPI Timing Waveform (Mode = 00). TABLE 1-5: SPI Requirements (Mode = 00) Temperature Specifications 2.0 Typical Performance Curves 2.1 Electrical Data FIGURE 2-1: Average Device Supply Current vs. FSCK Frequency, Voltage and Temperature - Active Interface, VRxB:VRxA = ‘00’, (VDD Mode). FIGURE 2-2: Average Device Supply Current vs. FSCK Frequency, Voltage and Temperature - Active Interface, VRxB:VRxA = ‘01’ (Band Gap Mode). FIGURE 2-3: Average Device Supply Current vs. FSCK Frequency, Voltage and Temperature - Active Interface, VRxB:VRxA = ‘11’ (VREF Buffered Mode). FIGURE 2-4: Average Device Supply Current - Inactive Interface (SCK = VIH or VIL) vs. Voltage and Temperature, VRxB:VRxA = ‘00’ (VDD Mode). FIGURE 2-5: Average Device Supply Current - Inactive Interface (SCK = VIH or VIL) vs. Voltage and Temperature, VRxB:VRxA = ‘01’ (Band Gap Mode). FIGURE 2-6: Average Device Supply Current - Inactive Interface (SCK = VIH or VIL) vs. Voltage and Temperature, VRxB:VRxA = ‘11’ (VREF Buffered Mode). FIGURE 2-7: Average Device Supply Current vs. FSCK Frequency, Voltage and Temperature - Active Interface, VRxB:VRxA = ‘10’ (VREF Unbuffered Mode). FIGURE 2-8: Average Device Supply Active Current (IDDA) (at 5.5V and FSCK = 50 MHz) vs. Temperature and DAC Reference Voltage Mode. FIGURE 2-9: Average Device Supply Current - Inactive Interface (SCK = VIH or VIL) vs. Voltage and Temperature, VRxB:VRxA = ‘10’ (VREF Unbuffered Mode). 2.2 Linearity Data FIGURE 2-10: Total Unadjusted Error (VOUT) vs. DAC Code and Temperature (Single-Channel - MCP48CXB21), VDD = 5.5V. FIGURE 2-11: Total Unadjusted Error (VOUT) vs. DAC Code and Temperature (Single-Channel - MCP48CXB21), VDD = 2.7V. FIGURE 2-12: Total Unadjusted Error (VOUT) vs. DAC Code and Temperature (Single-Channel - MCP48CXB21), VDD = 1.8V. FIGURE 2-13: Total Unadjusted Error (VOUT) vs. DAC Code and Temperature (Dual-Channel - MCP48CXB22), VDD = 5.5V. FIGURE 2-14: Total Unadjusted Error (VOUT) vs. DAC Code and Temperature (Dual-Channel - MCP48CXB22), VDD = 2.7V. FIGURE 2-15: Total Unadjusted Error (VOUT) vs. DAC Code and Temperature (Dual-Channel - MCP48CXB22), VDD = 1.8V. FIGURE 2-16: INL Error vs. DAC Code and Temperature (Single-Channel - MCP48CXB21), VDD = 5.5V. FIGURE 2-17: INL Error vs. DAC Code and Temperature (Single-Channel - MCP48CXB21), VDD = 2.7V. FIGURE 2-18: INL Error vs. DAC Code and Temperature (Single-Channel - MCP48CXB21), VDD = 1.8V. FIGURE 2-19: INL Error vs. DAC Code and Temperature (Dual-Channel - MCP48CXB22), VDD = 5.5V. FIGURE 2-20: INL Error vs. DAC Code and Temperature (Dual-Channel - MCP48CXB22), VDD = 2.7V. FIGURE 2-21: INL Error vs. DAC Code and Temperature (Dual-Channel - MCP48CXB22), VDD = 1.8V. FIGURE 2-22: DNL Error vs. DAC Code and Temperature (Single-Channel - MCP48CXB21), VDD = 5.5V. FIGURE 2-23: DNL Error vs. DAC Code and Temperature (Single-Channel - MCP48CXB21), VDD = 2.7V. FIGURE 2-24: DNL Error vs. DAC Code and Temperature (Single-Channel - MCP48CXB21), VDD = 1.8V. FIGURE 2-25: DNL Error vs. DAC Code and Temperature (Dual-Channel - MCP48CXB22), VDD = 5.5V. FIGURE 2-26: DNL Error vs. DAC Code and Temperature (Dual-Channel - MCP48CXB22), VDD = 2.7V. FIGURE 2-27: DNL Error vs. DAC Code and Temperature (Dual-Channel - MCP48CXB22), VDD = 1.8V. FIGURE 2-28: Total Unadjusted Error (VOUT) vs. DAC Code and Temperature (Single-Channel - MCP48CXB21), VREF = 0.5 x VDD = 2.75V, Gain = 2X. FIGURE 2-29: Total Unadjusted Error (VOUT) vs. DAC Code and Temperature (Single-Channel - MCP48CXB21), VREF = 0.5 x VDD = 1.35V, Gain = 2X. FIGURE 2-30: Total Unadjusted Error (VOUT) vs. DAC Code, and Temperature (Dual-Channel - MCP48CXB22), VREF = 0.5 x VDD = 2.75V, Gain = 2X. FIGURE 2-31: Total Unadjusted Error (VOUT) vs. DAC Code and Temperature (Dual-Channel - MCP48CXB22), VREF = 0.5 x VDD = 1.35V, Gain = 2X. FIGURE 2-32: INL Error vs. DAC Code and Temperature (Single-Channel - MCP48CXB21), VREF = 0.5 x VDD = 2.75V, Gain = 2X. FIGURE 2-33: INL Error vs. DAC Code and Temperature (Single-Channel - MCP48CXB21), VREF = 0.5 x VDD = 1.35V, Gain = 2X. FIGURE 2-34: INL Error vs. DAC Code and Temperature (Dual-Channel - MCP48CXB22), VREF = 0.5 x VDD = 2.75V, Gain = 2X. FIGURE 2-35: INL Error vs. DAC Code and Temperature (Dual-Channel - MCP48CXB22), VREF = 0.5 x VDD = 1.35V, Gain = 2X. FIGURE 2-36: DNL Error vs. DAC Code and Temperature (Single-Channel - MCP48CXB21), VDD = 5.5V, VREF = 0.5 x VDD = 2.75V. FIGURE 2-37: DNL Error vs. DAC Code and Temperature (Single-Channel - MCP48CXB21), VDD = 5.5V, VREF = 0.5 x VDD = 1.35V. FIGURE 2-38: DNL Error vs. DAC Code and Temperature (Dual-Channel - MCP48CXB22), VDD = 5.5V, VREF = 0.5 x VDD = 2.75V. FIGURE 2-39: DNL Error vs. DAC Code and Temperature (Dual-Channel - MCP48CXB22), VDD = 5.5V, VREF = 0.5 x VDD = 1.35V. FIGURE 2-40: Total Unadjusted Error (VOUT) vs. DAC Code and Temperature (Single-Channel - MCP48CXB21), VDD = 5.5V, Gain = 1X. FIGURE 2-41: Total Unadjusted Error (VOUT) vs. DAC Code and Temperature (Single-Channel - MCP48CXB21), VDD = 5.5V, Gain = 2X. FIGURE 2-42: Total Unadjusted Error (VOUT) vs. DAC Code and Temperature (Single-Channel - MCP48CXB21), VDD = 2.7V, Gain = 1X. FIGURE 2-43: Total Unadjusted Error (VOUT) vs. DAC Code and Temperature (Dual-Channel - MCP48CXB22), VDD = 5.5V, Gain = 1X. FIGURE 2-44: Total Unadjusted Error (VOUT) vs. DAC Code and Temperature (Dual-Channel - MCP48CXB22), VDD = 5.5V, Gain = 2X. FIGURE 2-45: Total Unadjusted Error (VOUT) vs. DAC Code and Temperature (Dual-Channel - MCP48CXB22), VDD = 2.7V, Gain = 1X. FIGURE 2-46: Total Unadjusted Error (VOUT) vs. DAC Code and Temperature (Single-Channel - MCP48CXB21), VDD = 2.7V, Gain = 2X. FIGURE 2-47: Total Unadjusted Error (VOUT) vs. DAC Code and Temperature (Single-Channel - MCP48CXB21), VDD = 1.8V, Gain = 1X. FIGURE 2-48: Total Unadjusted Error (VOUT) vs. DAC Code, +25°C, Gain = 1X. FIGURE 2-49: Total Unadjusted Error (VOUT) vs. DAC Code and Temperature (Dual-Channel - MCP48CXB22), VDD = 2.7V, Gain = 2X. FIGURE 2-50: Total Unadjusted Error (VOUT) vs. DAC Code and Temperature (Dual-Channel - MCP48CXB22), VDD = 1.8V, Gain = 1X. FIGURE 2-51: Total Unadjusted Error (VOUT) vs. DAC Code, +25°C, Gain = 2X. FIGURE 2-52: Total Unadjusted Error (VOUT) vs. DAC Code, +25°C, Gain = 1X and 2X. FIGURE 2-53: INL Error vs. DAC Code and Temperature (Single-Channel - MCP48CXB21), VDD = 5.5V, Gain = 1X. FIGURE 2-54: INL Error vs. DAC Code and Temperature (Single-Channel - MCP48CXB21), VDD = 5.5V, Gain = 2X. FIGURE 2-55: INL Error vs. DAC Code and Temperature (Single-Channel - MCP48CXB21), VDD = 2.7V, Gain = 1X. FIGURE 2-56: INL Error vs. DAC Code and Temperature (Dual-Channel - MCP48CXB22), VDD = 5.5V, Gain = 1X. FIGURE 2-57: INL Error vs. DAC Code and Temperature (Dual-Channel - MCP48CXB22), VDD = 5.5V, Gain = 2X. FIGURE 2-58: INL Error vs. DAC Code and Temperature (Dual-Channel - MCP48CXB22), VDD = 2.7V, Gain = 1X. FIGURE 2-59: INL Error vs. DAC Code and Temperature (Single-Channel - MCP48CXB21), VDD = 2.7V, Gain = 2X. FIGURE 2-60: INL Error vs. DAC Code and Temperature (Single-Channel - MCP48CXB21), VDD = 1.8V, Gain = 1X. FIGURE 2-61: INL Error vs. DAC Code, +25°C, Gain = 1X. FIGURE 2-62: INL Error vs. DAC Code and Temperature (Dual-Channel - MCP48CXB22), VDD = 2.7V, Gain = 2X. FIGURE 2-63: INL Error vs. DAC Code and Temperature (Dual-Channel - MCP48CXB22), VDD = 1.8V, Gain = 1X. FIGURE 2-64: INL Error vs. DAC Code, +25°C, Gain = 2X. FIGURE 2-65: INL Error vs. DAC Code, +25°C, Gain = 1X and 2X. FIGURE 2-66: DNL Error vs. DAC Code and Temperature (Single-Channel - MCP48CXB21), VDD = 5.5V, Gain = 1X. FIGURE 2-67: DNL Error vs. DAC Code and Temperature (Single-Channel - MCP48CXB21), VDD = 5.5V, Gain = 2X. FIGURE 2-68: DNL Error vs. DAC Code and Temperature (Single-Channel - MCP48CXB21), VDD = 2.7V, Gain = 1X. FIGURE 2-69: DNL Error vs. DAC Code and Temperature (Dual-Channel - MCP48CXB22), VDD = 5.5V, Gain = 1X. FIGURE 2-70: DNL Error vs. DAC Code and Temperature (Dual-Channel - MCP48CXB22), VDD = 5.5V, Gain = 2X. FIGURE 2-71: DNL Error vs. DAC Code and Temperature (Dual-Channel - MCP48CXB22), VDD = 2.7V, Gain = 1X. FIGURE 2-72: DNL Error vs. DAC Code and Temperature (Single-Channel - MCP48CXB21), VDD = 2.7V, Gain = 2X. FIGURE 2-73: DNL Error vs. DAC Code and Temperature (Single-Channel - MCP48CXB21), VDD = 1.8V, Gain = 1X. FIGURE 2-74: DNL Error vs. DAC Code, +25°C, Gain = 1X. FIGURE 2-75: DNL Error vs. DAC Code and Temperature (Dual-Channel - MCP48CXB22), VDD = 2.7V, Gain = 2X. FIGURE 2-76: DNL Error vs. DAC Code and Temperature (Dual-Channel - MCP48CXB22), VDD = 1.8V, Gain = 1X. FIGURE 2-77: DNL Error vs. DAC Code, +25°C, Gain = 2X. FIGURE 2-78: DNL Error vs. DAC Code, +25°C, Gain = 1X and 2X. 3.0 Pin Descriptions TABLE 3-1: MCP48CXBX1 (Single-DAC) Pin Function Table TABLE 3-2: MCP48CXBX2 (Dual-DAC) Pin Function Table 3.1 Positive Power Supply Input (VDD) 3.2 Ground (VSS) 3.3 Voltage Reference Pin (VREF) 3.4 No Connect (NC) 3.5 Analog Output Voltage Pins (VOUT0, VOUT1) 3.6 Latch/High-Voltage Command Pin (LAT/HVC) 3.7 SPI - Chip Select Pin (CS) 3.8 SPI - Serial Clock Pin (SCK) 3.9 SPI - Serial Data In Pin (SDI) 3.10 SPI - Serial Data Out Pin (SDO) 4.0 General Description 4.1 Power-on Reset/Brown-out Reset (POR/BOR) FIGURE 4-1: Power-on Reset Operation. 4.2 Device Memory TABLE 4-1: MCP48CXBXX MEMORY MAP (16-bit) TABLE 4-2: Factory Default POR/BOR Values (MTP Memory Unprogrammed) Register 4-1: DAC0 (00h/10h) and DAC1 (01h/11h) OUTPUT VALUE Registers (Volatile/NONvOLATILE) Register 4-2: Voltage Reference (VREF) Control Registers (08h/18h) (Volatile/NONVOLATILE) Register 4-3: Power-down Control Registers (09h/19h) (VOLATILE/NONVOLATILE) Register 4-4: Gain Control and System Status Register (0Ah) (VOLATILE) Register 4-5: Gain Control Register (1AH) (Nonvolatile) Register 4-6: WiperLock Technology Control Register (1Bh) (NonVolatile) 5.0 DAC Circuitry FIGURE 5-1: MCP48CXBXX DAC Module Block Diagram. 5.1 Resistor Ladder FIGURE 5-2: Resistor Ladder Model Block Diagram. 5.2 Voltage Reference Selection FIGURE 5-3: Resistor Ladder Reference Voltage Selection Block Diagram. FIGURE 5-4: Reference Voltage Selection Implementation Block Diagram. TABLE 5-1: VOUT Using Band Gap 5.3 Output Buffer/VOUT Operation FIGURE 5-5: Output Driver Block Diagram. TABLE 5-2: Output Driver Gain FIGURE 5-6: VOUT Pin Slew Rate. FIGURE 5-7: Circuit to Stabilize Output Buffer for Large Capacitive Loads (CL). TABLE 5-3: Theoretical Step Voltage (VS)(1) 5.4 Latch Pin (LAT) FIGURE 5-8: LAT and DAC Interaction. FIGURE 5-9: Example Use of LAT Pin Operation. 5.5 Power-Down Operation TABLE 5-4: Power-Down Bits and Output Resistive Load TABLE 5-5: DAC Current Sources TABLE 5-6: DAC Input Code Vs. Calculated Analog Output (VOUT) (VDD = 5.0V) 6.0 SPI Serial Interface Module FIGURE 6-1: Typical SPI Interface. 6.1 Overview 6.2 Communication Data Rates 6.3 POR/BOR 6.4 Interface Pins (CS, SCK, SDI, SDO, and LAT/HVC) TABLE 6-1: SCK Frequency 6.5 Device Memory Address 6.6 SPI Modes FIGURE 6-2: 24-Bit Commands (Write, Read) - SPI Waveform (Mode 0,0). FIGURE 6-3: 24-Bit Commands (Write, Read) - SPI Waveform (Mode 1,1). 7.0 Device Commands TABLE 7-1: COMMAND BITS OVERVIEW FIGURE 7-1: 24-bit SPI Command Format. TABLE 7-2: SPI Commands - Number of Clocks 7.1 Command Byte 7.2 Data Bytes 7.3 Error Condition 7.4 Continuous Commands 7.5 Write Command FIGURE 7-2: Write Single Memory Location Command - SDI and SDO States. FIGURE 7-3: Continuous Write Sequence (Volatile Memory Only). 7.6 Read Command FIGURE 7-4: Read Single Memory Location Command - SDI and SDO States. FIGURE 7-5: Continuous Read Sequence. 8.0 Typical Applications 8.1 Design Considerations FIGURE 8-1: Example Circuit. TABLE 8-1: Package Footprint(1) 8.2 Application Examples FIGURE 8-2: Example Circuit Of Set Point or Threshold Calibration. FIGURE 8-3: Single-Supply “Window” DAC. 8.3 Bipolar Operation FIGURE 8-4: Digitally-Controlled Bipolar Voltage Source Example Circuit. 8.4 Selectable Gain and Offset Bipolar Voltage Output FIGURE 8-5: Bipolar Voltage Source with Selectable Gain and Offset. 8.5 Designing a Double-Precision DAC FIGURE 8-6: Simple Double Precision DAC Using MCP48CVBX2. 8.6 Building Programmable Current Source FIGURE 8-7: Digitally-Controlled Current Source. 8.7 Serial Interface Communication Times 9.0 Development Support 9.1 Development Tools 9.2 Technical Documentation TABLE 9-1: Development Tools (Note 1) TABLE 9-2: Technical Documentation FIGURE 9-1: MCP48CXBXX Evaluation Board Circuit Using ADM00309. 10.0 Packaging Information 10.1 Package Marking Information Appendix A: Revision History Revision A (February 2019) Appendix B: Terminology B.1 Resolution B.2 Least Significant Bit (LSb) B.3 Monotonic Operation B.4 Full-Scale Error (EFS) B.5 Zero-Scale Error (EZS) B.6 Total Unadjusted Error (ET) B.7 Offset Error (EOS) B.8 Offset Error Drift (EOSD) B.9 Gain Error (EG) B.10 Gain Error Drift (EGD) B.11 Integral Nonlinearity (INL) B.12 Differential Nonlinearity (DNL) B.13 Settling Time B.14 Major-Code Transition Glitch B.15 Digital Feed-Through B.16 -3 dB Bandwidth B.17 Power-Supply Sensitivity (PSS) B.18 Power-Supply Rejection Ratio (PSRR) B.19 VOUT Temperature Coefficient B.20 Absolute Temperature Coefficient B.21 Noise Spectral Density Product Identification System Trademarks Worldwide Sales and Service