Datasheet AOZ5312UQI (Alpha & Omega) - 4
| Hersteller | Alpha & Omega |
| Beschreibung | High-Current, High-Performance DrMOS Power Module |
| Seiten / Seite | 18 / 4 — AOZ5312UQI. Functional Block Diagram. www.aosmd.com |
| Dateiformat / Größe | PDF / 2.8 Mb |
| Dokumentensprache | Englisch |
AOZ5312UQI. Functional Block Diagram. www.aosmd.com

Modelllinie für dieses Datenblatt
Textversion des Dokuments
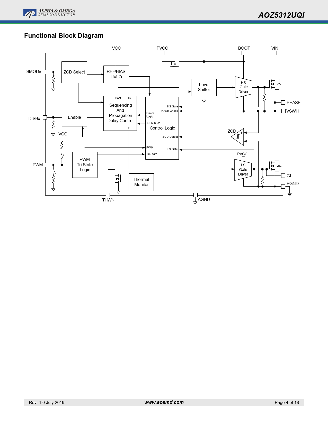
AOZ5312UQI Functional Block Diagram
VCC PVCC BOOT VIN SMOD# ZCD Select REF/BIAS UVLO Level HS Shifter Gate Driver Boot HS Sequencing PHASE HS Gate And PHASE Check VSWH Driver Enable Propagation Logic DISB# Delay Control LS Min On LS Control Logic VCC ZCD ZCD Detect PWM LS Gate Tri-State PVCC PWM PWM Tri-State LS Logic Gate Driver GL Thermal Monitor PGND THWN AGND Rev. 1.0 July 2019
www.aosmd.com
Page 4 of 18