Datasheet AOZ5311NQI (Alpha & Omega) - 4
| Hersteller | Alpha & Omega |
| Beschreibung | High-Current, High-Performance DrMOS Power Module |
| Seiten / Seite | 17 / 4 — AOZ5311NQI. Functional Block Diagram. www.aosmd.com |
| Dateiformat / Größe | PDF / 1.3 Mb |
| Dokumentensprache | Englisch |
AOZ5311NQI. Functional Block Diagram. www.aosmd.com

Modelllinie für dieses Datenblatt
Textversion des Dokuments
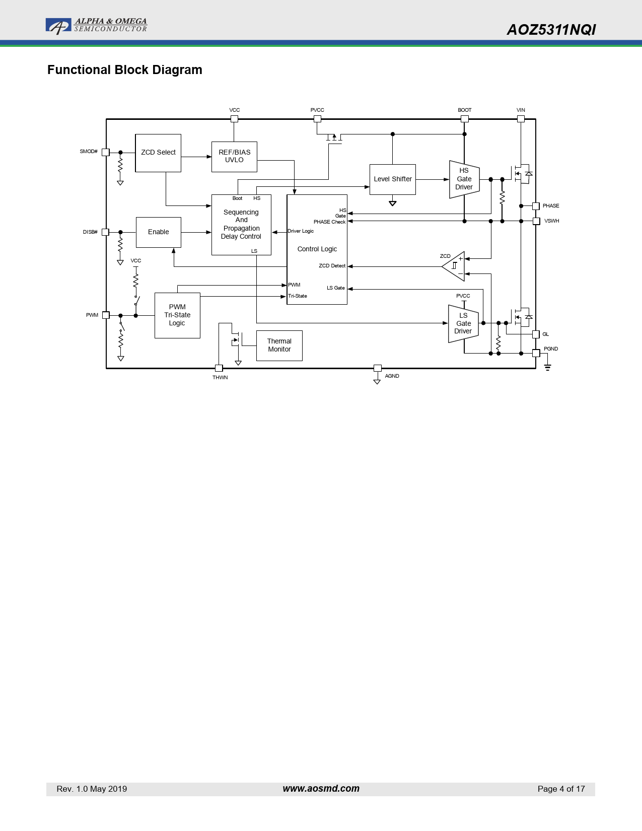
AOZ5311NQI Functional Block Diagram
VCC PVCC BOOT VIN SMOD# ZCD Select REF/BIAS UVLO HS Level Shifter Gate Driver Boot HS PHASE Sequencing HS And Gate PHASE Check VSWH DISB# Enable Propagation Driver Logic Delay Control LS Control Logic ZCD VCC ZCD Detect PWM LS Gate Tri-State PVCC PWM PWM Tri-State LS Logic Gate Driver GL Thermal Monitor PGND THWN AGND Rev. 1.0 May 2019
www.aosmd.com
Page 4 of 17