Datenblätter
Mehr
Only-Datasheet.com
Über uns
Zusammenarbeit
Werbung
Kontakte
en - English
ru - Русский
es - Espanol
zh - 中文
Suche
Datenblätter
Datasheet B82801A1 (TDK)
Datasheet B82801A1 (TDK) - 6
Hersteller
TDK
Beschreibung
SMT Current Sense Transformers
Seiten / Seite
10
/
6
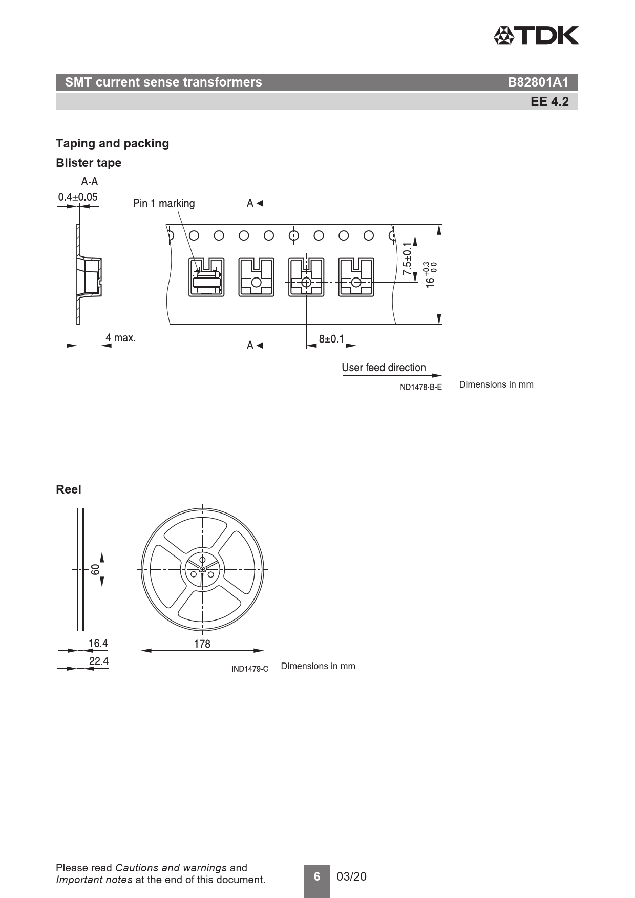
— SMT current sense transformers. B82801A1. EE 4.2. Taping and packing …
Dateiformat / Größe
PDF
/
629 Kb
Dokumentensprache
Englisch
SMT current sense transformers. B82801A1. EE 4.2. Taping and packing Blister tape. Reel
1
...
5
6
7
...
10
Herunterladen PDF
1
...
5
6
7
...
10
Modelllinie für dieses Datenblatt
B82801A1
B82801A1134A040
B82801A1135A125
B82801A1185A150
B82801A1214A050
B82801A1304A060
B82801A1333A020
B82801A1404A070
B82801A1743A030
B82801A1824A100
Textversion des Dokuments
SMT current sense transformers
B82801A1
EE 4.2
Taping and packing Blister tape
Dimensions in mm
Reel
Dimensions in mm Please read Cautions and warnings and
6
03/20 Important notes at the end of this document.
Kontakte
Datenschutz-Bestimmungen
Ändern Sie die Datenschutzeinstellungen