Datasheet LT8648S (Analog Devices) - 13
| Hersteller | Analog Devices |
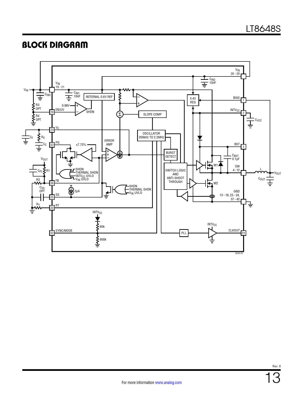
| Beschreibung | 42V, 15A Synchronous Step-Down Silent Switcher 2 |
| Seiten / Seite | 28 / 13 — BLOCK DIAGRAM |
| Dateiformat / Größe | PDF / 2.2 Mb |
| Dokumentensprache | Englisch |
BLOCK DIAGRAM

Modelllinie für dieses Datenblatt
Textversion des Dokuments
LT8648S
BLOCK DIAGRAM
VIN 26 - 28 CIN2 VIN 10nF 19 - 21 VIN CIN1 CIN3 – 10nF INTERNAL 0.6V REF + 3.4V BIAS REG 1 R3 0.98V + OPT EN/UV INTV 29 – SHDN CC SLOPE COMP 2 R4 OPT CVCC V 34 C OSCILLATOR CF RC 200kHz TO 2.2MHz ERROR PG CC 33 ±7.75% AMP BST 3 + + BURST CBST V – DETECT OUT 0.1μF M1 SW SHDN CPL R1 SWITCH LOGIC 4 - 12 L THERMAL SHDN V AND OUT INTVCC UVLO ANTI-SHOOT R2 V COUT IN UVLO FB THROUGH 36 M2 SHDN CSS THERMAL SHDN OPT 2µA V GND IN UVLO SS 13 - 18, 23 - 24, 35 37 - 42 RT RT 30 INTVCC INTV 60k CC SYNC/MODE CLKOUT 32 PLL 31 600k 8648S BD Rev. 0 For more information www.analog.com 13 Document Outline Features Applications Typical Application Description Absolute Maximum Ratings Order Information Pin Configuration Electrical Characteristics Typical Performance Characteristics Pin Functions Block Diagram Operation Applications Information Typical Applications Package Description Typical Applications Related Parts