Datasheet CMX655D (CML Microcircuits) - 9

HerstellerCML Microcircuits
BeschreibungUltra Low Power Voice Codec
Seiten / Seite64 / 9 — External Components. 4.1. CMX655D. 4.1.1. Power Supply and Pin …
Revision4
Dateiformat / GrößePDF / 3.3 Mb
DokumentenspracheEnglisch

External Components. 4.1. CMX655D. 4.1.1. Power Supply and Pin Decoupling. Figure 4 CMX655D Power Supply and Pin Decoupling

External Components 4.1 CMX655D 4.1.1 Power Supply and Pin Decoupling Figure 4 CMX655D Power Supply and Pin Decoupling

Modelllinie für dieses Datenblatt

Textversion des Dokuments

Ultra-Low Power Voice Codec CMX655D
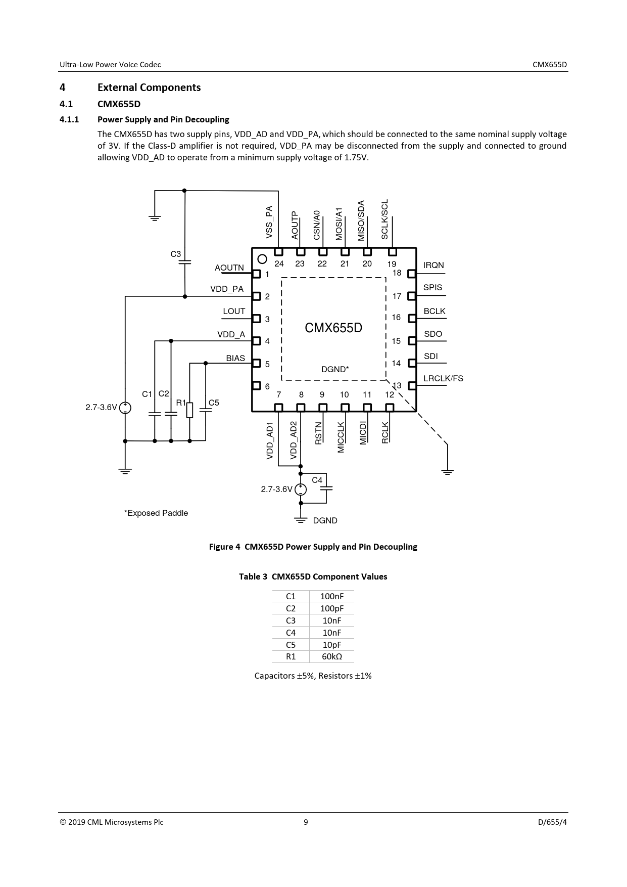
4 External Components 4.1 CMX655D 4.1.1 Power Supply and Pin Decoupling
The CMX655D has two supply pins, VDD_AD and VDD_PA, which should be connected to the same nominal supply voltage of 3V. If the Class-D amplifier is not required, VDD_PA may be disconnected from the supply and connected to ground allowing VDD_AD to operate from a minimum supply voltage of 1.75V. A L A 1 D C 0 P P A S _ T A / S / / I / K S U N S O L S O S O SI C V A C M M S C3 24 22 AOUTN 23 21 20 19 IRQN 1 18 VDD_PA SPIS 2 17 LOUT BCLK 3 16 CMX655D VDD_A SDO 4 15 BIAS SDI 5 14 DGND* LRCLK/FS 6 13 C1 C2 7 8 9 10 11 12 R1 C5 2.7-3.6V 1 2 I N K K D D T L D L A A S C CI C _ _ R C M R D D I D D M V V C4 2.7-3.6V *Exposed Paddle DGND
Figure 4 CMX655D Power Supply and Pin Decoupling Table 3 CMX655D Component Values
C1 100nF C2 100pF C3 10nF C4 10nF C5 10pF R1 60kΩ Capacitors 5%, Resistors 1%  2019 CML Microsystems Plc 9 D/655/4 Document Outline Datasheet Front Page 1 Brief Description 2 Block Diagram 2.1 CMX655D 3 Pin List 3.1 CMX655D 4 External Components 4.1 CMX655D 4.1.1 Power Supply and Pin Decoupling 4.1.2 SPI 4.1.3 TWI 4.1.4 Speaker and Microphone 5 General Description 5.1 Power Management 5.1.1 External Supplies 5.1.2 Regulated Supplies 5.2 Device Reset 5.2.1 Power-On-Reset 5.2.2 Reset Pin 5.3 Main Clock 5.3.1 Clock Frequency 5.3.2 Clock Generation 5.3.3 PLL 5.3.4 Low Power Oscillator 5.3.5 Clock Control Registers 5.3.5.1 CLKCTRL ($03) 5.3.5.2 RDIVHI ($04) 5.3.5.3 RDIVLO ($05) 5.3.5.4 NDIVHI ($06) 5.3.5.5 NDIVLO ($07) 5.3.5.6 PLLCTRL ($08) 5.4 Microphone Interface 5.4.1 Digital Microphone Interface 5.5 Class-D Amplifier 5.5.1 Audio Outputs 5.5.2 Overload Current Protection 5.5.3 Thermal Protection 5.5.4 Clipping Detection 5.6 Audio Signal Processing 5.6.1 Record Level Control 5.6.1.1 Record Level Control Register 5.6.2 Noise Gate 5.6.2.1 Noise Gate Registers 5.6.3 Record Level Detection 5.6.3.1 Record Level Detection Registers 5.6.4 Playback Preamplifier Gain 5.6.4.1 Playback Preamplifier Gain Register 5.6.5 Playback Volume Control 5.6.5.1 Playback Volume Register 5.6.6 Automatic Level Control 5.6.6.1 ALC Registers 5.6.7 Digital Sidetone 5.6.7.1 Digital Sidetone Register 5.6.8 Voice Filters 5.6.8.1 Low Pass Filter 5.6.8.2 DC Blocking Filter 5.6.8.3 High Pass Filter 5.6.8.4 Voice Filters Registers 5.6.9 Channel Multiplexing 5.6.10 Click-and-Pop Reduction 5.6.10.1 Click-and-Pop Reduction Register 5.7 Control Interface 5.7.1 SPI Slave 5.7.2 TWI Slave 5.8 Serial Audio Interface 5.8.1 I2S Mode 5.8.2 Left-Justified Mode 5.8.3 PCM Mode 5.8.4 Audio Companding 5.8.5 Serial Audio Interface Registers 5.9 Interrupt Status and IRQN Pin 5.9.1 Interrupt Registers 5.10 System Control 5.10.1 System Control Registers 5.11 Register Address Map 6 Application Notes 6.1 Programming Examples 6.1.1 Start-up 6.1.2 Configuration 6.1.3 Enable Audio Channels 6.1.4 Shutdown 7 Performance Specification 7.1 Electrical Performance 7.1.1 Absolute Maximum Ratings 7.1.2 Operating Limits 7.1.3 Operating Characteristics 7.1.3.1 DC Parameters 7.1.3.2 AC Parameters 7.1.3.3 SPI 7.1.3.4 TWI 7.1.3.5 SAI 7.1.3.6 Digital Microphone Interface 7.2 Typical Performance Characteristics 7.2.1 THD+N vs. Level performance 7.2.2 THD+N vs. Frequency performance 7.2.3 Class D Amplifier Efficiency 7.2.4 Filter Performance Speaker Channel 7.2.5 Filter Performance Microphone Channel 7.3 Packaging 7.3.1 CMX655D End of Document cmlmicro.com CMX655D - Ultra-low Power Voice Codec - CML Micro