Datasheet XC9276 (Torex) - 2

HerstellerTorex
BeschreibungUltra-Low Quiescent Current, Synchronous Step-Down PFM DC/DC Converter with Output voltage selectable function
Seiten / Seite28 / 2 — XC9276 Series
Dateiformat / GrößePDF / 992 Kb
DokumentenspracheEnglisch

XC9276 Series

XC9276 Series

Modelllinie für dieses Datenblatt

XC9276

Textversion des Dokuments

XC9276 Series
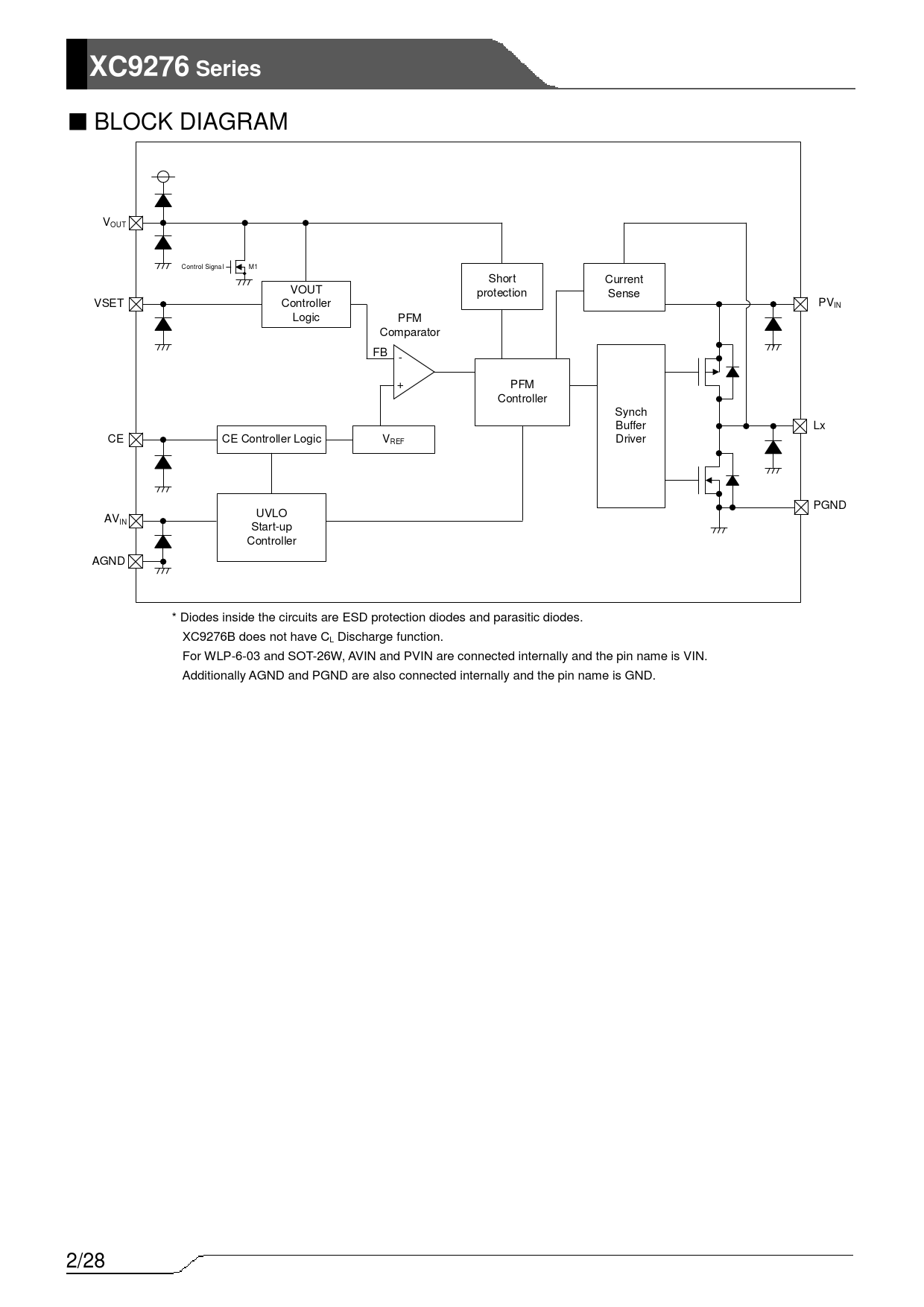
■ BLOCK DIAGRAM VOUT Control Signa l M1 Short Current VOUT protection Sense VSET Controller PVIN Logic PFM Comparator FB - + PFM Controller Synch Buffer Lx CE CE Controller Logic VREF Driver PGND UVLO AVIN Start-up Controller AGND * Diodes inside the circuits are ESD protection diodes and parasitic diodes. XC9276B does not have CL Discharge function. For WLP-6-03 and SOT-26W, AVIN and PVIN are connected internally and the pin name is VIN. Additionally AGND and PGND are also connected internally and the pin name is GND. 2/28 Document Outline GRM188R61A106ME69 LMK107BBJ106MALT GRM188R61A106ME69 GRM188R60J226MEA0 GRM188R61A226ME15 GRM188R60J476ME15 LMK107BBJ106MALT JMK107BBJ226MA C1608X5R0J226M080AC