Datasheet AD8205 (Analog Devices) - 10

HerstellerAnalog Devices
BeschreibungSingle Supply 42 V System Difference Amplifier
Seiten / Seite12 / 10 — AD8205. Data Sheet. EXTERNAL REFERENCE OUTPUT. +IN. OUT. –IN. VREF1. …
RevisionD
Dateiformat / GrößePDF / 461 Kb
DokumentenspracheEnglisch

AD8205. Data Sheet. EXTERNAL REFERENCE OUTPUT. +IN. OUT. –IN. VREF1. VREF2. GND. NC = NO CONNECT. 2.5V VOLTAGE. REFERENCE

AD8205 Data Sheet EXTERNAL REFERENCE OUTPUT +IN OUT –IN VREF1 VREF2 GND NC = NO CONNECT 2.5V VOLTAGE REFERENCE

Modelllinie für dieses Datenblatt

Textversion des Dokuments

link to page 10 link to page 10 link to page 10
AD8205 Data Sheet EXTERNAL REFERENCE OUTPUT
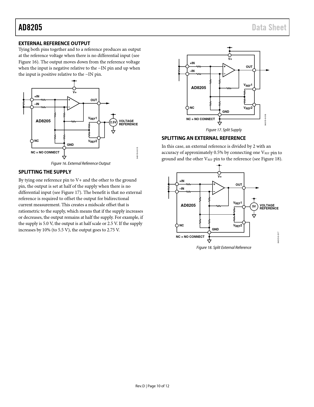
Tying both pins together and to a reference produces an output at the reference voltage when there is no differential input (see Figure 16). The output moves down from the reference voltage
V+ +IN
when the input is negative relative to the −IN pin and up when
OUT –IN
the input is positive relative to the −IN pin.
VREF1 AD8205 V+ +IN OUT –IN NC VREF2 GND VREF1 AD8205 NC = NO CONNECT 2.5V VOLTAGE REFERENCE
04315-0-016 Figure 17. Split Supply
SPLITTING AN EXTERNAL REFERENCE NC VREF2 GND
In this case, an external reference is divided by 2 with an
NC = NO CONNECT
accuracy of approximately 0.5% by connecting one VREF pin to 04315-0-015 ground and the other VREF pin to the reference (see Figure 18). Figure 16. External Reference Output
SPLITTING THE SUPPLY V+
By tying one reference pin to V+ and the other to the ground
+IN
pin, the output is set at half of the supply when there is no
OUT –IN
differential input (see Figure 17). The benefit is that no external reference is required to offset the output for bidirectional current measurement. This creates a midscale offset that is
VREF1 AD8205 5V VOLTAGE
ratiometric to the supply, which means that if the supply increases
REFERENCE
or decreases, the output remains at half the supply. For example, if the supply is 5.0 V, the output is at half scale or 2.5 V. If the supply
NC VREF2
increases by 10% (to 5.5 V), the output goes to 2.75 V.
GND NC = NO CONNECT
04315-0-017 Figure 18. Split External Reference Rev. D | Page 10 of 12 Document Outline Features Excellent AC and DC Performance Applications Functional Block Diagram General Description Revision History Specifications Absolute Maximum Ratings ESD Caution Pin Configuration and Function Descriptions Typical Performance Characteristics Theory of Operation Output Offset Adjustment Unidirectional Operation Ground Referenced Output V+ Referenced Output Bidirectional Operation External Reference Output Splitting the Supply Splitting an External Reference Applications Information High-Side Current Sense with a Low-Side Switch High-Side Current Sense with a High-Side Switch Outline Dimensions Ordering Guide Automotive Products