Datasheet 2ED2182 (4) S06F (J) (Infineon) - 4
| Hersteller | Infineon |
| Beschreibung | 650 V half-bridge gate driver with integrated bootstrap diode |
| Seiten / Seite | 24 / 4 — DETECT. 2ED2182S06F. R Q. Pulse. Filter. VSS / COM. LEVEL SHIFT. HIN 1. … |
| Revision | 02_01 |
| Dateiformat / Größe | PDF / 1.0 Mb |
| Dokumentensprache | Englisch |
DETECT. 2ED2182S06F. R Q. Pulse. Filter. VSS / COM. LEVEL SHIFT. HIN 1. Generator. 5 VCC. Deadtime & shoot. through prevention. Delay. 4 LO

Modelllinie für dieses Datenblatt
Textversion des Dokuments
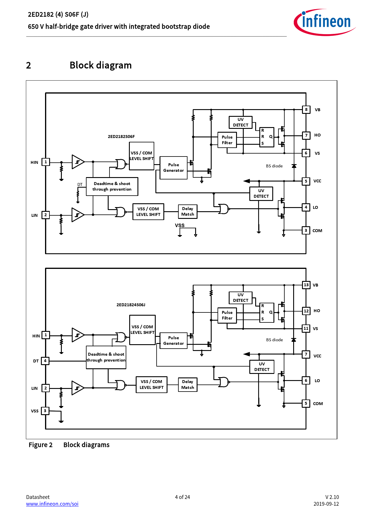
2ED2182 (4) S06F (J) 650 V half-bridge gate driver with integrated bootstrap diode 2 Block diagram
8 VB UV DETECT R 2ED2182S06F R Q 7 HO Pulse Filter S VSS / COM 6 VS LEVEL SHIFT HIN 1 Pulse
BS diode
Generator 5 VCC
DT
Deadtime & shoot through prevention UV DETECT VSS / COM Delay 4 LO LIN 2 LEVEL SHIFT Match VSS 3 COM 13 VB UV DETECT 2ED21824S06J R R Q 12 HO Pulse Filter S VSS / COM 11 VS LEVEL SHIFT HIN 1 Pulse
BS diode
Generator Deadtime & shoot 7 VCC DT 4 through prevention UV DETECT VSS / COM Delay 6 LO LIN 2 LEVEL SHIFT Match 5 COM VSS 3
Figure 2 Block diagrams Datasheet 4 of 24 V 2.10 www.infineon.com/soi 2019-09-12 Document Outline Features Product summary Product validation Description Summary of feature comparison of the 2ED218x family 1 Table of contents 2 Block diagram 3 Pin configuration and functionality 3.1 Pin configuration 3.2 Pin functionality 4 Electrical parameters 4.1 Absolute maximum ratings 4.2 Recommended operating conditions 4.3 Static electrical characteristics 4.4 Dynamic electrical characteristics 5 Application information and additional details 5.1 IGBT / MOSFET gate drive 5.2 Switching and timing relationships 5.3 Deadtime and matched propagation delays 5.4 Input logic compatibility 5.5 Undervoltage lockout 5.6 Bootstrap diode 5.7 Calculating the bootstrap capacitance CBS 5.8 Tolerant to negative tranisents on input pins 5.9 Negative voltage transient tolerance of VS pin 5.10 NTSOA – Negative Transient Safe Operating Area 5.11 Higher headroom for input to output signal transmission with logic operation upto -11 V 5.12 Maximum switching frequency 5.13 PCB layout tips 6 Qualification information0F 7 Related products 8 Package details 9 Part marking information 10 Additional documentation and resources 10.1 Infineon online forum resources 11 Revision history