Datasheet AP1041 (Asahi Kasei Microdevices) - 3
| Hersteller | Asahi Kasei Microdevices |
| Beschreibung | 32V 1ch H-Bridge Motor Driver IC |
| Seiten / Seite | 18 / 3 — 4. Block Diagram. 5. Pin Configulations and Functions. 5.1. Pin Layout |
| Dateiformat / Größe | PDF / 854 Kb |
| Dokumentensprache | Englisch |
4. Block Diagram. 5. Pin Configulations and Functions. 5.1. Pin Layout

Modelllinie für dieses Datenblatt
Textversion des Dokuments
[AP1041]
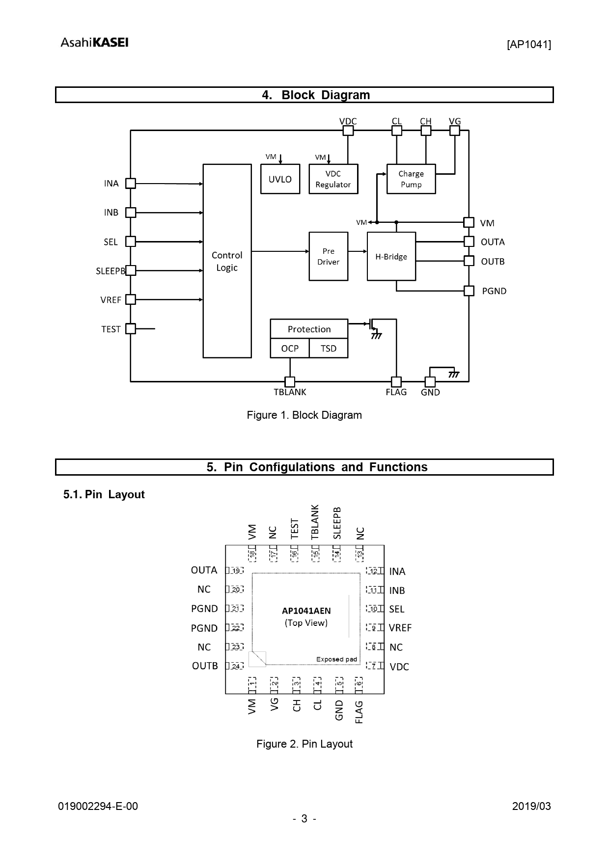
4. Block Diagram
Figure 1. Block Diagram
5. Pin Configulations and Functions 5.1. Pin Layout
Figure 2. Pin Layout 019002294-E-00 2019/03 - 3 - Document Outline 1. General Description 2. Features 3. Table of Contents 4. Block Diagram 5. Pin Configulations and Functions 5.1. Pin Layout 5.2. Pin Functions 6. Absolute Maximum Ratings 7. Recommended Operation Conditions 8. Electric Characteristics 9. Functional Descriptions 9.1. Control Logic 9.2. PWM Duty Control 9.3. Protection Functions 10. Recommended External Circuit 11. Package 11.1. Outline Dimensions 11.2. Land Pattern 11.3. Marking 12. Ordering Guide 13. Revision History IMPORTANT NOTICE